#1 Pytanie o elementy na płycie głównej HP ProBook x360 11 G3 EE
Napisal/-a Bane24 • 20 December 2025, 21:41
Witam!!!
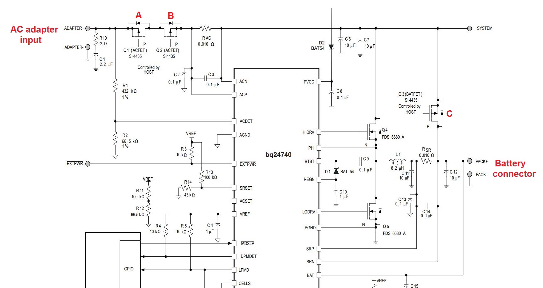
Mam pytanie o elementy zaznaczone na zdjęciu.Elementy znajdują się blisko rezystora pomiarowego 0.10 Ω.Każdy z trzech elementów na obudowie ma takie same oznaczenia proszę zobaczyć: SM3335PCV3C6.
Wyglądają na tranzystory MOSFET ale nić nie mogę znaleźć na ich temat.
Oto zdjęcie:

Pozdrawiam Piotr Ko
Mam pytanie o elementy zaznaczone na zdjęciu.Elementy znajdują się blisko rezystora pomiarowego 0.10 Ω.Każdy z trzech elementów na obudowie ma takie same oznaczenia proszę zobaczyć: SM3335PCV3C6.
Wyglądają na tranzystory MOSFET ale nić nie mogę znaleźć na ich temat.
Oto zdjęcie:
Pozdrawiam Piotr Ko
