• Asus UM431D, płyta UX431DA/DL - brak ładowania baterii

Правила форуму:Натисніть тут для перегляду правил форуму

  1. Назва теми має містити: виробника пристрою, повну модель та короткий опис проблеми.
  2. Пост має містити: код маркування друкованої плати (необхідний у разі ремонту обладнання), розширений опис проблеми, речі, які ви перевірили/замінили/виміряли, ваші висновки та запитання. Якщо ви не можете знайти код маркування друкованої плати, прочитайте ЦЮ ТЕМУ. Якщо ви все ще не можете знайти маркування друкованої плати, завантажте фотографії з високою роздільною здатністю обох сторін друкованої плати - необхідно видалити всі плівки, модулі або кронштейни, які можуть покривати ці позначки.
  3. Перш ніж публікувати нову тему, прочитайте всі теми підфоруму НАВЧАННІ і проведіте попередню діагностику на основі змісту цих тренінгів.
  4. Завантаження будь-яких повних схем, бордвю, файлів БІОС / прошивки або будь-якої іншої документації (або посилань на веб-сайти з такими файлами) СТРОГО ЗАБОРОНЕНО. Ви можете опублікувати лише невелику частину документації або посилання на файл БІОС на підфорумі НЕПЕРЕВІРЕНІ ФАЙЛИ БІОС що спростити діагностику або ремонт. Вам не дозволяється публікувати більше однієї повної сторінки інструкції/схеми на одну тему. Файл, який ви публікуєте, не повинен містити водяних знаків, «конфіденційних» тегів, посилань чи адрес електронної пошти та не може бути захищений паролем.
  5. Дозволено описувати лише один несправний пристрій у одній темі - ви завжди повинні відкривати нову тему для кожного наступного пристрою.
  6. Запит повних схем, бордвю, файлів БІОС або будь-якої іншої документації ЗАБОРОНЕНО на цьому підфорумі. Якщо вам потрібно попросити щось із цього, вам слід відкрити нову тему в підфорумі ЗАПИТ НА ДОКУМЕНТАЦІЮ ТА БІОС.

#1 Asus UM431D, płyta UX431DA/DL - brak ładowania baterii


krisark 12 Грудня 2022, 17:22
Witam wszystkich,
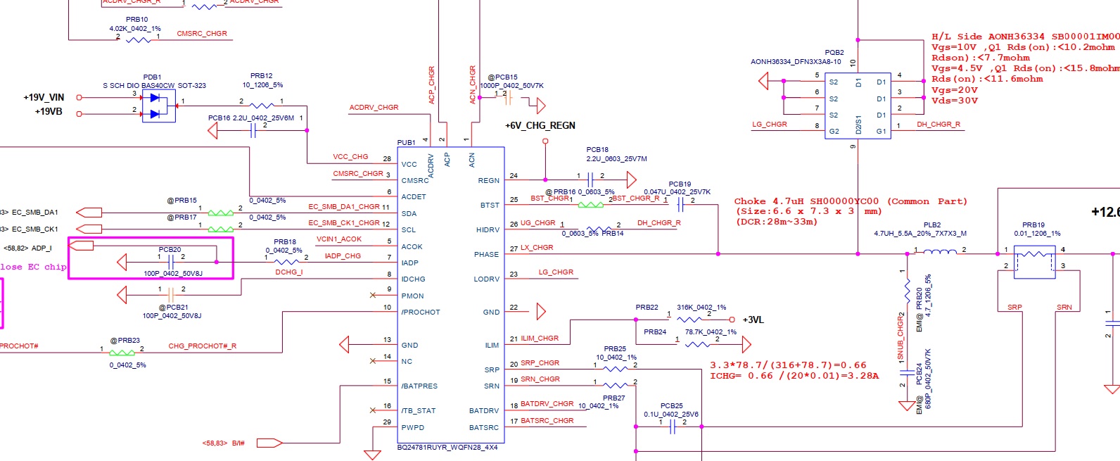
Asus UM431D, płyta UX431DA/DL Rev: 2.1
Laptop nie ładuje baterii, nie uruchamia się na zasilaczu, działał na baterii jak była naładowana.
Przebity był pierwszy tranzystor, wymieniłem laptop działał poprawnie przez chwilę, ale tranzystor znowu się uszkodził.
Wymieniłem oba tranzystory oraz układ ładowania BQ24781 ale bramki nie są wysterowywane.
Pobór prądu 0,000A
Wymieniłem pierwszy i drugi tranzystor oraz BQ24781 brak poprawy.

Na pierwszym tranzystorze:
pin 1,2,3 - 0,02V
pin 4 - 0,01V
pin 5,6,7,8 - 19,47V

Napięcie na rezystorze pomiarowym - 0,17V - 0,75MΩ

Układ ładowania BQ24781:
pin 1 - 0,17V
pin 2 - 0,17V
pin 3 - 0,17V
pin 4 - 0,02V
pin 5 - 0,32V brak sygnału ACOK
pin 6 - 2,65V
pin 7 - 0,00V
pin 8 - 0,00V
pin 9 - 0,11V
pin 10 - 0,00V
pin 11 - 0,56V
pin 12 - 0,56V
pin 13 - 0,00V
pin 14 - 0,00V
pin 15 - 0,09V
pin 16 - 0,09V
pin 17 - 0,15V
pin 18 - 0,04V
pin 19 - 0,15V
pin 20 - 0,15V
pin 21 - 0,11V
pin 22 - 0,00V
pin 23 -0,00V
pin 24 - 6,01V
pin 25 - 5,68V
pin 26 - 0,15V
pin 27 - 0,15V
pin 28 - 19,29V

Brak schematu do tej platformy wiec posiłkuje się innym schematem.
Зображення
Зображення

Proszę o pomoc w diagnozie.

Re: Asus UM431D, płyta UX431DA/DL - brak ładowania baterii


Google Adsense [BOT] 12 Грудня 2022, 17:22

#2 Re: Asus UM431D, płyta UX431DA/DL - brak ładowania baterii


krisark 13 Грудня 2022, 17:23
Płyta naprawiona, uszkodziło się połączenie (przelotka) pomiędzy pierwszym tranzystorom pin 4 - bramką, a układem ładowania BQ24781 pin 4 - ACDRV.
Połączenie odbudowane, laptop działa i ładuje.

Re: Asus UM431D, płyta UX431DA/DL - brak ładowania baterii


Google Adsense [BOT] 13 Грудня 2022, 17:23

Хто зараз онлайн

Зараз переглядають цей форум: Немає зареєстрованих користувачів і 2 гостей

_______________________________
Всі права захищені. Заборонено копіювати будь-який вміст та елементи веб-сайту без дозволу.
Усі торгові марки, назви брендів, продукти чи послуги, опубліковані на цьому веб-сайті, належать їхнім законним власникам і використовувались лише в інформаційних цілях.