• Schemat Acer Spin 3 SP314-51 Wistron Slinky 17893

#1 Schemat Acer Spin 3 SP314-51 Wistron Slinky 17893


Napisal/-a Vogelek23 12 April 2021, 17:11
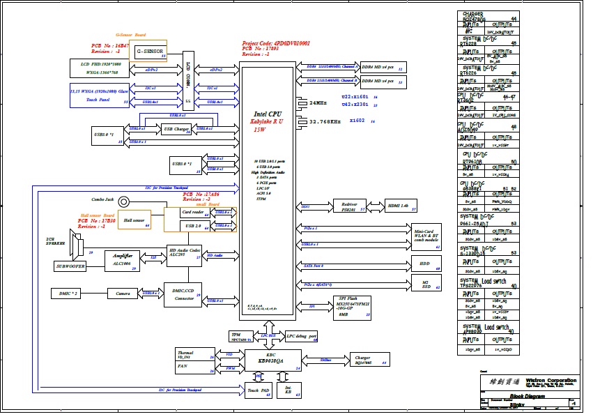
Schemat
Model: Acer Spin 3 SP314-51
Platforma: Wistron Slinky 17893-1
Rev: -1 October 19, 2017
Slika



Za ogled datotek, priloženih tej objavi, morate biti prijavljeni.

Re: Schemat Acer Spin 3 SP314-51 Wistron Slinky 17893


Napisal/-a Google Adsense [BOT] 12 April 2021, 17:11

#2 Re: Schemat Acer Spin 3 SP314-51 Wistron Slinky 17893


Napisal/-a Vogelek23 5 Maj 2021, 13:11
Boardview (*.brd)
Model: Acer Spin 3 SP314-51
Platforma: Wistron Slinky 17893-1
Slika



Za ogled datotek, priloženih tej objavi, morate biti prijavljeni.

Re: Schemat Acer Spin 3 SP314-51 Wistron Slinky 17893


Napisal/-a Google Adsense [BOT] 5 Maj 2021, 13:11

Kdo je na strani

Po forumu brska: 0 registriranih uporabnikov in 6 gostov

_______________________________
Vse pravice pridržane. Nepooblaščeno kopiranje vsebine te spletne strani ali njenega dela je strogo prepovedano.
Vse blagovne znamke, izdelki ali storitve, objavljene na tej spletni strani, pripadajo njihovim zakonitim lastnikom, so avtorsko zaščitene in se uporabljajo samo v informativne namene.