• Prośba o pomoc w doborze gniazda M.2 - MB: Slinky 213021-1UN; HP Pavilion 14-dy

Pravila foruma:Klikni tukaj za prikaz pravil na forumu

  1. Tema mora vsebovati kratek opis problema.
  2. Objava mora vsebovati razširjen opis problema in vprašanje.
  3. Ni dovoljeno objavljati prilog s popolno dokumentacijo ali datotekami BIOS -a niti povezav do spletnih mest tretjih oseb, ki gostijo te datoteke. Dovoljeno je objavljati le majhen del dokumentacije (do ene strani na objavo).
  4. Na posamezno temo lahko opišete le en problem. Za vsak drug problem morate odpreti novo temo.
  5. Strogo prepovedano je zahtevati kakršno koli dokumentacijo ali datoteke BIOS -a. Za take zahteve uporabite podforum ZAHTEVA ZA DOKUMENTACIJO & DATOTEKO BIOS/EFI.

#1 Prośba o pomoc w doborze gniazda M.2 - MB: Slinky 213021-1UN; HP Pavilion 14-dy


Napisal/-a tekort 8 Oktober 2025, 11:14
Witam,

Poszukuje gniazda typu M.2 do płyty Slinky 213021-1UN, model sprzętu to HP Pavilion X360 14-dy2050wm. Nie udało mi się znaleźć schematu do tej konkretnej płyty, ale znalazłem do Slinky 203032. Płyty wyglądają bliźniaczo podobnie, gniazdo M.2 podejrzewam jest takie samo.

Dołączam wycinek schematu:
Slika

Czy mogę w tym miejscu zastosować takie gniazdo Attend 123A-21M00 (datasheet w załączniku):
https://www.tme.eu/pl/details/123a-21m0 ... rt/attend/

Gniazda wydają się bardzo podobne, nie posiadam jednak rysunku technicznego oryginalnego gniazda ani nie jestem w stanie znaleźć datasheet. Oryginalne gniazdo wygląda tak:
Slika
Widoczne oznaczenia: LTK 23123p 2,0H-M

Dzięki!



Za ogled datotek, priloženih tej objavi, morate biti prijavljeni.

Re: Prośba o pomoc w doborze gniazda M.2 - MB: Slinky 213021-1UN; HP Pavilion 14-dy


Napisal/-a Google Adsense [BOT] 8 Oktober 2025, 11:14

#2 Re: Prośba o pomoc w doborze gniazda M.2 - MB: Slinky 213021-1UN; HP Pavilion 14-dy  [REŠENO]


Napisal/-a matic 8 Oktober 2025, 11:47
Hello!

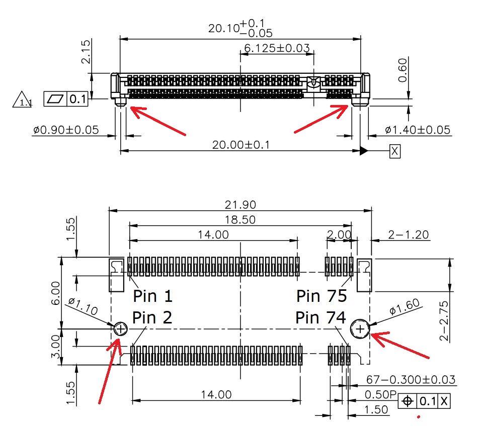
Check that you have holes through the board for the bottom plastic position pins. If so, make sure the distance between the holes is 20mm and also make sure the right hole is a bit larger.
If all of this fits, the replacement connector you found is almost certainly a suitable one.
Slika

#3 Re: Prośba o pomoc w doborze gniazda M.2 - MB: Slinky 213021-1UN; HP Pavilion 14-dy


Napisal/-a tekort 8 Oktober 2025, 12:20
The holes are there and infact there is exactly 20 mm between them :) Also, the one pin is bigger than the other, so it looks like it is the same socket. Wonder if ATTEND makes the original one, or is it made for the LTK resemblence. Will order this socket and let You know the effect ;) Thanks!

Re: Prośba o pomoc w doborze gniazda M.2 - MB: Slinky 213021-1UN; HP Pavilion 14-dy


Napisal/-a Google Adsense [BOT] 8 Oktober 2025, 12:20

Kdo je na strani

Po forumu brska: 0 registriranih uporabnikov in 0 gostov

_______________________________
Vse pravice pridržane. Nepooblaščeno kopiranje vsebine te spletne strani ali njenega dela je strogo prepovedano.
Vse blagovne znamke, izdelki ali storitve, objavljene na tej spletni strani, pripadajo njihovim zakonitim lastnikom, so avtorsko zaščitene in se uporabljajo samo v informativne namene.