• Samsung NP550P7C MCLAREN ReV:1.0 Brak Rekacji Na Włącznik

Forum rules:Click here to view the forum rules

  1. Topic title should contain the brief description of problem.
  2. Topic message should contain the extended description of problem and, the question.
  3. It is not allowed to post the attachments with complete documentations or BIOS files nor linking to any 3rd party websites hosting such files. It is only allowed to post the small portion of the documentation (up to one page per post).
  4. You can only describe one problem per topic. For each another problem you should open a new topic.
  5. It is strictly forbidden to ask for any kind of documentation or BIOS file. For such requests please use the DOCUMENTATION & BIOS/EFI REQUEST subforum.

#1 Samsung NP550P7C MCLAREN ReV:1.0 Brak Rekacji Na Włącznik


by mmike 25 January 2016, 10:46
Witam.

PLATFORMA: MCLAREN
REV:1.0
UKŁAD KBC: KB9010QF C3
GPU: N13P-GT-A2
PCH:SLJ8E
CPU:SR0MZ
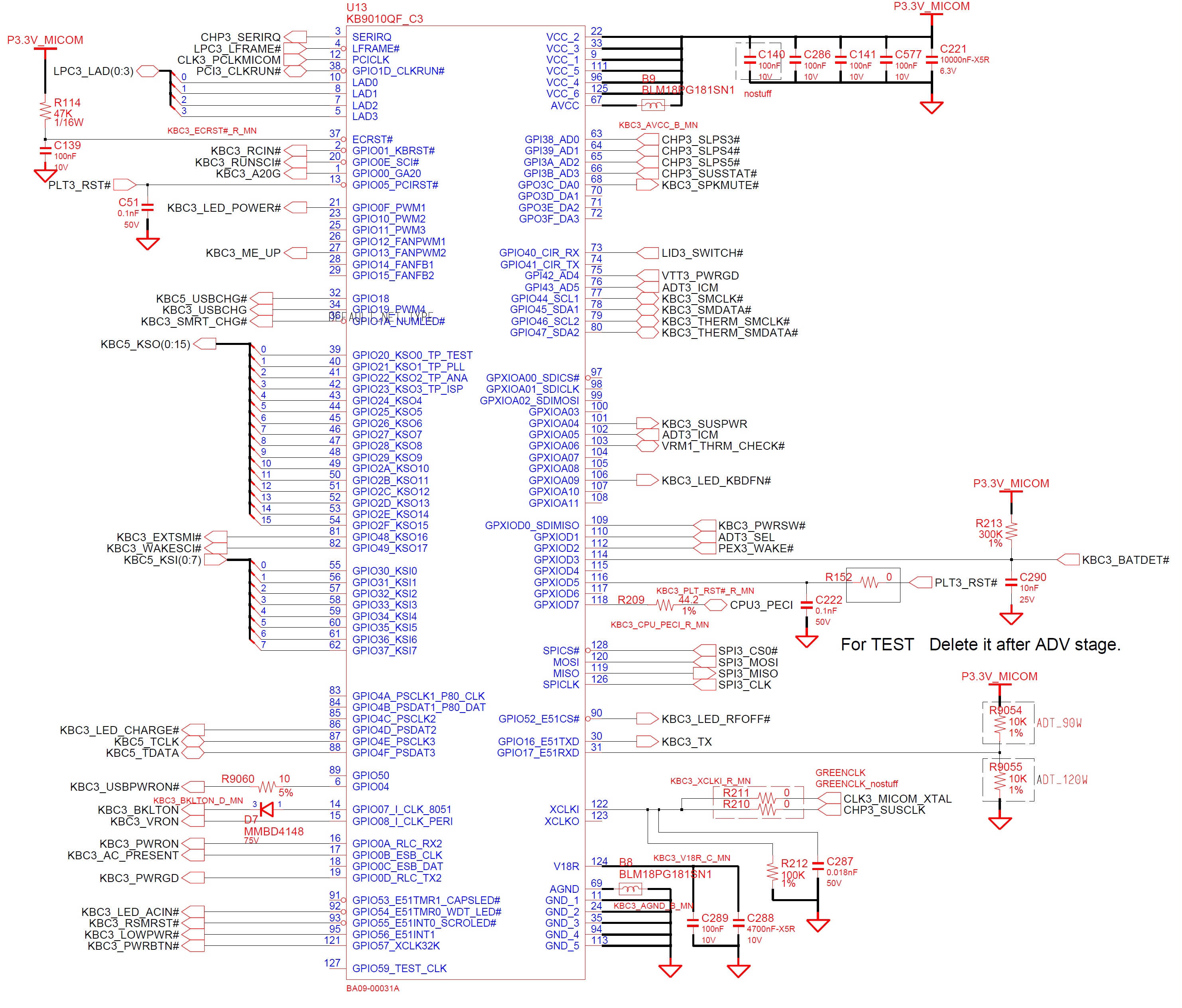
Potrzebuję zaprogramować układ KBC na wyżej wymienionej platformie. Niestety nie posiadam schematu, próbowałem oprzeć się na KBC 9012 lecz programator nie może zgrać wsadu. Czy jest możliwość dostania wycinku schematu z zastosowanym KBC? ewentualnie rozpisanie które piny odpowiadają na złączu klawiatury?
Poniżej zamieszczam zdjęcia płyty.

Z góry dziękuję.

Re: Samsung NP550P7C MCLAREN ReV:1.0 Brak Rekacji Na Włącznik


by Google Adsense [BOT] 25 January 2016, 10:46

#2 Re: Samsung NP550P7C MCLAREN ReV:1.0 Brak Rekacji Na Włącznik  [SOLVED]


by Vogelek23 25 January 2016, 11:57
Poniżej wycinek schematu z KBC KB9010QF oraz złączem klawiatury.

Image Image

Re: Samsung NP550P7C MCLAREN ReV:1.0 Brak Rekacji Na Włącznik  [SOLVED]


by Google Adsense [BOT] 25 January 2016, 11:57

Who is online

Users browsing this forum: No registered users and 0 guests

_______________________________
All rights reserved. Unauthorised copying of this website's content or any of its part is strictly forbidden.
Any trademarks, brand names, products or services published on this website belong to their legal owners, are copyrighted and used for information purposes only.