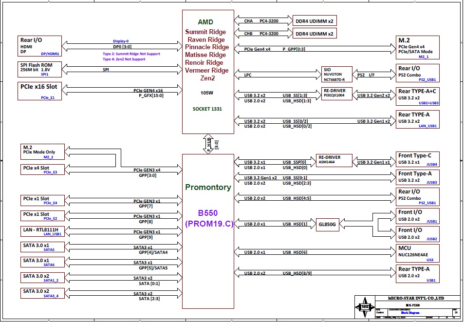
#1 Schemat MSI MPG B550 GAMING PLUS MS-7C56
Napisal/-a
Vogelek23 •
8 September 2022, 07:47
SCHEMAT
Model: MSI MPG B550 GAMING PLUS
Platforma: MSI MS-7C56
Rev: 1.0, 2.0
Za ogled datotek, priloženih tej objavi, morate biti prijavljeni.
Vzdevek:
Google Adsense [BOT]
Re: Schemat MSI MPG B550 GAMING PLUS MS-7C56
Napisal/-a Google Adsense [BOT] • 8 September 2022, 07:47
#2 Re: Schemat MSI MPG B550 GAMING PLUS MS-7C56
Napisal/-a
nicola7 •
23 Avgust 2023, 00:18
BoardView (*.cad)Model: MPG B550 GAMING PLUSPlatforma: MSI MS-7C56Rev: 0A, 0B, 0C, 1.0, 1.1
Za ogled datotek, priloženih tej objavi, morate biti prijavljeni.
#3 Re: Schemat MSI MPG B550 GAMING PLUS MS-7C56
Napisal/-a
nicola7 •
23 Avgust 2023, 00:26
BoardView (*.cad)Model: MPG B550 GAMING PLUSPlatforma: MSI MS-7C56Rev: 1.2, 1.3, 2.0, 2.1, 2.2
Za ogled datotek, priloženih tej objavi, morate biti prijavljeni.
#4 Re: Schemat MSI MPG B550 GAMING PLUS MS-7C56
Napisal/-a
nicola7 •
23 Avgust 2023, 00:32
BoardView (*.cad)Model: MPG B550 GAMING PLUSPlatforma: MSI MS-7C56Rev: 2.3, 3.0
Za ogled datotek, priloženih tej objavi, morate biti prijavljeni.
Vzdevek:
Google Adsense [BOT]
Re: Schemat MSI MPG B550 GAMING PLUS MS-7C56
Napisal/-a Google Adsense [BOT] • 23 Avgust 2023, 00:32
Kdo je na strani
Po forumu brska: 0 registriranih uporabnikov in 5 gostov
_______________________________
Vse pravice pridržane. Nepooblaščeno kopiranje vsebine te spletne strani ali njenega dela je strogo prepovedano.
Vse blagovne znamke, izdelki ali storitve, objavljene na tej spletni strani, pripadajo njihovim zakonitim lastnikom, so avtorsko zaščitene in se uporabljajo samo v informativne namene.