#1 Schemat Dell XPS 15 9530 Compal VAUB0 LA-9941P
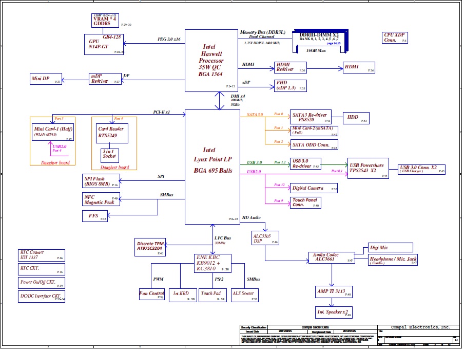
SCHEMATModel: Dell XPS 15 9530
Platforma: Compal VAUB0 LA-9941P
Rev: 0.1 (2013-01-02)
Za ogled datotek, priloženih tej objavi, morate biti prijavljeni.
Vzdevek:
Google Adsense [BOT]
Re: Schemat Dell XPS 15 9530 Compal VAUB0 LA-9941P
Napisal/-a Google Adsense [BOT] • 6 Oktober 2014, 21:38
#2 Re: Schemat Dell XPS 15 9530 Compal VAUB0 LA-9941P
Boardview (*.brd) Allegro Free viewer 16,6Model: Dell XPS 15Platforma: Compal LA-9941P VAUB0Rev: 1.0 (A00)
Za ogled datotek, priloženih tej objavi, morate biti prijavljeni.
#3 Re: Schemat Dell XPS 15 9530 Compal VAUB0 LA-9941P
Napisal/-a
Vogelek23 •
7 December 2020, 01:24
Component Finder (*.pdf)Model: Dell XPS 15Platforma: Compal LA-9941P VAUB0Rev: 1.0 (A00)
Za ogled datotek, priloženih tej objavi, morate biti prijavljeni.
#4 Re: Schemat Dell XPS 15 9530 Compal VAUB0 LA-9941P
BoardView (*.CAD)
Model: Dell XPS 15
Platforma: Compal LA-9941P VAUB0 REV 1.0
Za ogled datotek, priloženih tej objavi, morate biti prijavljeni.
Vzdevek:
Google Adsense [BOT]
Re: Schemat Dell XPS 15 9530 Compal VAUB0 LA-9941P
Napisal/-a Google Adsense [BOT] • 9 Februar 2021, 09:02
Kdo je na strani
Po forumu brska: ICHIMOKUTRADER in 4 gostov
_______________________________
Vse pravice pridržane. Nepooblaščeno kopiranje vsebine te spletne strani ali njenega dela je strogo prepovedano.
Vse blagovne znamke, izdelki ali storitve, objavljene na tej spletni strani, pripadajo njihovim zakonitim lastnikom, so avtorsko zaščitene in se uporabljajo samo v informativne namene.