Regole del forum: Clicca per leggere le regole del forum
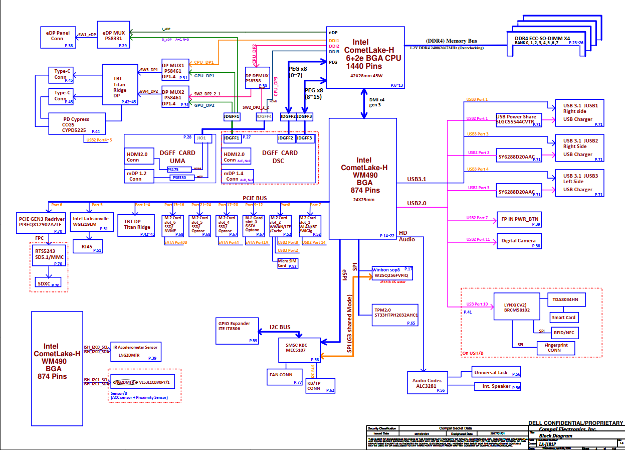
Re: Schemat Dell Precision 7750 Compal FDX70 LA-J181P
da Google Adsense [BOT] • 8 novembre 2025, 09:25
Chi c’è in linea
Visitano il forum: nicola7 e 4 ospiti
_______________________________Tutti i diritti riservati. È severamente vietata la copia non autorizzata del contenuto di questo sito Web o di qualsiasi sua parte.
Eventuali marchi, nomi di società, prodotti o servizi pubblicati su questo sito Web appartengono ai legittimi proprietari, sono protetti da copyright e utilizzati solo a scopo informativo.
