#1 Schemat Apple MacBook A1342 K87 SCRATCHO 820-2877 051-8561
Schemat
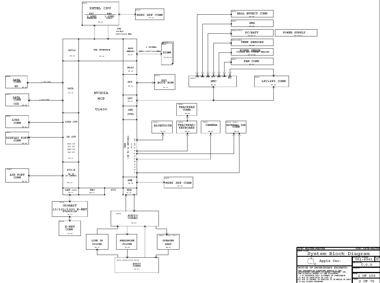
Model: Apple MacBook A1342 K87
Platforma: K87 SCRATCHO 051-8561 820-2877
Rev: C
Musisz być zalogowany, aby zobaczyć pliki załączone do tego postu.
Nick:
Google Adsense [BOT]
Re: Schemat Apple MacBook A1342 K87 SCRATCHO 820-2877 051-8561
przez Google Adsense [BOT] • 19 września 2011, 06:47
#2 Re: Schemat Apple K87 SCRATCHO 051-8561
przez rpmodesa • 20 marca 2012, 09:25
BoardviewPlatforma: 820-2877 K87
Musisz być zalogowany, aby zobaczyć pliki załączone do tego postu.
#3 Re: Schemat Apple K87 SCRATCHO 051-8561
Zdjęcia płyty w HDModel: Apple MacBook Pro A1342
Platforma: 820-2877-B K87
Rozdzielczość: 4000x3000px
Musisz być zalogowany, aby zobaczyć pliki załączone do tego postu.
#4 Apple MacBook A1342 820-2877-B
przez
mario •
28 września 2015, 08:02
Wsad BIOS / EFIModel: Apple MacBook Pro A1342
Platforma: 820-2877-B K87
IC: U6100 (MX25L3205DM2I)
File size: 4MB (32Mbit)ZWERYFIKOWANY (woijtek)
Musisz być zalogowany, aby zobaczyć pliki załączone do tego postu. Jeśli pomogłem to kliknij ->
POMÓGŁ 
Nie wysyłam plików. Jeśli brakuje punktów ->
DOŁADOWANIE
Nick:
Google Adsense [BOT]
Apple MacBook A1342 820-2877-B
przez Google Adsense [BOT] • 28 września 2015, 08:02
Kto przegląda forum
Użytkownicy przeglądający ten dział: Brak zidentyfikowanych użytkowników i 6 gości
_______________________________
Wszelkie prawa zastrzeżone. Zabrania się kopiowania jakichkolwiek treści i elementów witryny bez zezwolenia.
Wszelkie opublikowane na tej stronie znaki handlowe, nazwy marek, produktów czy usług należą do ich prawnych właścicieli i zostały użyte wyłącznie w celach informacyjnych.