• Regeneracja pinów usb-c na płycie głównej Huawei MateBook D15 BOH-WAQ9R.

Pravila foruma:Klikni tukaj za prikaz pravil na forumu

  1. Naslov teme mora vsebovati: proizvajalca naprave, poln model in kratek opis okvare.
  2. Sporočilo teme mora vsebovati: oznako tiskanega vezja (v primeru popravil strojne opreme), razširjen opis okvare, kaj je bilo preverjeno, zamenjano in/ali izmerjeno, sklep in vprašanje. Če ne morete najti oznake tiskanega vezja, morate prebrati TO TEMO. Če še vedno ne najdete oznake, prosim objavite kakovostne fotografije obeh strani matične plošče - potrebno je odstraniti vse folije in module, ki bi lahko zakrivali te oznake.
  3. Pred objavo nove teme, preberite vse teme v podforumu USPOSABLJANJA, in naredite predhodno diagnostiko na podlagi vsebine teh usposabljanj.
  4. Nalaganje celotnih navodil/shem, BIOS / firmware datotek, ali objavljanje povezav, ki vodijo do drugih spletnih strani s takšnimi datotekami, je SROGO PREPOVEDANO. Lahko objavite le majhen del navodil/shem, ali povezavo na BIOS datoteko v podforumu NEVERIFICIRANE DATOTEKE BIOS/EFI. V eni temi ne smete objaviti več kot eno stran navodil/shem. Datoteka ne sme vsebovati vidnih žigov "zaupno",, e-poštnih naslovov ipd.
  5. V eni temi lahko opišete SAMO eno napravo. Za vsako drugo okvarjeno napravo morate odpreti novo temo.
  6. Zahteve za sheme, boardview, fotografije matičnih plošč, datoteke BIOS-a ali servisne priročnike za storitve NISO DOVOLJENE. Če želite vprašati za katero koli od teh, odprite novo temo v podforumu ZAHTEVA ZA DOKUMENTACIJO & DATOTEKO BIOS/EFI.

#1 Regeneracja pinów usb-c na płycie głównej Huawei MateBook D15 BOH-WAQ9R.


Napisal/-a dir 7 Oktober 2025, 10:50
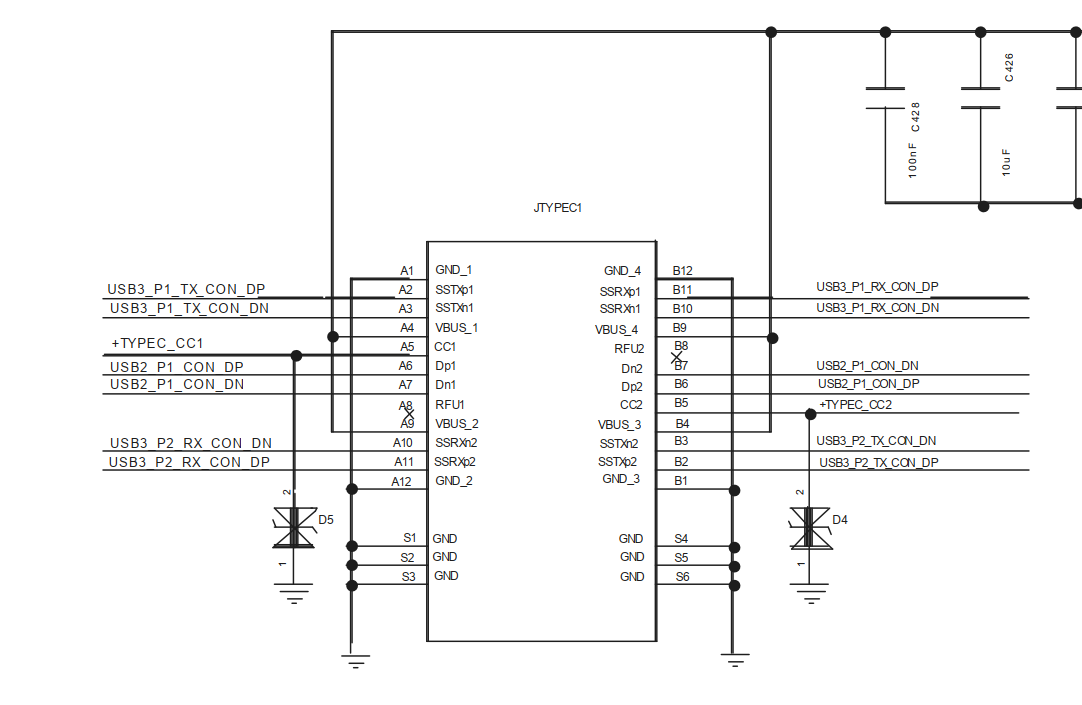
Trafiła do mnie płyta DAH98AMBAD0 REV: D producent Huawei MateBook D15 BOH-WAQ9R z częściowo pourywanymi pinami na porcie USB C. Moja prośba polega na tym, żeby mi ktoś pomógł zidentyfikować na gnieździe piny CC (Configuration Channel) (A5 i B5) odpowiedzialne za negocjację napięcia.
Slika

Mam też nadzieję że poprawnie namierzyłem VBUS niezbędny do ładowania laptopa?
Slika

Re: Regeneracja pinów usb-c na płycie głównej Huawei MateBook D15 BOH-WAQ9R.


Napisal/-a Google Adsense [BOT] 7 Oktober 2025, 10:50

#2 Re: Regeneracja pinów usb-c na płycie głównej Huawei MateBook D15 BOH-WAQ9R.


Napisal/-a tekort 7 Oktober 2025, 11:09
A5 i B5 prowadzą do diód D4 i D5 - nie jestem w stanie dokładnie po Twoim zdjęciu wskazać Ci pinów na USB bo jest zbyt rozmyte.

Teoretycznie chodzi o te piny, ale mając płytę w ręce lepiej widzisz które ścieżki od diód prowadzą do którego pinu na gnieździe.
Slika

VBUS to najgrubsze ścieżki, łączą się tam 2 albo 3 piny gniazda

#3 Re: Regeneracja pinów usb-c na płycie głównej Huawei MateBook D15 BOH-WAQ9R.


Napisal/-a Vogelek23 7 Oktober 2025, 13:07
Tutaj sprawa jest banalnie prosta - wystarczy wykonać wszystkie połączenia, które w tym przypadku są dostępne z zewnątrz (nie ma połączeń pod gniazdem).
Slika

Nie masz ich dużo, bo ledwie 8 sztuk. Połączenia wykonujesz kynarem, po uprzednim zdrapaniu skalpelem lakieru z przelotek i ścieżek, do których masz połączyć piny, a także ich ocynowaniu, aby kynar lepiej się lutował. Na koniec zamalowujesz połączenia soldermaską, utwardzasz pod światłem UV i... gotowe. Wygląda to mniej więcej tak:
Slika
Slika

Istotną sprawą jest to, że jest to dość często naprawa jednorazowa - jeśli gniazdo zostanie uszkodzone ponownie, możesz nie mieć do czego lutować, jeśli zostaną uszkodzone przelotki. Dlatego ja zawsze uprzedzam klienta, że w przypadku ponownego uszkodzenia gniazda naprawa może być już niemożliwa. Warto także upewnić się, że piny masowe są porządnie przylutowane, aby uniknąć ryzyka "obruszania się" gniazda w płycie po wielokrotnym podłączaniu i odłączaniu wtyczki.

#4 Re: Regeneracja pinów usb-c na płycie głównej Huawei MateBook D15 BOH-WAQ9R.


Napisal/-a dir 7 Oktober 2025, 13:18
Slika
Podlutowałem piny z wyprowadzeniem na diody, ale port USB dalej nie ładuje akumulatora.
Czy jeszcze jakieś pady powinienem zregenerować, żeby port zaczął ładować baterię?

#5 Re: Regeneracja pinów usb-c na płycie głównej Huawei MateBook D15 BOH-WAQ9R.


Napisal/-a Vogelek23 7 Oktober 2025, 13:21
Wszystkie. Czy naprawdę tak ciężko wykonać 8 połączeń? Nie szukaj półśrodków tam, gdzie nie jest to w ogóle potrzebne.

#6 Re: Regeneracja pinów usb-c na płycie głównej Huawei MateBook D15 BOH-WAQ9R.


Napisal/-a dir 7 Oktober 2025, 15:56
To jeszcze mi doradź, co zrobić z trzęsącymi się rękami :lol: .
Po 2h udało się zregenerować cały port USB C i działa.
P.S.
a przy okazji, skąd można kupić ten czerwony klej (bo tu to jest jakaś szansa na późniejsze usunięcie), bo dwuskładnikowy to już jest nie do usunięcia,

#7 Re: Regeneracja pinów usb-c na płycie głównej Huawei MateBook D15 BOH-WAQ9R.


Napisal/-a Radek1990 7 Oktober 2025, 16:30
Jeśli chodzi o trzęsące się ręce to może rozejrzeć się za lutownicą z rączką T115, jest krótsza i bardziej precyzyjna przy takich pracach powinno Ci być łatwiej operować, dłoń będzie oparta blisko miejsca lutowania.
W tym konkretnym przypadku mogłeś sobie zdrapać soldermaskę ze ścieżki nieco dalej, łatwiej byłoby Ci lutować, możesz przylutować drucik do płyty, pokryć soldermaską i dopiero lutować do gniazda, wtedy drucik jest stabilny, nie klei się do grotu i idzie sprawnie.

#8 Re: Regeneracja pinów usb-c na płycie głównej Huawei MateBook D15 BOH-WAQ9R.


Napisal/-a Vogelek23 7 Oktober 2025, 17:12
dir napisal/-a:To jeszcze mi doradź, co zrobić z trzęsącymi się rękami
W sytuacji ograniczeń fizycznych nie powinieneś czuć zażenowania, aby poprosić kogoś o pomoc. Natomiast mój wujek radził sobie najczęściej w takich sytuacjach, przytrzymując rękę, w której trzymał lutownicę, drugą ręką, zaś lutowana PCB unieruchamiana była tak, aby nie przesuwała się (np. obciążnikami, blokadami na krawędziach czy podpórkami). Dodatkowo, pod łokieć kładł podpórkę (miękki podłokietnik fotela biurowego), aby nadgarstek był nieco niżej, niż łokieć, co zauważalnie redukowało drżenie rąk.

dir napisal/-a:skąd można kupić ten czerwony klej
To jest soldermaska utwardzana światłem UV, dostępna np. na Allegro (przykładowy numer aukcji: 17665425401).

#9 Re: Regeneracja pinów usb-c na płycie głównej Huawei MateBook D15 BOH-WAQ9R.


Napisal/-a dir 7 Oktober 2025, 17:41
Radek1990 napisal/-a:możesz przylutować drucik do płyty, pokryć soldermaską i dopiero lutować do gniazda, wtedy drucik jest stabilny, nie klei się do grotu i idzie sprawnie.

Tak jeszcze nie próbowałem, za następnym razem sprawdzę. (zawsze po lutowaniu pokrywałem soldermaską, bo bałem się że jak bym np. urwał jakiegoś pada, to ciężko by się było z tego wycofać.
Za czerwonym klejem przeszukałem wszędzie, i tylko Chińczyk mi pozostał.

Vogelek23 napisal/-a:W sytuacji ograniczeń fizycznych nie powinieneś czuć zażenowania, aby poprosić kogoś o pomoc. Natomiast mój wujek radził sobie najczęściej w takich sytuacjach, przytrzymując rękę, w której trzymał lutownicę, drugą ręką, zaś lutowana PCB unieruchamiana była tak, aby nie przesuwała się (np. obciążnikami, blokadami na krawędziach czy podpórkami). Dodatkowo, pod łokieć kładł podpórkę (miękki podłokietnik fotela biurowego), aby nadgarstek był nieco niżej, niż łokieć, co zauważalnie redukowało drżenie rąk.

No ta ja faktycznie lutuje, na stojąco z wolnej ręki, ale pod mikroskopem i nad podgrzewaczem to bym musiał mieć niesamowicie niskie biurko.

Vogelek23 napisal/-a:To jest soldermaska utwardzana światłem UV, dostępna np. na Allegro (przykładowy numer aukcji: 17665425401

To mam rozumieć, że ta soldermaska jest gęstsza, i się utwardzi przy tej grubości? Moja jest znacznie rzadsza i jak grubiej nałożę to w środku pozostaje płynna Mechanic UHV900-LY.

#10 Re: Regeneracja pinów usb-c na płycie głównej Huawei MateBook D15 BOH-WAQ9R.


Napisal/-a Vogelek23 7 Oktober 2025, 18:10
Stopień utwardzenia soldermaski zależy zasadniczo od jej grubości, czasu ekspozycji na światło UV, jego natężenia oraz temperatury utwardzania. W przypadku grubszej warstwy soldermaski zalecam wstępnie wygrzać płytę w temperaturze 150°C przez około 8-10 minut i tak nagrzaną płytę - oczywiście używając rękawic ochronnych - umieścić pod lampą UV na 10-15 minut. Możesz także nakładać cieńsze warstwy i utwardzać soldermaskę etapami po 10-15 minut bez wstępnego wygrzewania PCB - tak też czasami robię, gdy nie chce mi się włączać pieca.

Re: Regeneracja pinów usb-c na płycie głównej Huawei MateBook D15 BOH-WAQ9R.


Napisal/-a Google Adsense [BOT] 7 Oktober 2025, 18:10

Kdo je na strani

Po forumu brska: 0 registriranih uporabnikov in 9 gostov

_______________________________
Vse pravice pridržane. Nepooblaščeno kopiranje vsebine te spletne strani ali njenega dela je strogo prepovedano.
Vse blagovne znamke, izdelki ali storitve, objavljene na tej spletni strani, pripadajo njihovim zakonitim lastnikom, so avtorsko zaščitene in se uporabljajo samo v informativne namene.