Re: Prośba o wyjaśnienie działania - IBM T40
Napisal/-a Google Adsense [BOT] • 19 Februar 2026, 17:16
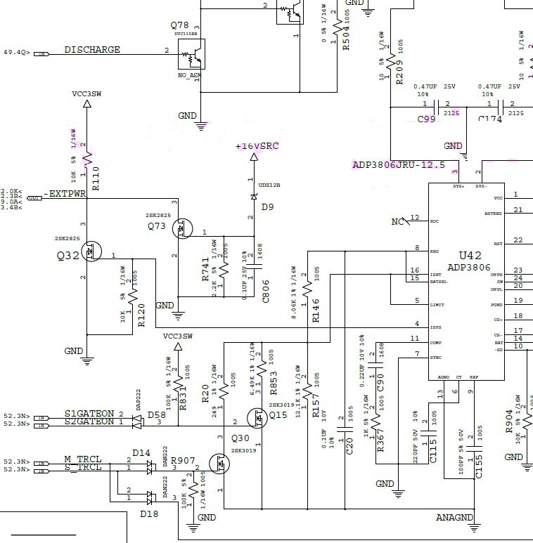
Obwód z tranzystorem Q73 (2SK2825) i diodą Zenera D9 (UDZ12B) to prosty detektor poziomu napięcia. Jeśli napięcie +16VSRC jest mniejsze niż 12V (zasilacz odłączony) to przez diodę D9 nie płynie prąd i na rezystorze R741 napięcie wynosi 0V. Efektem tego tranzystor Q73 pozostaje wyłączony i na jego drenie (sygnał -EXTPWR) utrzymuje się stan wysoki. Gdy napięcie +16VSRC wzrośnie powyżej 12V, przez diodę D9 i rezystor R741 zaczyna płynąć prąd. Ponieważ napięcie na D9 wynosi zawsze 12V (co wynika wprost z zasady działania diody Zenera) to naddatek napięcia +16VSRC powyżej tych 12V odkłada się na rezystorze R741. Tranzystor 2SK2825 ma bardzo niską wartość VGS(th), toteż wystarczy zaledwie 0,5V naddatku, aby go włączyć. Efektem tego do masy ściągany jest sygnał -EXTPWR, co z kolei aktywuje przełącznik U12 oraz "informuje" układy MCU (U23), PMH (U28) i PMIC (U61) o fakcie podłączenia zasilacza. Kondensator C806 filtruje zakłócenia na bramce Q73, aby tranzystor nie został przypadkowo otwarty np. przyłożeniem palca do linii +16VSRC, zaś rezystor R110 to klasyczny pull-up dla sygnału -EXTPWR.
ELVIKOM LAB Ltd - Apple Repairs & PCB Design - Free Quotes! https://www.elvikom.co.uk
Jeśli skorzystałeś z mojej pomocy na Forum, możesz w ramach podziękowania wspomóc jego rozwój. Kliknij tutaj, aby dowiedzieć się więcej.
Jeśli skorzystałeś z mojej pomocy na Forum, możesz w ramach podziękowania wspomóc jego rozwój. Kliknij tutaj, aby dowiedzieć się więcej.
Re: Prośba o wyjaśnienie działania - IBM T40
Napisal/-a Google Adsense [BOT] • 20 Februar 2026, 10:41
Kdo je na strani
Po forumu brska: 0 registriranih uporabnikov in 3 gostov
_______________________________Vse pravice pridržane. Nepooblaščeno kopiranje vsebine te spletne strani ali njenega dela je strogo prepovedano.
Vse blagovne znamke, izdelki ali storitve, objavljene na tej spletni strani, pripadajo njihovim zakonitim lastnikom, so avtorsko zaščitene in se uporabljajo samo v informativne namene.
