• Zasada działania układu detekcji zasilacza ADAPDET vs. ACDET na przykładzie LA-K091P

#1 Zasada działania układu detekcji zasilacza ADAPDET vs. ACDET na przykładzie LA-K091P


przez matrixmm 30 listopada 2025, 16:49
Cześć, na wstępie proszę o wyrozumiałość jak pytanie wyda się banalne…
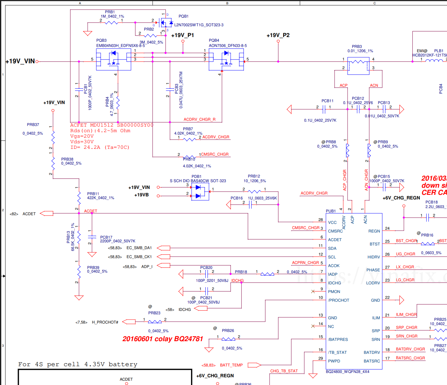
Chciałbym coś zrozumieć i jakoś to sobie ułożyć w głowie. Do brzegu. Naprawiałem płytę LA-K091P. Znalazłem spalony mosfet, kondensator i zwarte (uszkodzone mechanicznie) gniazdo zasilania. Powymieniałem na nowe. Ponieważ nie miałem małego wtyku zasilania (3x1.1) więc przylutowałem się do gniazda zasilania pod +19V_ADPIN.
Płyta nie reagowała. Nie załączał się pierwszy mosfet PQB3. Pomierzyłem charger i zobaczyłem, że nie ma ACDET. Jakoś magicznie nie wpadłem na to że na tej płycie jest detekcja zasilacza. Zacząłem pomiary od PRB38, PRB11, PRB13, PRB39. Wszystkie wyglądały na sprawne. Ze schematu wywnioskowałem że napięcie ACDET idzie z +19V_ADPIN poprzez dzielnik napięcia PRB38, PRB11, PRB13, PRB39. Mierzę napięcie na n.2 PRB38 i mam 19V ale jak przykładam sondę do n.2 PRB11 to nie mam nic. Pytanie dlaczego? Wydawało mi się że rozumiem dzielniki napięcia i skoro mam napięcie na n.2 PRB30 (19V) to jak wszystkie rezystory są sprawne to z dzielnika napięcia (422k/66,5k) powinienem mieć na n.2 PRB11 ok 2,5V. A miałem 0V. Może mi to ktoś wyjaśnić?
Po czasie zorientowałem się że na innej stronie jest jeszcze ADAPDET i układ PQ101 który jest nim sterowany. Oczywiście wystarczy włożyć wtyczkę w gniazdo aby zewrzeć ADAPDET do masy i płyta działa jak trzeba.
Wszystko fajnie, płyta działa. Do pełni szczęścia brakuje mi jeszcze zrozumienia jak to działa.
Będę wdzięczny za wyrozumiałość i wytłumaczenie.
Obrazek
Obrazek

Re: Zasada działania układu detekcji zasilacza ADAPDET vs. ACDET na przykładzie LA-K091P


przez Google Adsense [BOT] 30 listopada 2025, 16:49

#2 Re: Zasada działania układu detekcji zasilacza ADAPDET vs. ACDET na przykładzie LA-K091P


przez Vogelek23 30 listopada 2025, 22:21
Zasada działania tego obwodu została dokładnie wyjaśniona tutaj: detekcja-zasilacza-la-k701p-rev-1d-t76978.html

Re: Zasada działania układu detekcji zasilacza ADAPDET vs. ACDET na przykładzie LA-K091P


przez Google Adsense [BOT] 30 listopada 2025, 22:21

Kto przegląda forum

Użytkownicy przeglądający ten dział: Brak zidentyfikowanych użytkowników i 1 gość

_______________________________
Wszelkie prawa zastrzeżone. Zabrania się kopiowania jakichkolwiek treści i elementów witryny bez zezwolenia.
Wszelkie opublikowane na tej stronie znaki handlowe, nazwy marek, produktów czy usług należą do ich prawnych właścicieli i zostały użyte wyłącznie w celach informacyjnych.