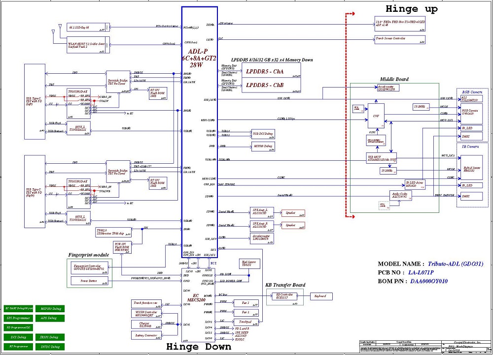
#1 Schemat Dell XPS 13 Plus 9320 Compal GDO31 LA-L071P
Schemat + Boardview (*.cad)
Model: Dell XPS 13 Plus 9320
Platforma: Compal GDO31 LA-L071P
Rev: 1.0(A00) 

Za ogled datotek, priloženih tej objavi, morate biti prijavljeni.
Vzdevek:
Google Adsense [BOT]
Re: Schemat Dell XPS 13 Plus 9320 Compal GDO31 LA-L071P
Napisal/-a Google Adsense [BOT] • 25 September 2025, 17:29
Kdo je na strani
Po forumu brska: 0 registriranih uporabnikov in 2 gostov
_______________________________
Vse pravice pridržane. Nepooblaščeno kopiranje vsebine te spletne strani ali njenega dela je strogo prepovedano.
Vse blagovne znamke, izdelki ali storitve, objavljene na tej spletni strani, pripadajo njihovim zakonitim lastnikom, so avtorsko zaščitene in se uporabljajo samo v informativne namene.