• Acer Predator ph315-52 la-k862p spalona jedna faza zasilania gpu

Правила форуму:Натисніть тут для перегляду правил форуму

  1. Назва теми має містити: виробника пристрою, повну модель та короткий опис проблеми.
  2. Пост має містити: код маркування друкованої плати (необхідний у разі ремонту обладнання), розширений опис проблеми, речі, які ви перевірили/замінили/виміряли, ваші висновки та запитання. Якщо ви не можете знайти код маркування друкованої плати, прочитайте ЦЮ ТЕМУ. Якщо ви все ще не можете знайти маркування друкованої плати, завантажте фотографії з високою роздільною здатністю обох сторін друкованої плати - необхідно видалити всі плівки, модулі або кронштейни, які можуть покривати ці позначки.
  3. Перш ніж публікувати нову тему, прочитайте всі теми підфоруму НАВЧАННІ і проведіте попередню діагностику на основі змісту цих тренінгів.
  4. Завантаження будь-яких повних схем, бордвю, файлів БІОС / прошивки або будь-якої іншої документації (або посилань на веб-сайти з такими файлами) СТРОГО ЗАБОРОНЕНО. Ви можете опублікувати лише невелику частину документації або посилання на файл БІОС на підфорумі НЕПЕРЕВІРЕНІ ФАЙЛИ БІОС що спростити діагностику або ремонт. Вам не дозволяється публікувати більше однієї повної сторінки інструкції/схеми на одну тему. Файл, який ви публікуєте, не повинен містити водяних знаків, «конфіденційних» тегів, посилань чи адрес електронної пошти та не може бути захищений паролем.
  5. Дозволено описувати лише один несправний пристрій у одній темі - ви завжди повинні відкривати нову тему для кожного наступного пристрою.
  6. Запит повних схем, бордвю, файлів БІОС або будь-якої іншої документації ЗАБОРОНЕНО на цьому підфорумі. Якщо вам потрібно попросити щось із цього, вам слід відкрити нову тему в підфорумі ЗАПИТ НА ДОКУМЕНТАЦІЮ ТА БІОС.
Ця тема позначена як АРХІВНИЙ. Відповідайте лише в тому випадку, якщо ваша відповідь містить рішення проблеми (Правила Форуму, п. 12.1).

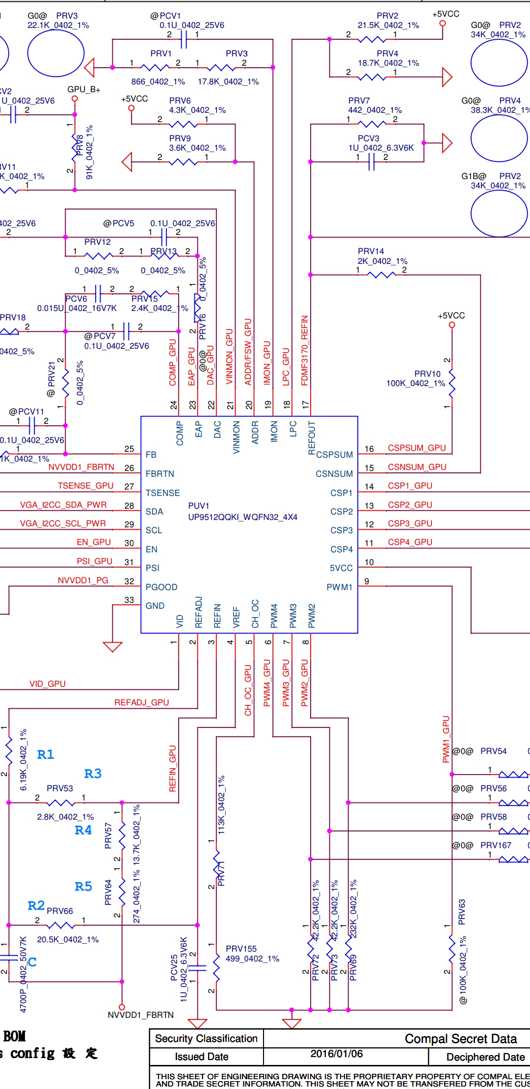
#1 Acer Predator ph315-52 la-k862p spalona jedna faza zasilania gpu


Sashamarzor 1 Листопада 2023, 22:28
Laptop Acer predator
I7 10750h
Rtx3070
Płyta główna la-k862p

Było dziwne zwarcie w głównej gałęzi 45ohm
....
Grzało się pod jednym z drmos na 1 fazie zasilania gpu ( sa 4 fazy)
Niestety drmos wyleciał w powietrze i zrobił sporą dziurę, wygrzebałem węgiel ale niestety
Uszkodzenie jest zbyt duże żeby to odbudować a tym bardziej wlutować tam drmos...
Rezystancja na głównj lini prawidłowa
Zalałem to solder maska .
Laptop działa, zainstalowałem windowsa
Gpu jest wykrywany sterowniki się instalują gpu z pokazuje wszysko ok
Laptop przechodzi testy (furmark , Valley benchmark itp)
Zastanawiam się co dalej. Gpu działa na 3 fazy zamiast 4 .... teoretycznie przetwornica gpu ma możliwość konfiguracji na 3 fazy
Czy ktoś kto zajmuję się grafikami może się wypowiedzieć Czy taki laptop ma szansę podziałać jeszcze???

Зображення

Зображення

Зображення


Зображення

Re: Acer Predator ph315-52 la-k862p spalona jedna faza zasilania gpu


Google Adsense [BOT] 1 Листопада 2023, 22:28
Ця тема позначена як АРХІВНИЙ. Відповідайте лише в тому випадку, якщо ваша відповідь містить рішення проблеми (Правила Форуму, п. 12.1).

Хто зараз онлайн

Зараз переглядають цей форум: Немає зареєстрованих користувачів і 5 гостей

_______________________________
Всі права захищені. Заборонено копіювати будь-який вміст та елементи веб-сайту без дозволу.
Усі торгові марки, назви брендів, продукти чи послуги, опубліковані на цьому веб-сайті, належать їхнім законним власникам і використовувались лише в інформаційних цілях.