ASUS X540NA, PŁYTA X540NA R2.0.
Niewielkie zalanie. Po odczyszczeniu wygląda, że brakuje elementów.
Rezystor ma 33Ω i idzie na czujnik Halla, tak jak w X540MA. Podejrzewam, że analogicznie górny element to może być 0.1UF/16V na zasilaniu czujnika.
Ale co przy dolnej czerwonej strzałce? Proszę o pomoc w identyfikacji.
Na dolnym pinie jest już 3,3 V; więc nie będzie to rezystor 10 kΩ podciągający do 3VA. Natomiast na górnym padzie jest masa (albo coś zwiera do masy).

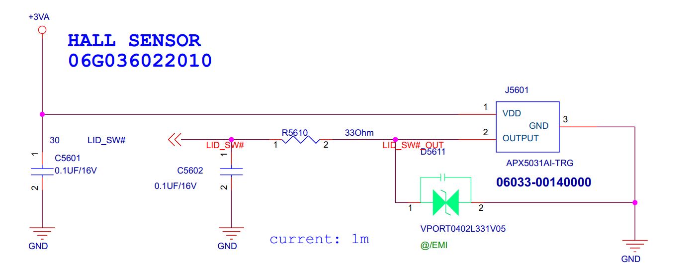
Niewielkie zalanie. Po odczyszczeniu wygląda, że brakuje elementów.
Rezystor ma 33Ω i idzie na czujnik Halla, tak jak w X540MA. Podejrzewam, że analogicznie górny element to może być 0.1UF/16V na zasilaniu czujnika.
Ale co przy dolnej czerwonej strzałce? Proszę o pomoc w identyfikacji.
Na dolnym pinie jest już 3,3 V; więc nie będzie to rezystor 10 kΩ podciągający do 3VA. Natomiast na górnym padzie jest masa (albo coś zwiera do masy).
