• SONY VAIO SVT131A11M - PŁYTA RAZ STARTUJE A RAZ NIE (BRAK OBRAZU)

Правила форуму:Натисніть тут для перегляду правил форуму

  1. Назва теми має містити: виробника пристрою, повну модель та короткий опис проблеми.
  2. Пост має містити: код маркування друкованої плати (необхідний у разі ремонту обладнання), розширений опис проблеми, речі, які ви перевірили/замінили/виміряли, ваші висновки та запитання. Якщо ви не можете знайти код маркування друкованої плати, прочитайте ЦЮ ТЕМУ. Якщо ви все ще не можете знайти маркування друкованої плати, завантажте фотографії з високою роздільною здатністю обох сторін друкованої плати - необхідно видалити всі плівки, модулі або кронштейни, які можуть покривати ці позначки.
  3. Перш ніж публікувати нову тему, прочитайте всі теми підфоруму НАВЧАННІ і проведіте попередню діагностику на основі змісту цих тренінгів.
  4. Завантаження будь-яких повних схем, бордвю, файлів БІОС / прошивки або будь-якої іншої документації (або посилань на веб-сайти з такими файлами) СТРОГО ЗАБОРОНЕНО. Ви можете опублікувати лише невелику частину документації або посилання на файл БІОС на підфорумі НЕПЕРЕВІРЕНІ ФАЙЛИ БІОС що спростити діагностику або ремонт. Вам не дозволяється публікувати більше однієї повної сторінки інструкції/схеми на одну тему. Файл, який ви публікуєте, не повинен містити водяних знаків, «конфіденційних» тегів, посилань чи адрес електронної пошти та не може бути захищений паролем.
  5. Дозволено описувати лише один несправний пристрій у одній темі - ви завжди повинні відкривати нову тему для кожного наступного пристрою.
  6. Запит повних схем, бордвю, файлів БІОС або будь-якої іншої документації ЗАБОРОНЕНО на цьому підфорумі. Якщо вам потрібно попросити щось із цього, вам слід відкрити нову тему в підфорумі ЗАПИТ НА ДОКУМЕНТАЦІЮ ТА БІОС.
Ця тема позначена як АРХІВНИЙ. Відповідайте лише в тому випадку, якщо ваша відповідь містить рішення проблеми (Правила Форуму, п. 12.1).

#1 SONY VAIO SVT131A11M - PŁYTA RAZ STARTUJE A RAZ NIE (BRAK OBRAZU)


arq2002 27 Липня 2023, 13:44
Platforma: Wistron S2203-1 Z31UL MB 48.4XM01.011 MBX-265

Cześć.
Dostałem za darmo laptopa jak w temacie, z usterką, a jako że wizualnie
prezentuje się bardzo ładnie i wygląda praktycznie jak nowy, to
postanowiłem go naprawić i podarować dzieciom ze znajomej biednej rodziny (o ile go naprawię).

Problem w zasadzie identyczny jak w archiwalnym wątku:
sony-vaio-svt131a11m-plyta-startuje-brak-obrazu-t62950.html?hilit=VT1323SF
Z tą różnicą, że po wyjęciu baterii i odczekaniu kilku godz (jak płyta jest zimna), to czasami startuje normalnie i do wyłączenia chodzi normalnie. Ale wystarczy zrobić shutdown albo wyciągnąć wtyczkę zasilania i objawy identyczne jak w cytowanym wątku archiwalnym. Tzn. brak napięcia na cewce PL4401, na wszystkich pozostałych cewkach napięcia są takie jakie powinny być.

Na układzie VT1323 napięcie 5V_S5 jest (5V) oraz zasilające VCC i VDD też jest (1,8V). TS_FAULT# też zmierzyłem i też jest 1,8V. Brak natomiast sygnału PWM.
Jak płyta się uruchamia to sygnał PMW jest (ok 12~18kHZ. )
W związku z tym jestem prawie pewien, że układ VT1323 jest sprawny.

Natomiast moje podejrzenia padają na regulator napięcia PU4201 VT1318MF.
Proszę o rady co posprawdzać w pierwszej kolejności, żeby ruszyć dalej.

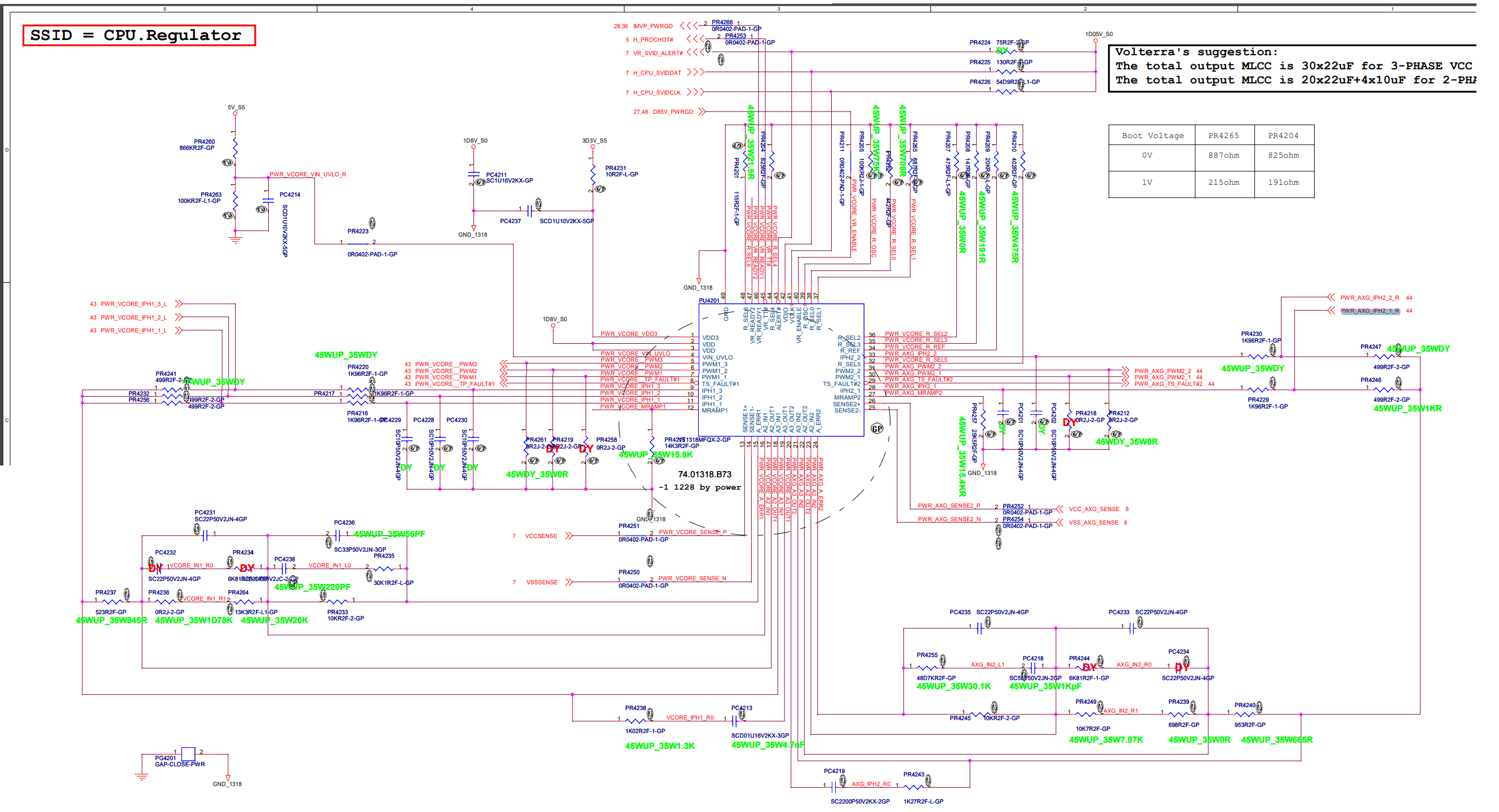
Зображення

Powyższy schemat różni się minimalnie od mojej płyty.
Moja płyta ma tylko jedną sekcję z układem VT1323, sterowaną sygnałem PWM2_1. Nie ma rezystora PR4218 (na płycie są puste pady w tym miejscu),
natomiast sygnał PWM2_2 zamiast rezystora PR4212 jest zwarty do masy.

Dodam jeszcze, że jestem elektronikiem amatorem, ale mam na koncie już dwa naprawione laptopy.

Proszę o wyrozumiałość i liczę na waszą pomoc,
Pozdrawiam serdecznie, Arek

Re: SONY VAIO SVT131A11M - PŁYTA RAZ STARTUJE A RAZ NIE (BRAK OBRAZU)


Google Adsense [BOT] 27 Липня 2023, 13:44

#2 Re: SONY VAIO SVT131A11M - PŁYTA RAZ STARTUJE A RAZ NIE (BRAK OBRAZU)


matic 31 Липня 2023, 13:05
Hello!

Try to reflow the CPU power supply controller chip PU4201.

#3 Re: SONY VAIO SVT131A11M - PŁYTA RAZ STARTUJE A RAZ NIE (BRAK OBRAZU)


arq2002 2 Серпня 2023, 13:19
Kontroler PU4201 przelutowany wraz z całą drobnicą dookoła (lutownicą, nie hotem).
Trochę to pomogło, ale niewiele. Teraz objawy są takie, że za pierwszym razem płyta startuje zawsze, a zaraz po wyłączeniu już nie. Ale wystarczy odczekać 2 minuty i znowu wystartuje. Czy jest możliwe że kontroler PU4201 nie dostaje jakiegoś sygnału sterującego? Albo gdzieś jest uszkodzony rezystor lub kondensator? Co sprawdzić? Ja osobiście obstawiał bym uszkodzony lut pod mostem, ale niestety nie mam maszyny do reballingu BGA, dlatego najpierw chciałbym wykluczyć inne możliwości.
Pod mikroskopem nie widać korozji na elementach smd.

#4 Re: SONY VAIO SVT131A11M - PŁYTA RAZ STARTUJE A RAZ NIE (BRAK OBRAZU)


Vogelek23 2 Серпня 2023, 13:41
arq2002 написав:Kontroler PU4201 przelutowany wraz z całą drobnicą dookoła (lutownicą, nie hotem).
Powinieneś przelutować ten układ hot-airem do całkowitego rozpływu lutowia - lutownicą nie zawsze skutecznie można polutować układ w obudowie QFN, zwłaszcza układ o tej ilości pinów.

#5 Re: SONY VAIO SVT131A11M - PŁYTA RAZ STARTUJE A RAZ NIE (BRAK OBRAZU)


arq2002 2 Серпня 2023, 19:51
Przelutowałem go raczej prawidłowo, robiąc minifalę ze świeżej cyny pb, usuwając na końcu jej nadmiar. Potem sprawdziłem pod mikroskopem. Wszystkie nóżki z eleganckim świeżym lutowiem, bez zwarć.

#6 Re: SONY VAIO SVT131A11M - PŁYTA RAZ STARTUJE A RAZ NIE (BRAK OBRAZU)


Vogelek23 3 Серпня 2023, 10:11
Wymień ten układ na nowy.

#7 Re: SONY VAIO SVT131A11M - PŁYTA RAZ STARTUJE A RAZ NIE (BRAK OBRAZU)


arq2002 4 Серпня 2023, 16:59
Układ wymieniony na nowy. Objawy bez zmian

#8 Re: SONY VAIO SVT131A11M - PŁYTA RAZ STARTUJE A RAZ NIE (BRAK OBRAZU)


matic 14 Серпня 2023, 13:04
Try to reflow the VT1323 chip.

Ця тема позначена як АРХІВНИЙ. Відповідайте лише в тому випадку, якщо ваша відповідь містить рішення проблеми (Правила Форуму, п. 12.1).

Хто зараз онлайн

Зараз переглядають цей форум: Немає зареєстрованих користувачів і 7 гостей

_______________________________
Всі права захищені. Заборонено копіювати будь-який вміст та елементи веб-сайту без дозволу.
Усі торгові марки, назви брендів, продукти чи послуги, опубліковані на цьому веб-сайті, належать їхнім законним власникам і використовувались лише в інформаційних цілях.