#1 Schemat Lenovo IdeaCentre Mini 5 01IMH05 LCFC GQ470 NM‐C901 IQ4X0IL2
Schemat
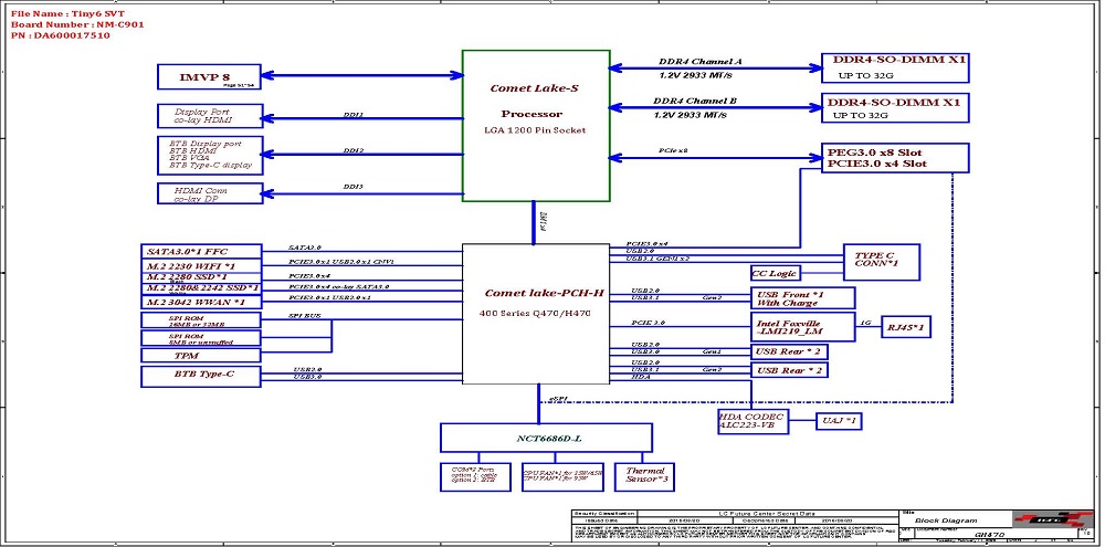
Model: Lenovo IdeaCentre Mini 5 01IMH05
Platforma: LCFC GQ470 NM‐C901 IQ4X0IL2
Rev: 1.0
Za ogled datotek, priloženih tej objavi, morate biti prijavljeni.
Vzdevek:
Google Adsense [BOT]
Re: Schemat Lenovo IdeaCentre Mini 5 01IMH05 LCFC GQ470 NM‐C901 IQ4X0IL2
Napisal/-a Google Adsense [BOT] • 13 Junij 2023, 14:24
#2 Re: Schemat Lenovo IdeaCentre Mini 5 01IMH05 LCFC GQ470 NM‐C901 IQ4X0IL2
Boardview (*.tvw)
Model: Lenovo IdeaCentre Mini 5 01IMH05
Platforma: LCFC GQ470 NM‐C901 IQ4X0IL2
Rev: 1.0
Za ogled datotek, priloženih tej objavi, morate biti prijavljeni.
Vzdevek:
Google Adsense [BOT]
Re: Schemat Lenovo IdeaCentre Mini 5 01IMH05 LCFC GQ470 NM‐C901 IQ4X0IL2
Napisal/-a Google Adsense [BOT] • 27 Junij 2023, 10:24
Kdo je na strani
Po forumu brska: 0 registriranih uporabnikov in 8 gostov
_______________________________
Vse pravice pridržane. Nepooblaščeno kopiranje vsebine te spletne strani ali njenega dela je strogo prepovedano.
Vse blagovne znamke, izdelki ali storitve, objavljene na tej spletni strani, pripadajo njihovim zakonitim lastnikom, so avtorsko zaščitene in se uporabljajo samo v informativne namene.