• Proszę o pomoc w identyfikacji elementu. Płyta: DABKXBMBAD0, Asus FA506

Правила форуму:Натисніть тут для перегляду правил форуму

  1. Назва теми має містити: виробника пристрою, повну модель та короткий опис проблеми.
  2. Пост має містити: код маркування друкованої плати (необхідний у разі ремонту обладнання), розширений опис проблеми, речі, які ви перевірили/замінили/виміряли, ваші висновки та запитання. Якщо ви не можете знайти код маркування друкованої плати, прочитайте ЦЮ ТЕМУ. Якщо ви все ще не можете знайти маркування друкованої плати, завантажте фотографії з високою роздільною здатністю обох сторін друкованої плати - необхідно видалити всі плівки, модулі або кронштейни, які можуть покривати ці позначки.
  3. Перш ніж публікувати нову тему, прочитайте всі теми підфоруму НАВЧАННІ і проведіте попередню діагностику на основі змісту цих тренінгів.
  4. Завантаження будь-яких повних схем, бордвю, файлів БІОС / прошивки або будь-якої іншої документації (або посилань на веб-сайти з такими файлами) СТРОГО ЗАБОРОНЕНО. Ви можете опублікувати лише невелику частину документації або посилання на файл БІОС на підфорумі НЕПЕРЕВІРЕНІ ФАЙЛИ БІОС що спростити діагностику або ремонт. Вам не дозволяється публікувати більше однієї повної сторінки інструкції/схеми на одну тему. Файл, який ви публікуєте, не повинен містити водяних знаків, «конфіденційних» тегів, посилань чи адрес електронної пошти та не може бути захищений паролем.
  5. Дозволено описувати лише один несправний пристрій у одній темі - ви завжди повинні відкривати нову тему для кожного наступного пристрою.
  6. Запит повних схем, бордвю, файлів БІОС або будь-якої іншої документації ЗАБОРОНЕНО на цьому підфорумі. Якщо вам потрібно попросити щось із цього, вам слід відкрити нову тему в підфорумі ЗАПИТ НА ДОКУМЕНТАЦІЮ ТА БІОС.
Ця тема позначена як АРХІВНИЙ. Відповідайте лише в тому випадку, якщо ваша відповідь містить рішення проблеми (Правила Форуму, п. 12.1).

#1 Proszę o pomoc w identyfikacji elementu. Płyta: DABKXBMBAD0, Asus FA506


matrixmm 20 Травня 2023, 11:08
Muszę ze wstydem przyznać się do swojego mistrzostwa :(. Bardzo proszę powstrzymać się od złośliwości. Sam sobie wymierzę karę. :)
Zdjąłem na szybko 4 klucze będąc pewnym, że mam schemat i BV.
Klucze pomierzyłem po czym okazuje się, że nie potrafię zidentyfikować w które miejsce je wlutować z powrotem.
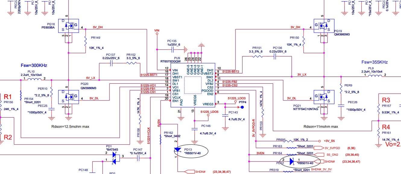
Mam 4 klucze: F1, F2, M1, QM3960M3.
Зображення
Зображення
F1 zidentyfikowałem jako: PE600BA (PQ18). QM3966M3 to PQ20. Niestety Który to PQ19 a który PQ21 niestety nie potrafię znaleźć. PQ19 według BV to 30V 28A a PQ21 to 30V 44A. Niestety nie mam pojęcia jakie to mosfety F1 i F2.
Może ktoś ma taką płytę i zobaczy albo potrafi zidentyfikować mosfety F1 i F2? Domniemam, że to też UNIKC N-Channel ale niestety nie znalazłem niczego co by mnie jakoś naprowadziło.
Będę wdzięczny za wszelką pomoc.

Re: Proszę o pomoc w identyfikacji elementu. Płyta: DABKXBMBAD0, Asus FA506


Google Adsense [BOT] 20 Травня 2023, 11:08

#2 Re: Proszę o pomoc w identyfikacji elementu. Płyta: DABKXBMBAD0, Asus FA506


xamledyD 20 Травня 2023, 12:56
Witam.
F2 to jest PE606BA. Co do M1 niestety nie mogę go zidentyfikować.
Pozdrawiam

#3 Re: Proszę o pomoc w identyfikacji elementu. Płyta: DABKXBMBAD0, Asus FA506


matrixmm 20 Травня 2023, 13:52
xamledyD написав:F2 to jest PE606BA. Co do M1 niestety nie mogę go zidentyfikować.

Rzeczywiście ze zdjęć na aliexpresie wygląda, że F2 to PE606BA. Z datasheetu wyczytałem że to 30V 22A. To mniej niż na BV (PQ19 28A) ale wygląda na to, że to jest PQ19 a M1 to PQ21.

Re: Proszę o pomoc w identyfikacji elementu. Płyta: DABKXBMBAD0, Asus FA506


Google Adsense [BOT] 20 Травня 2023, 13:52
Ця тема позначена як АРХІВНИЙ. Відповідайте лише в тому випадку, якщо ваша відповідь містить рішення проблеми (Правила Форуму, п. 12.1).

Хто зараз онлайн

Зараз переглядають цей форум: Google [Bot] і 11 гостей

_______________________________
Всі права захищені. Заборонено копіювати будь-який вміст та елементи веб-сайту без дозволу.
Усі торгові марки, назви брендів, продукти чи послуги, опубліковані на цьому веб-сайті, належать їхнім законним власникам і використовувались лише в інформаційних цілях.