Pravila foruma: Klikni tukaj za prikaz pravil na forumu
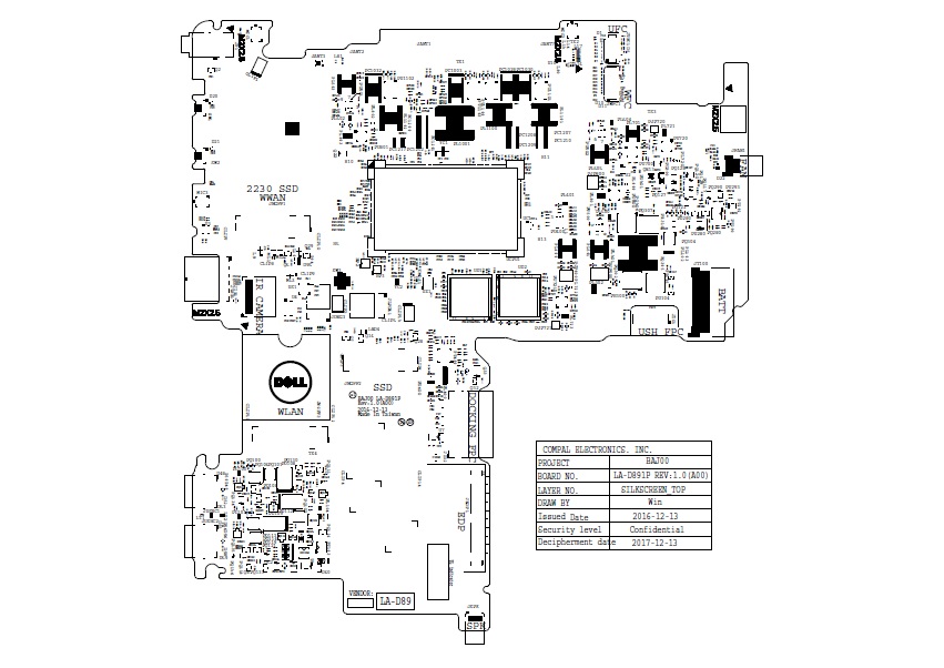
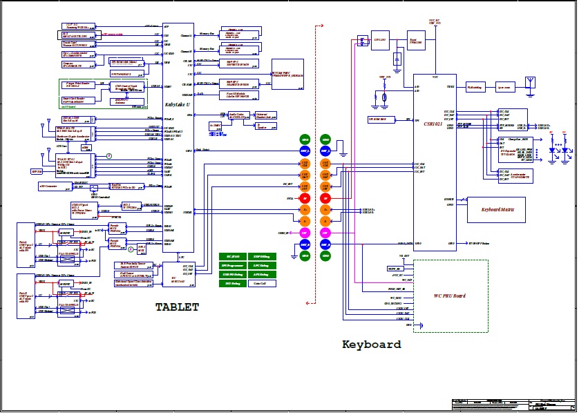
Re: Schemat Dell Latitude 5285 Compal LA-D891P BAJ00
Napisal/-a Google Adsense [BOT] • 26 Julij 2020, 23:14
Re: Schemat Dell Latitude 5285 Compal LA-D891P BAJ00
Napisal/-a Google Adsense [BOT] • 10 Maj 2023, 20:18
Kdo je na strani
Po forumu brska: 0 registriranih uporabnikov in 11 gostov
_______________________________Vse pravice pridržane. Nepooblaščeno kopiranje vsebine te spletne strani ali njenega dela je strogo prepovedano.
Vse blagovne znamke, izdelki ali storitve, objavljene na tej spletni strani, pripadajo njihovim zakonitim lastnikom, so avtorsko zaščitene in se uporabljajo samo v informativne namene.
