#1 Schemat Lenovo IdeaPad Gaming 3 15ARH7 LCFC NM-E481
Schemat
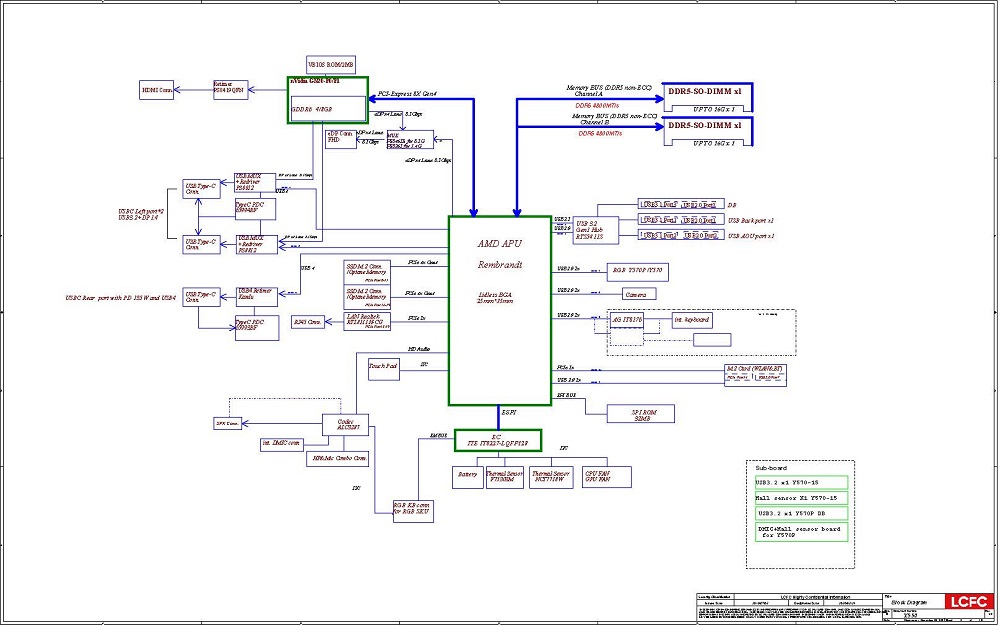
Model: Lenovo IdeaPad Gaming 3 15ARH7
Platforma: LCFC NM-E481
Rev: 0.1(1.0)
Za ogled datotek, priloženih tej objavi, morate biti prijavljeni.
Vzdevek:
Google Adsense [BOT]
Re: Schemat Lenovo IdeaPad Gaming 3 15ARH7 LCFC NM-E481
Napisal/-a Google Adsense [BOT] • 23 April 2023, 22:46
#2 Re: Schemat Lenovo IdeaPad Gaming 3 15ARH7 LCFC NM-E481
Boardview (*.tvw)
Model: Lenovo IdeaPad Gaming 3 15ARH7
Platforma: LCFC NM-E481
Rev: 1.0
Za ogled datotek, priloženih tej objavi, morate biti prijavljeni.
Vzdevek:
Google Adsense [BOT]
Re: Schemat Lenovo IdeaPad Gaming 3 15ARH7 LCFC NM-E481
Napisal/-a Google Adsense [BOT] • 3 Maj 2023, 15:53
Kdo je na strani
Po forumu brska: 0 registriranih uporabnikov in 1 gost
_______________________________
Vse pravice pridržane. Nepooblaščeno kopiranje vsebine te spletne strani ali njenega dela je strogo prepovedano.
Vse blagovne znamke, izdelki ali storitve, objavljene na tej spletni strani, pripadajo njihovim zakonitim lastnikom, so avtorsko zaščitene in se uporabljajo samo v informativne namene.