#1 Lenovo 100-15ibd płyta NM-A681 Rev.1.0 - zasianie się podnosi na 1 sek i wyłącza
kowalcook • 26 Квітня 2023, 13:24
witam, jak w temacie
Laptop podnosi zasilanie na 1 sek po czym się wyłącza.
oznaczenie kodowe procesora sr189 i5 - 4tej generacji
Obecne napięcia 3 i 5v
brak zwarcia na n8 bios
rezystancja cewki pch 135 Ohm
rezystancja procesora 17 Ohm
cewka pamięci w kOhm
po podaniu zasilania pobór 0.01A
po włączeniu skacze na 0,65A po czym się wyłącza i pobór znów spada do 0,01A
bios przeprogramowany- bez rezultatu
pamięci podmienione - bez rezultatu
brak zwarć na kondensatorach lini głównej zasilania, brak zwarć na kluczach (z wyjątkiem pq40) info poniżej
laptop się włącza i na termowizji widać pik na procesor, bo widac że startuje i odrazu się wyłącza.
laptop miał leciutkie ślady podlania, dosłownie osad na kilku kondensatorach i jednej zworce, oraz przy diodzie zasilania.
Wyczyściłem i luty poprawione oraz dokładnie wyczyszczona, po inspekcji pod mikoskopem nie zauważyłem dodatkowych śladów podlania.
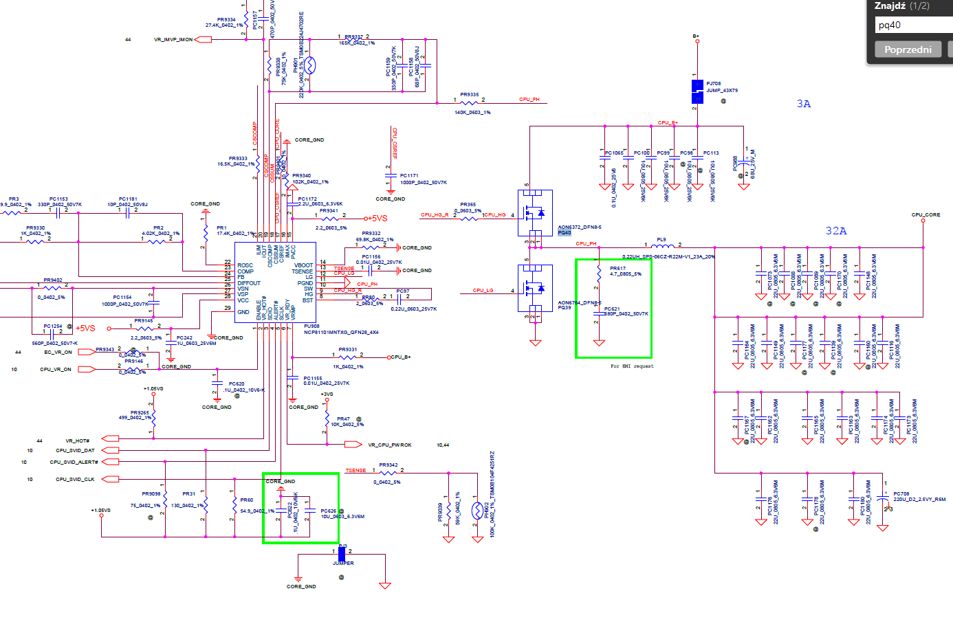
Na PQ40 zauważyłem zwarcie między D a G dla pinów 1-3 a pinem 4 myślałem że jest przebity ale po wymianie na zamiennik wyglądało że zwarcie ustapiło, po czym gdy podałem zasilanie znów jest zwarcie, tak jakby bramka nie została zamknięta. po zdjęciu oryginalnego mosfeta i jego pomiar poza płytą zwarcie ustapiło, po ponownym wlucie oryginalnego mosfeta znów nie było zwarcia rezystancja ponad 200kOhm ale po podaniu zasilania znów na tym elemencie pojawia się zwarcie mięczy 1-3 a 4 nóżką.
Proszę o podpowiedź czy to może być uszkodzona przetwornica procesora ? tam siedzi NCP81101 czy moze probemu szukać gdzie indziej
poniżej podaje kawałek schematu tej okolicy

Laptop podnosi zasilanie na 1 sek po czym się wyłącza.
oznaczenie kodowe procesora sr189 i5 - 4tej generacji
Obecne napięcia 3 i 5v
brak zwarcia na n8 bios
rezystancja cewki pch 135 Ohm
rezystancja procesora 17 Ohm
cewka pamięci w kOhm
po podaniu zasilania pobór 0.01A
po włączeniu skacze na 0,65A po czym się wyłącza i pobór znów spada do 0,01A
bios przeprogramowany- bez rezultatu
pamięci podmienione - bez rezultatu
brak zwarć na kondensatorach lini głównej zasilania, brak zwarć na kluczach (z wyjątkiem pq40) info poniżej
laptop się włącza i na termowizji widać pik na procesor, bo widac że startuje i odrazu się wyłącza.
laptop miał leciutkie ślady podlania, dosłownie osad na kilku kondensatorach i jednej zworce, oraz przy diodzie zasilania.
Wyczyściłem i luty poprawione oraz dokładnie wyczyszczona, po inspekcji pod mikoskopem nie zauważyłem dodatkowych śladów podlania.
Na PQ40 zauważyłem zwarcie między D a G dla pinów 1-3 a pinem 4 myślałem że jest przebity ale po wymianie na zamiennik wyglądało że zwarcie ustapiło, po czym gdy podałem zasilanie znów jest zwarcie, tak jakby bramka nie została zamknięta. po zdjęciu oryginalnego mosfeta i jego pomiar poza płytą zwarcie ustapiło, po ponownym wlucie oryginalnego mosfeta znów nie było zwarcia rezystancja ponad 200kOhm ale po podaniu zasilania znów na tym elemencie pojawia się zwarcie mięczy 1-3 a 4 nóżką.
Proszę o podpowiedź czy to może być uszkodzona przetwornica procesora ? tam siedzi NCP81101 czy moze probemu szukać gdzie indziej
poniżej podaje kawałek schematu tej okolicy
