#1 Schemat Dell Alienware M15 R6 Compal GDP50 LA-K452P
Schemat
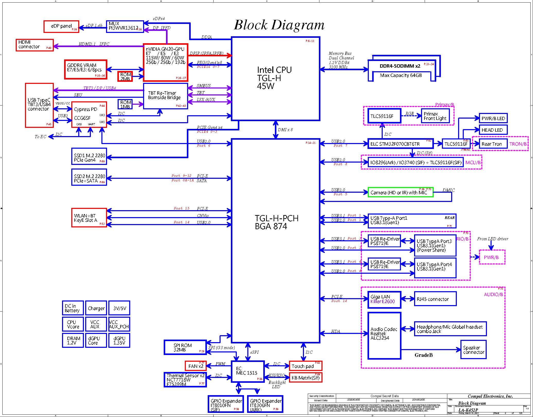
Model: Dell Alienware M15 R6
Platforma: Compal GDP50 LA-K452P
Rev: 1.0
Za ogled datotek, priloženih tej objavi, morate biti prijavljeni.
Vzdevek:
Google Adsense [BOT]
Re: Schemat Dell Alienware M15 R6 Compal GDP50 LA-K452P
Napisal/-a Google Adsense [BOT] • 2 Februar 2023, 12:14
#2 Re: Schemat Dell Alienware M15 R6 Compal GDP50 LA-K452P
BoardView (*.cad)
Model: Dell Alienware M15 R6
Platforma: Compal GDP50 LA-K452P
Rev: 1.0
Za ogled datotek, priloženih tej objavi, morate biti prijavljeni.
Vzdevek:
Google Adsense [BOT]
Re: Schemat Dell Alienware M15 R6 Compal GDP50 LA-K452P
Napisal/-a Google Adsense [BOT] • 24 April 2023, 15:03
Kdo je na strani
Po forumu brska: 0 registriranih uporabnikov in 1 gost
_______________________________
Vse pravice pridržane. Nepooblaščeno kopiranje vsebine te spletne strani ali njenega dela je strogo prepovedano.
Vse blagovne znamke, izdelki ali storitve, objavljene na tej spletni strani, pripadajo njihovim zakonitim lastnikom, so avtorsko zaščitene in se uporabljajo samo v informativne namene.