• Acer nitro 5 AN515-55-56HW LA-K861P Działa tylko z baterii

Правила форуму:Натисніть тут для перегляду правил форуму

  1. Назва теми має містити: виробника пристрою, повну модель та короткий опис проблеми.
  2. Пост має містити: код маркування друкованої плати (необхідний у разі ремонту обладнання), розширений опис проблеми, речі, які ви перевірили/замінили/виміряли, ваші висновки та запитання. Якщо ви не можете знайти код маркування друкованої плати, прочитайте ЦЮ ТЕМУ. Якщо ви все ще не можете знайти маркування друкованої плати, завантажте фотографії з високою роздільною здатністю обох сторін друкованої плати - необхідно видалити всі плівки, модулі або кронштейни, які можуть покривати ці позначки.
  3. Перш ніж публікувати нову тему, прочитайте всі теми підфоруму НАВЧАННІ і проведіте попередню діагностику на основі змісту цих тренінгів.
  4. Завантаження будь-яких повних схем, бордвю, файлів БІОС / прошивки або будь-якої іншої документації (або посилань на веб-сайти з такими файлами) СТРОГО ЗАБОРОНЕНО. Ви можете опублікувати лише невелику частину документації або посилання на файл БІОС на підфорумі НЕПЕРЕВІРЕНІ ФАЙЛИ БІОС що спростити діагностику або ремонт. Вам не дозволяється публікувати більше однієї повної сторінки інструкції/схеми на одну тему. Файл, який ви публікуєте, не повинен містити водяних знаків, «конфіденційних» тегів, посилань чи адрес електронної пошти та не може бути захищений паролем.
  5. Дозволено описувати лише один несправний пристрій у одній темі - ви завжди повинні відкривати нову тему для кожного наступного пристрою.
  6. Запит повних схем, бордвю, файлів БІОС або будь-якої іншої документації ЗАБОРОНЕНО на цьому підфорумі. Якщо вам потрібно попросити щось із цього, вам слід відкрити нову тему в підфорумі ЗАПИТ НА ДОКУМЕНТАЦІЮ ТА БІОС.

#1 Acer nitro 5 AN515-55-56HW LA-K861P Działa tylko z baterii


ksimon 7 Квітня 2023, 12:17
Dzień Dobry. Posiadam Acer nitro 5 AN515-55-56HW LA-K861P
Działa tylko z baterii

Wcześniej był zalany. Metodą próby zwarciowej znalazłem kilka kondensatorów, które miały zwarcie.

Laptop odpalił się, lecz działa tylko na baterii.
Brak sterowania mosfetami PQB3, PQB4

Charger, który tu się znajduje to BQ24781 dostępny z Ali - zamówiłem, ale przyjedzie dopiero za ok 3 tyg.
Posiadam BQ24780s, ale tu chyba nie mogę zastąpić ?

Podaję istotne napięcia przy podłączonej ładowarce i baterii:
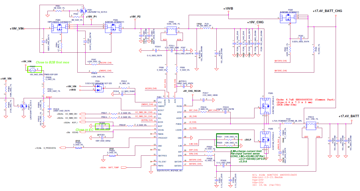
PUB1
1-16V
2-16V
3-0,4V
4-0,2V
5-0V
6-2,6V
15-0,1V
17-16V
18-22,1V
19-16V
20-16V
24-0,8V
25-0V
28-19,2V

PQB3
1-0,4V
4-0,3V
5-19,9V

PQB4
1-0,4V
4-0,3V
5-16V

napięcia do masy na wszystkich stykach złącza akumulatora z podłączonym akumulatorem i bez niego.
Z PODŁĄCZONYM AKUMULATOREM
PIN 1 - GND
PIN 2 - GND
PIN 3 - 3,28V
PIN 4 - 3,28V
PIN 5 - 0,15V
PIN 6 - 0,00V
PIN 7 - 16V
PIN 8 - 16V

BEZ PODŁĄCZONEGO AKUMULATORA
PIN 1 - GND
PIN 2 - GND
PIN 3 - 3,29V
PIN 4 - 3,29V
PIN 5 - 3,23V
PIN 6 - 0,01V
PIN 7 - 0,22V
PIN 8 - 0,22V

Proszę o pomoc.

Зображення

Re: Acer nitro 5 AN515-55-56HW LA-K861P Działa tylko z baterii


Google Adsense [BOT] 7 Квітня 2023, 12:17

#2 Re: Acer nitro 5 AN515-55-56HW LA-K861P Działa tylko z baterii


matic 7 Квітня 2023, 14:02
ksimon написав:Posiadam BQ24780s, ale tu chyba nie mogę zastąpić ?
Hello!
Yes, you can replace the charger chip with BQ24780S.

Measure the resistance to ground on pin 24 of charger chip. If the resistance is high (in kΩ range or greater), replace the charger chip.

#3 Re: Acer nitro 5 AN515-55-56HW LA-K861P Działa tylko z baterii


ksimon 11 Квітня 2023, 11:06
Rezystancja do masy na 24 nóżce chargera wynosi 156 Ohm

#4 Re: Acer nitro 5 AN515-55-56HW LA-K861P Działa tylko z baterii  [РІШЕНО]


matic 11 Квітня 2023, 11:20
This resistance is too low.

Remove the capacitor PCB17 from the board and remeasure the resistance to ground on pin 24 of charger chip.
If the resistance will significantly increase (into the kΩ range or greater), the capacitor PCB17 is damaged, otherwise the charger chip is damaged.

#5 Re: Acer nitro 5 AN515-55-56HW LA-K861P Działa tylko z baterii


ksimon 14 Квітня 2023, 07:02
Świetnie. Działa. Dziękuję.
Po wymontowaniu kondensatora rezystancja nie wzrosła i była na poziomie 160 Ohm, wiec wymieniłem charger na BQ24780S, czyli o innym oznaczeniu niż oryginalny. Po wymianie wróciło ładowanie baterii i działanie laptopa z zasilacza.
Dziękuję.

Re: Acer nitro 5 AN515-55-56HW LA-K861P Działa tylko z baterii


Google Adsense [BOT] 14 Квітня 2023, 07:02

Хто зараз онлайн

Зараз переглядають цей форум: Немає зареєстрованих користувачів і 6 гостей

_______________________________
Всі права захищені. Заборонено копіювати будь-який вміст та елементи веб-сайту без дозволу.
Усі торгові марки, назви брендів, продукти чи послуги, опубліковані на цьому веб-сайті, належать їхнім законним власникам і використовувались лише в інформаційних цілях.