#1 Schemat Asus G512LV G512LWS G532LWS G712LWS G732LWS
Napisal/-a
Vogelek23 •
27 December 2021, 17:19
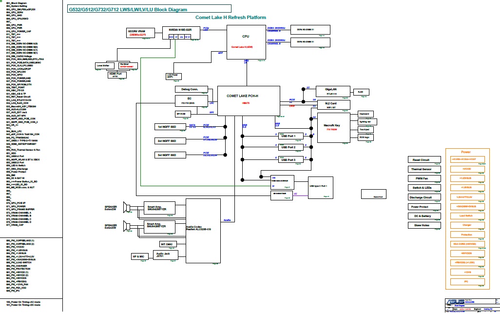
SCHEMAT + BOARDVIEW (*.pdf)Model: Asus G512LV G512LWS G532LWS G712LWS G732LWS
Platforma: G532LWS
Rev: R1.1

Za ogled datotek, priloženih tej objavi, morate biti prijavljeni.
Vzdevek:
Google Adsense [BOT]
Re: Schemat Asus G512LV G512LWS G532LWS G712LWS G732LWS
Napisal/-a Google Adsense [BOT] • 27 December 2021, 17:19
#2 Re: Schemat Asus G512LV G512LWS G532LWS G712LWS G732LWS
BOARDVIEW (*.fz)
Model: Asus G512LV, G512LWS, G532LWS, G712LWS, G732LWS
Platforma: G532LWS
Za ogled datotek, priloženih tej objavi, morate biti prijavljeni.
Vzdevek:
Google Adsense [BOT]
Re: Schemat Asus G512LV G512LWS G532LWS G712LWS G732LWS
Napisal/-a Google Adsense [BOT] • 25 Marec 2023, 09:53
Kdo je na strani
Po forumu brska: 0 registriranih uporabnikov in 7 gostov
_______________________________
Vse pravice pridržane. Nepooblaščeno kopiranje vsebine te spletne strani ali njenega dela je strogo prepovedano.
Vse blagovne znamke, izdelki ali storitve, objavljene na tej spletni strani, pripadajo njihovim zakonitim lastnikom, so avtorsko zaščitene in se uporabljajo samo v informativne namene.