Danes je 2 Februar 2026, 10:16
#1 Schemat Apple iMac A1195 17" 2006 M50 820-1960 051-7032 051-7199 VALLCO
Napisal/-a
Vogelek23 •
13 September 2010, 18:45
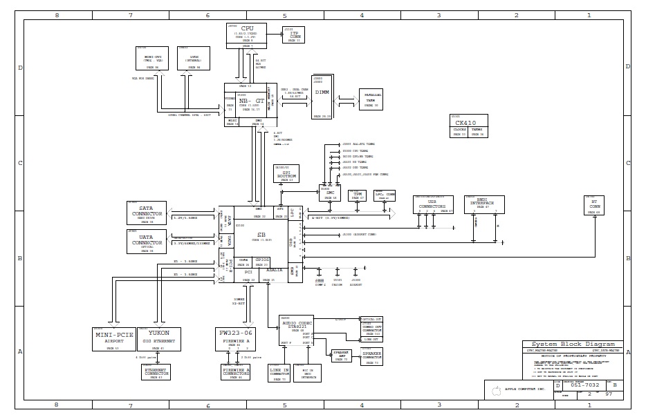
SCHEMAT
Model: Apple iMac A1195 17" 2006
Platforma: M50 820-1960 (SCH: 051-7032) VALLCO
Rev: A
Za ogled datotek, priloženih tej objavi, morate biti prijavljeni.
Vzdevek:
Google Adsense [BOT]
Re: Schemat Apple iMac A1195 17" 2006 M50 820-1960 051-7032 051-7199 VALLCO
Napisal/-a Google Adsense [BOT] • 13 September 2010, 18:45
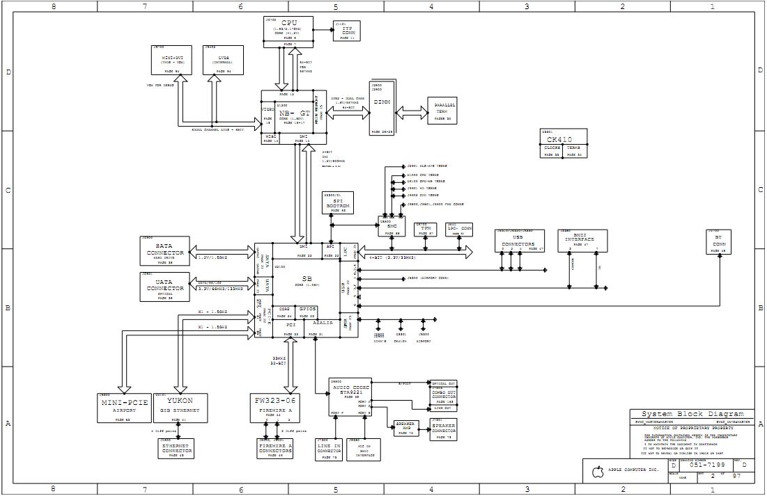
#2 Re: Schemat Apple iMac A1195 17" 2006 M50 820-1960 051-7032 051-7199 VALLCO
SCHEMAT
Model: Apple iMac A1195 17" 2006
Platforma: M50 820-1960 (SCH: 051-7199) VALLCO
Rev: D
Za ogled datotek, priloženih tej objavi, morate biti prijavljeni.
#3 Re: Schemat Apple iMac A1195 17" 2006 M50 820-1960 051-7032 051-7199 VALLCO
Napisal/-a
Vogelek23 •
12 Oktober 2011, 08:26
BOARDVIEW (*.bv)
Model: Apple iMac A1195 17" 2006
Platforma: M50 820-1960
Rev: A (PVT)
Za ogled datotek, priloženih tej objavi, morate biti prijavljeni.
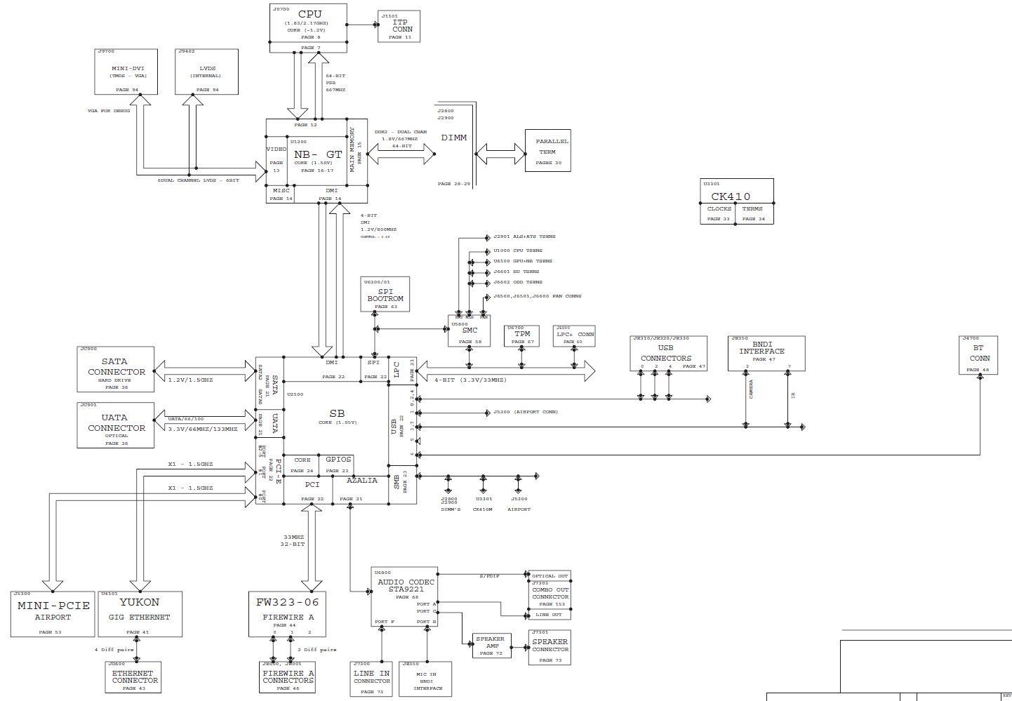
#4 Re: Schemat Apple iMac A1195 17" 2006 M50 820-1960 051-7032 051-7199 VALLCO
Napisal/-a
Vogelek23 •
15 Oktober 2011, 20:37
SCHEMAT
Model: Apple iMac A1195 17" 2006
Platforma: M50 820-1960 (SCH: 051-7032) VALLCO
Rev: C (DVT)
Za ogled datotek, priloženih tej objavi, morate biti prijavljeni.
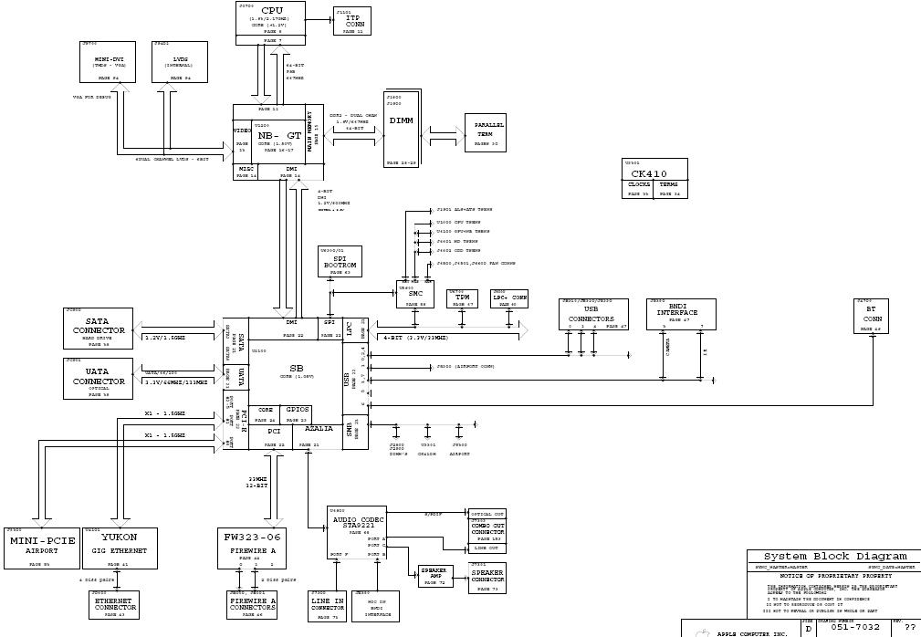
#5 Re: Schemat Apple iMac A1195 17" 2006 M50 820-1960 051-7032 051-7199 VALLCO
Napisal/-a
Vogelek23 •
17 Oktober 2011, 02:07
SCHEMAT
Model: Apple iMac A1195 17" 2006
Platforma: M50 820-1960 (SCH: 051-7032) VALLCO
Rev: B (PVT)
Za ogled datotek, priloženih tej objavi, morate biti prijavljeni.
#6 Re: Schemat Apple iMac A1195 17" 2006 M50 820-1960 051-7032 051-7199 VALLCO
Napisal/-a
Vogelek23 •
18 December 2011, 02:21
SCHEMAT
Model: Apple iMac A1195 17" 2006
Platforma: M50 820-1960 (SCH: 051-7199) VALLCO
Rev: A
Za ogled datotek, priloženih tej objavi, morate biti prijavljeni.
#7 Re: Schemat Apple iMac A1195 17" 2006 M50 820-1960 051-7032 051-7199 VALLCO
Napisal/-a
Vogelek23 •
26 Februar 2023, 03:06
BOARDVIEW (*.bv)
Model: Apple iMac A1195 17" 2006
Platforma: M50 820-1960
Rev: D (DVT)
Za ogled datotek, priloženih tej objavi, morate biti prijavljeni.
#8 Re: Schemat Apple iMac A1195 17" 2006 M50 820-1960 051-7032 051-7199 VALLCO
Napisal/-a
Vogelek23 •
26 Februar 2023, 03:09
BILL OF MATERIALS
Model: Apple iMac A1195 17" 2006
Platforma: M50 820-1960
Rev: D (DVT)
Za ogled datotek, priloženih tej objavi, morate biti prijavljeni.
Kdo je na strani
Po forumu brska: 0 registriranih uporabnikov in 5 gostov
_______________________________
Vse pravice pridržane. Nepooblaščeno kopiranje vsebine te spletne strani ali njenega dela je strogo prepovedano.
Vse blagovne znamke, izdelki ali storitve, objavljene na tej spletni strani, pripadajo njihovim zakonitim lastnikom, so avtorsko zaščitene in se uporabljajo samo v informativne namene.