#1 Lenovo ThinkPad T460P NM-A611 - nie włącza wejściowego tranzystora
bumper1 • 25 Листопада 2022, 17:29
Lenovo T460P
BT463 NM-A611
SR2C3, N16S-GTR-S-A2
MEC1653-BA1, BD4178GSW
Przy podpinaniu gołej płyty do zasilacza serwisowego (kablem z zasilacza 90W) jest na sekundę skok w okolice 0,3 A i spada do 0,03 A.
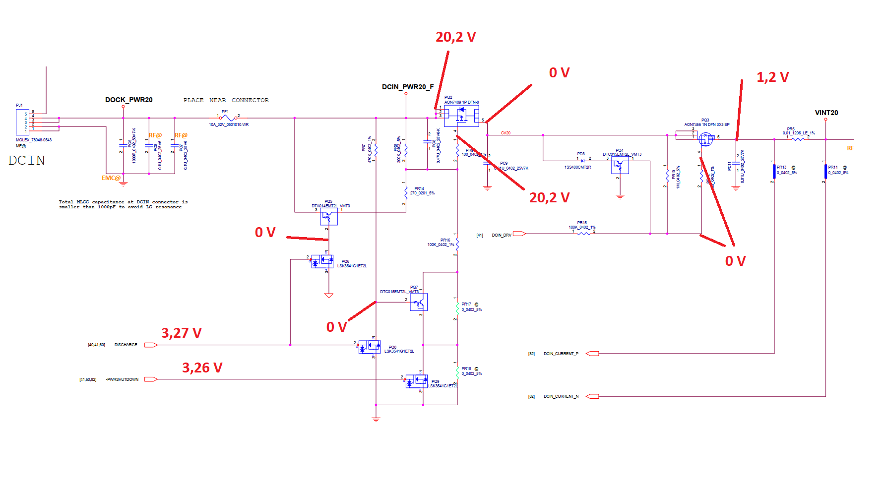
Brak reakcji na włącznik. PQ2, PQ3 nie są przebite. Nie załącza PQ2. Za PQ2 jest 1,3 MΩ do masy, za PQ3 jest około 200 kΩ.
Pomiary na oryginalnym zasilaczu 6,75A. ACDC_ID = 0,88 V; ALE CZY TO JUŻ JEST MIERZONE SKORO VCC3M NIE JEST WŁĄCZONE?


Inne pomiary:
PL201 (VCC3M)= 6,7 kΩ; 0,6 V (OBNIŻONE BO BRAK ZASILANIA VINT20)
PL202 (VCC5M)= 55 kΩ; 1,55 V
PL301 (DDR) = 31 Ω
PL701 = 45 Ω
PL740= 47 Ω
PL411(VCCGFXCORE)= 4,3 Ω
PL415= 4,3 Ω
PL404= 3,5 Ω
PL417= 16,5 Ω
PL603, PL606= 13,5 Ω
PL780= 48 kΩ
Piny LDO w PU201 i PU202 mają po około 1MΩ do masy.
Wydaje mi się, że powodem niezałączania PQ2 jest sygnał DISCHARGE NA POZIOMIE 3,3 V.
RT4101 od strony układu UE4001 ma 3,55 kΩ do masy, wydaje się prawidłowo.
RE4104 || RE4103 mają razem 10Ω, za nimi 19,5 V.
Chyba tylko charger i UE4001 są zasilane na tym etapie. CHG_PROCHOT nie powinno być koło 3V?
BT463 NM-A611
SR2C3, N16S-GTR-S-A2
MEC1653-BA1, BD4178GSW
Przy podpinaniu gołej płyty do zasilacza serwisowego (kablem z zasilacza 90W) jest na sekundę skok w okolice 0,3 A i spada do 0,03 A.
Brak reakcji na włącznik. PQ2, PQ3 nie są przebite. Nie załącza PQ2. Za PQ2 jest 1,3 MΩ do masy, za PQ3 jest około 200 kΩ.
Pomiary na oryginalnym zasilaczu 6,75A. ACDC_ID = 0,88 V; ALE CZY TO JUŻ JEST MIERZONE SKORO VCC3M NIE JEST WŁĄCZONE?
Inne pomiary:
PL201 (VCC3M)= 6,7 kΩ; 0,6 V (OBNIŻONE BO BRAK ZASILANIA VINT20)
PL202 (VCC5M)= 55 kΩ; 1,55 V
PL301 (DDR) = 31 Ω
PL701 = 45 Ω
PL740= 47 Ω
PL411(VCCGFXCORE)= 4,3 Ω
PL415= 4,3 Ω
PL404= 3,5 Ω
PL417= 16,5 Ω
PL603, PL606= 13,5 Ω
PL780= 48 kΩ
Piny LDO w PU201 i PU202 mają po około 1MΩ do masy.
Wydaje mi się, że powodem niezałączania PQ2 jest sygnał DISCHARGE NA POZIOMIE 3,3 V.
RT4101 od strony układu UE4001 ma 3,55 kΩ do masy, wydaje się prawidłowo.
RE4104 || RE4103 mają razem 10Ω, za nimi 19,5 V.
Chyba tylko charger i UE4001 są zasilane na tym etapie. CHG_PROCHOT nie powinno być koło 3V?
