Pravila foruma: Klikni tukaj za prikaz pravil na forumu
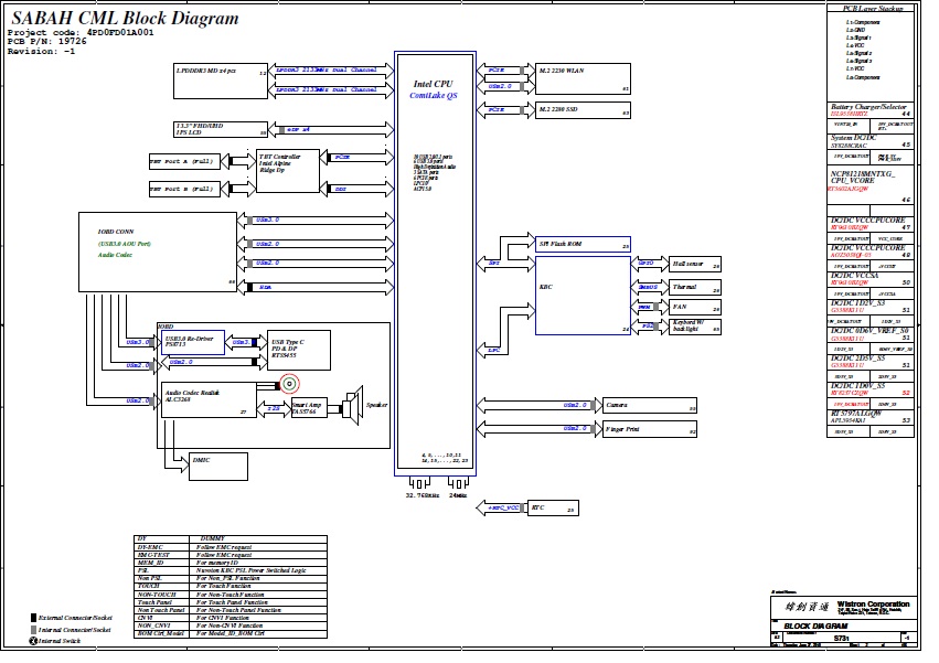
Re: Schemat Lenovo Yoga S730-13IML Wistron LS731 19726
Napisal/-a Google Adsense [BOT] • 9 November 2022, 21:53
Kdo je na strani
Po forumu brska: 0 registriranih uporabnikov in 6 gostov
_______________________________Vse pravice pridržane. Nepooblaščeno kopiranje vsebine te spletne strani ali njenega dela je strogo prepovedano.
Vse blagovne znamke, izdelki ali storitve, objavljene na tej spletni strani, pripadajo njihovim zakonitim lastnikom, so avtorsko zaščitene in se uporabljajo samo v informativne namene.
