Pravila foruma: Klikni tukaj za prikaz pravil na forumu
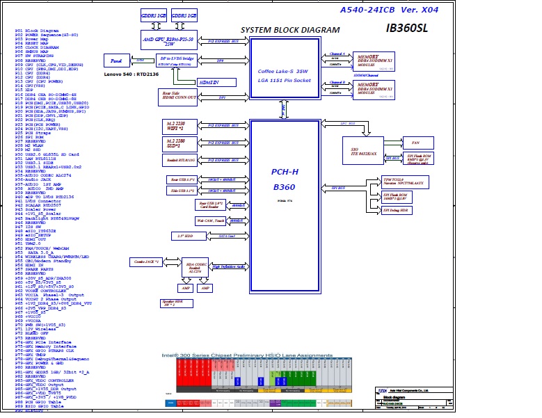
Re: Schemat Lenovo IdeaCentre A540-24ICB LCFC IB360SL NM-C231
Napisal/-a Google Adsense [BOT] • 26 September 2022, 15:54
Kdo je na strani
Po forumu brska: 0 registriranih uporabnikov in 2 gostov
_______________________________Vse pravice pridržane. Nepooblaščeno kopiranje vsebine te spletne strani ali njenega dela je strogo prepovedano.
Vse blagovne znamke, izdelki ali storitve, objavljene na tej spletni strani, pripadajo njihovim zakonitim lastnikom, so avtorsko zaščitene in se uporabljajo samo v informativne namene.
