#1 Schemat Dell Alienware 18 M18X Compal VAS10 LA-9332P VIKING 18
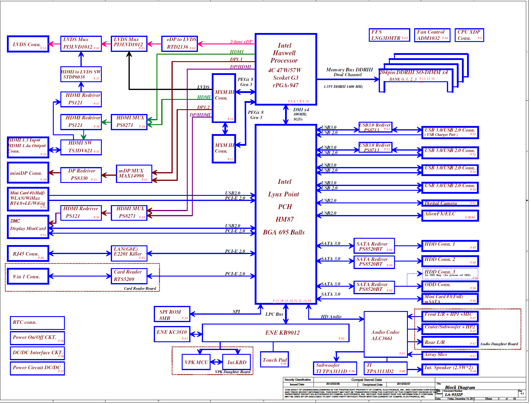
SCHEMATModel: Dell Alienware 18 M18X
Platforma: Compal VAS10 LA-9332P VIKING 18
Rev: 0.1 (Dell: X02)
Za ogled datotek, priloženih tej objavi, morate biti prijavljeni.
Vzdevek:
Google Adsense [BOT]
Re: Schemat Dell Alienware 18 M18X Compal VAS10 LA-9332P VIKING 18
Napisal/-a Google Adsense [BOT] • 8 April 2013, 20:30
#2 Re: Schemat Dell Alienware 18 M18X Compal VAS10 LA-9332P VIKING 18
MAIN BOARD PHOTOS (UHD quality)
Model: Dell Alienware 18
Platforma: LA-9332P VAS10 REV 1.0

Za ogled datotek, priloženih tej objavi, morate biti prijavljeni.
#3 Re: Schemat Dell Alienware 18 M18X Compal VAS10 LA-9332P VIKING 18
Napisal/-a
Vogelek23 •
22 September 2022, 16:09
Boardview (*.brd) Allegro
Model: Dell Alienware 18 M18X
Platforma: Compal VAS10 LA-9332P
Rev: 1.0(A00)
Za ogled datotek, priloženih tej objavi, morate biti prijavljeni.
Vzdevek:
Google Adsense [BOT]
Re: Schemat Dell Alienware 18 M18X Compal VAS10 LA-9332P VIKING 18
Napisal/-a Google Adsense [BOT] • 22 September 2022, 16:09
Kdo je na strani
Po forumu brska: 0 registriranih uporabnikov in 4 gostov
_______________________________
Vse pravice pridržane. Nepooblaščeno kopiranje vsebine te spletne strani ali njenega dela je strogo prepovedano.
Vse blagovne znamke, izdelki ali storitve, objavljene na tej spletni strani, pripadajo njihovim zakonitim lastnikom, so avtorsko zaščitene in se uporabljajo samo v informativne namene.