• Schemat Microsoft Surface Book 2 M1031783-004

#1 Schemat Microsoft Surface Book 2 M1031783-004


Napisal/-a Vogelek23 21 Avgust 2022, 18:07
Schemat + Boardview (*.asc)
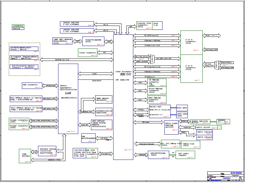
Model: Microsoft Surface Book 2
Platforma: M1031783-004 / CHARIOT
Rev: 1.00 August 03, 2017

Slika
Slika



Za ogled datotek, priloženih tej objavi, morate biti prijavljeni.

Re: Schemat Microsoft Surface Book 2 M1031783-004


Napisal/-a Google Adsense [BOT] 21 Avgust 2022, 18:07

Kdo je na strani

Po forumu brska: 0 registriranih uporabnikov in 3 gostov

_______________________________
Vse pravice pridržane. Nepooblaščeno kopiranje vsebine te spletne strani ali njenega dela je strogo prepovedano.
Vse blagovne znamke, izdelki ali storitve, objavljene na tej spletni strani, pripadajo njihovim zakonitim lastnikom, so avtorsko zaščitene in se uporabljajo samo v informativne namene.