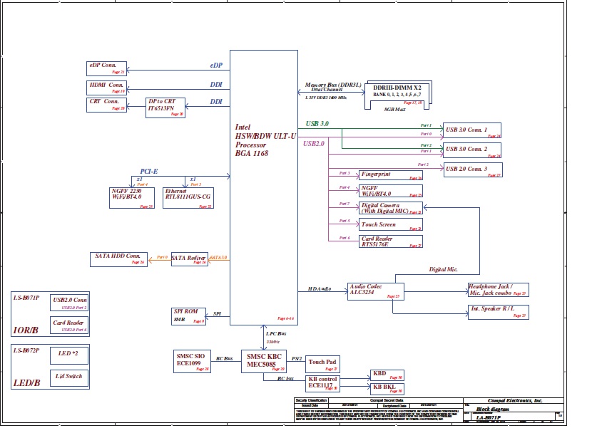
#1 Schemat Dell Latitude 3550 Compal ZAL50 ZAL51 ZAL60 ZAL61 LA-B071P LA-B072P
Napisal/-a
koleg555 •
24 November 2017, 16:50
SCHEMATModel: Dell Latitude 3550
Platforma: Compal ZAL50/51/60/61 LA-B072P
Rev: 0.1(A)
Za ogled datotek, priloženih tej objavi, morate biti prijavljeni.
Vzdevek:
Google Adsense [BOT]
Re: Schemat Dell Latitude 3550 Compal ZAL50 ZAL51 ZAL60 ZAL61 LA-B071P LA-B072P
Napisal/-a Google Adsense [BOT] • 24 November 2017, 16:50
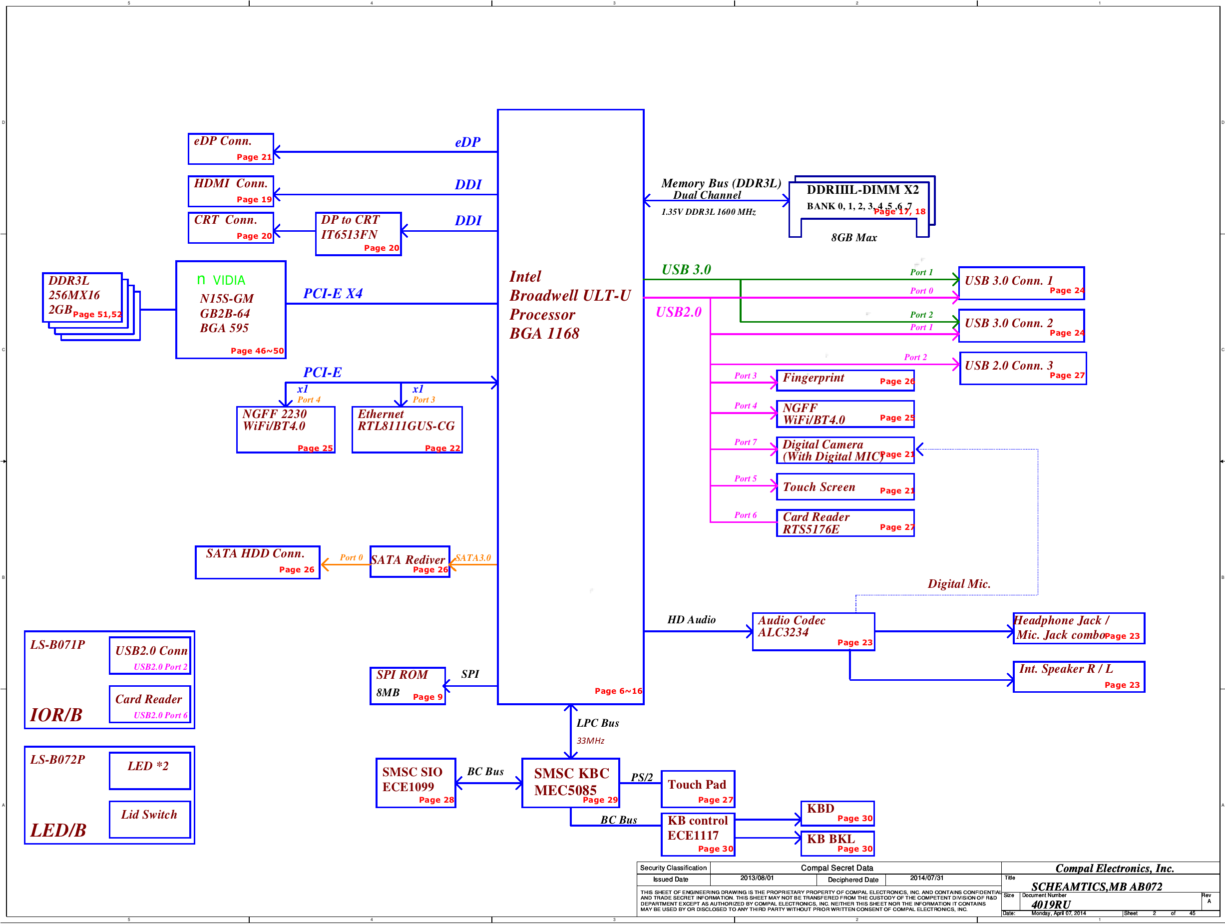
#2 Re: Schemat Dell Latitude 3550 Compal ZAL50 ZAL51 ZAL60 ZAL61 LA-B071P LA-B072P
Napisal/-a
Vogelek23 •
4 December 2020, 19:34
COMPONENT FINDER (*.pdf) + BOARDVIEW (*.brd) Allegro 16,6Model: Dell Latitude 3550
Platforma: Compal ZAL50/51/60/61 LA-B072P
Rev: 0.4(X03)

Za ogled datotek, priloženih tej objavi, morate biti prijavljeni.
#3 Re: Schemat Dell Latitude 3550 Compal ZAL50 ZAL51 ZAL60 ZAL61 LA-B071P LA-B072P
BOARDVIEW (*.cad)Model: Dell Latitude 3550
Platforma: Compal ZAL50/51/60/61 LA-B071P
Rev: 0.4
Za ogled datotek, priloženih tej objavi, morate biti prijavljeni.
#4 Re: Schemat Dell Latitude 3550 Compal LA-B072P ZAL50 ZAL60
SCHEMAT + BOARDVIEW (*.brd) Allegro 16,6Model: Dell Latitude 3550
Platforma: Compal ZAL50/51/60/61 LA-B071P
Rev: 1.0(A00)

Za ogled datotek, priloženih tej objavi, morate biti prijavljeni.
Vzdevek:
Google Adsense [BOT]
Re: Schemat Dell Latitude 3550 Compal LA-B072P ZAL50 ZAL60
Napisal/-a Google Adsense [BOT] • 27 Marec 2022, 13:08
Kdo je na strani
Po forumu brska: 0 registriranih uporabnikov in 1 gost
_______________________________
Vse pravice pridržane. Nepooblaščeno kopiranje vsebine te spletne strani ali njenega dela je strogo prepovedano.
Vse blagovne znamke, izdelki ali storitve, objavljene na tej spletni strani, pripadajo njihovim zakonitim lastnikom, so avtorsko zaščitene in se uporabljajo samo v informativne namene.