• Schemat Acer Spin SP513-41N Wistron Milgauss_CA 203120

#1 Schemat Acer Spin SP513-41N Wistron Milgauss_CA 203120


Napisal/-a Vogelek23 26 Februar 2022, 14:39
Schemat + Boardview (*.gr)
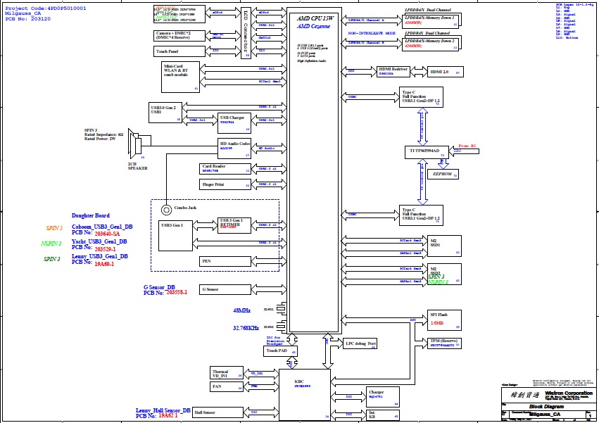
Model: Acer Spin SP513-41N
Platforma: Wistron Milgauss_CA 203120-1 / Lenny / Yacht / Milgauss
Rev: 1

Slika
Slika



Za ogled datotek, priloženih tej objavi, morate biti prijavljeni.

Re: Schemat Acer Spin SP513-41N Wistron Milgauss_CA 203120


Napisal/-a Google Adsense [BOT] 26 Februar 2022, 14:39

Kdo je na strani

Po forumu brska: 0 registriranih uporabnikov in 7 gostov

_______________________________
Vse pravice pridržane. Nepooblaščeno kopiranje vsebine te spletne strani ali njenega dela je strogo prepovedano.
Vse blagovne znamke, izdelki ali storitve, objavljene na tej spletni strani, pripadajo njihovim zakonitim lastnikom, so avtorsko zaščitene in se uporabljajo samo v informativne namene.