#1 Schemat Lenovo IdeaPad 710s-13isk Wistron LS710 15238
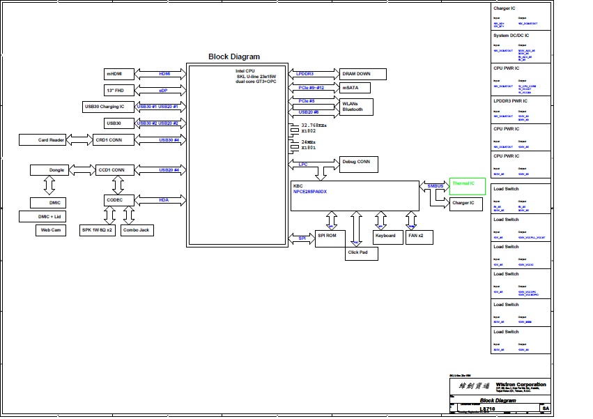
SchematModel: Lenovo IdeaPad 710s-13iskPlatforma: Wistron LS710 15238-1Rev: SA September 01, 2015
Za ogled datotek, priloženih tej objavi, morate biti prijavljeni.
Vzdevek:
Google Adsense [BOT]
Re: Schemat Lenovo IdeaPad 710s-13isk Wistron LS710 15238
Napisal/-a Google Adsense [BOT] • 28 Marec 2021, 20:21
#2 Re: Schemat Lenovo IdeaPad 710s-13isk Wistron LS710 15238
Boardview (*.brd)Model: Lenovo IdeaPad 710s-13iskPlatforma: Wistron LS710 15238-1
Za ogled datotek, priloženih tej objavi, morate biti prijavljeni.
#3 Re: Schemat Lenovo IdeaPad 710s-13isk Wistron LS710 15238
Napisal/-a
Vogelek23 •
13 Februar 2022, 22:19
SCHEMAT (Daughter Boards)
Model: Lenovo IdeaPad 710s-13isk
1. Wistron LS710 CARD READER BD Rev: SA
2. Wistron LS710 DONGLE BD Rev: SA
3. Wistron LS710 MIC BD Rev: SA
4. Wistron LS710 SENSOR BD Rev: SA
Za ogled datotek, priloženih tej objavi, morate biti prijavljeni.
Vzdevek:
Google Adsense [BOT]
Re: Schemat Lenovo IdeaPad 710s-13isk Wistron LS710 15238
Napisal/-a Google Adsense [BOT] • 13 Februar 2022, 22:19
Kdo je na strani
Po forumu brska: 0 registriranih uporabnikov in 4 gostov
_______________________________
Vse pravice pridržane. Nepooblaščeno kopiranje vsebine te spletne strani ali njenega dela je strogo prepovedano.
Vse blagovne znamke, izdelki ali storitve, objavljene na tej spletni strani, pripadajo njihovim zakonitim lastnikom, so avtorsko zaščitene in se uporabljajo samo v informativne namene.