#1 Schemat Dell Precision 7710 Compal LA-C541P AAPA0 LA-C551P AAPB0 MIRAMAR 15
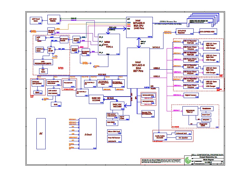
SchematModel: Dell Precision 7710Platforma: Compal LA-C541P AAPA0 MIRAMAR 15"Rev: 1.0 (A00) 08.17.2015
Za ogled datotek, priloženih tej objavi, morate biti prijavljeni.
Vzdevek:
Google Adsense [BOT]
Re: Schemat Dell Precision 7710 Compal LA-C541P AAPA0 LA-C551P AAPB0 MIRAMAR 15
Napisal/-a Google Adsense [BOT] • 3 April 2019, 15:36
#2 Re: Schemat Dell Precision 7710 Compal LA-C541P AAPA0 LA-C551P AAPB0 MIRAMAR 15
Napisal/-a
Vogelek23 •
13 December 2020, 00:28
SchematModel: Dell Precision 7710Platforma: Compal LA-C551P AAPB0 MIRAMAR17 Rev: 1.0(A00) 2015-08-18
Za ogled datotek, priloženih tej objavi, morate biti prijavljeni.
#3 Re: Schemat Dell Precision 7710 Compal LA-C541P AAPA0 LA-C551P AAPB0 MIRAMAR 15
Napisal/-a
matic •
1 Januar 2021, 11:30
BoardView (*.brd) Allegro 16.6
Model: Dell Precision 7510, Precision 7710
Motherboard: Compal LA-C541P AAPA0
Revision: 1.0 (A00)
Za ogled datotek, priloženih tej objavi, morate biti prijavljeni.
#4 Re: Schemat Dell Precision 7710 Compal LA-C541P AAPA0 LA-C551P AAPB0 MIRAMAR 15
Boardview (*.cad)Model: Dell Precision 7710Platforma: Compal LA-C551P AAPB0Rev: 1.0(A00)
Za ogled datotek, priloženih tej objavi, morate biti prijavljeni.
#5 Re: Schemat Dell Precision 7710 Compal LA-C541P AAPA0 LA-C551P AAPB0 MIRAMAR 15
Napisal/-a
Vogelek23 •
19 September 2021, 11:03
BoardView (*.cad)
Model: Dell Precision 7510, Precision 7710
Platforma: Compal LA-C541P AAPA0
Rev: 1.0(A00) 
Za ogled datotek, priloženih tej objavi, morate biti prijavljeni.
#6 Re: Schemat Dell Precision 7710 Compal LA-C541P AAPA0 LA-C551P AAPB0 MIRAMAR 15
Napisal/-a
Vogelek23 •
27 September 2021, 21:28
Component Finder (*.pdf)
Model: Dell Precision 7510, Precision 7710
Motherboard: Compal LA-C541P AAPA0
Revision: 1.0 (A00)
Za ogled datotek, priloženih tej objavi, morate biti prijavljeni.
Vzdevek:
Google Adsense [BOT]
Re: Schemat Dell Precision 7710 Compal LA-C541P AAPA0 LA-C551P AAPB0 MIRAMAR 15
Napisal/-a Google Adsense [BOT] • 27 September 2021, 21:28
Kdo je na strani
Po forumu brska: 0 registriranih uporabnikov in 2 gostov
_______________________________
Vse pravice pridržane. Nepooblaščeno kopiranje vsebine te spletne strani ali njenega dela je strogo prepovedano.
Vse blagovne znamke, izdelki ali storitve, objavljene na tej spletni strani, pripadajo njihovim zakonitim lastnikom, so avtorsko zaščitene in se uporabljajo samo v informativne namene.