#1 Schemat Acer ChromeBook CB315-2H Quanta ZAD DA0ZADMB8H0
SchematModel: Acer ChromeBook CB315-2H
Platforma: Quanta ZAD DA0ZADMB8H0 (GRUNT)
Rev: 2A 11.14.2018
Za ogled datotek, priloženih tej objavi, morate biti prijavljeni.
Vzdevek:
Google Adsense [BOT]
Re: Schemat Acer ChromeBook CB315-2H Quanta ZAD DA0ZADMB8H0
Napisal/-a Google Adsense [BOT] • 23 April 2019, 09:56
#2 Re: Schemat Acer ChromeBook CB315-2H Quanta ZAD DA0ZADMB8H0
MAIN BOARD PHOTOS (UHD quality)
Model: Acer ChromeBook CB315-2H
Platforma: Quanta ZAD DA0ZADMB8H0 Rev.H
Za ogled datotek, priloženih tej objavi, morate biti prijavljeni.
#3 Re: Schemat Acer ChromeBook CB315-2H Quanta ZAD DA0ZADMB8H0
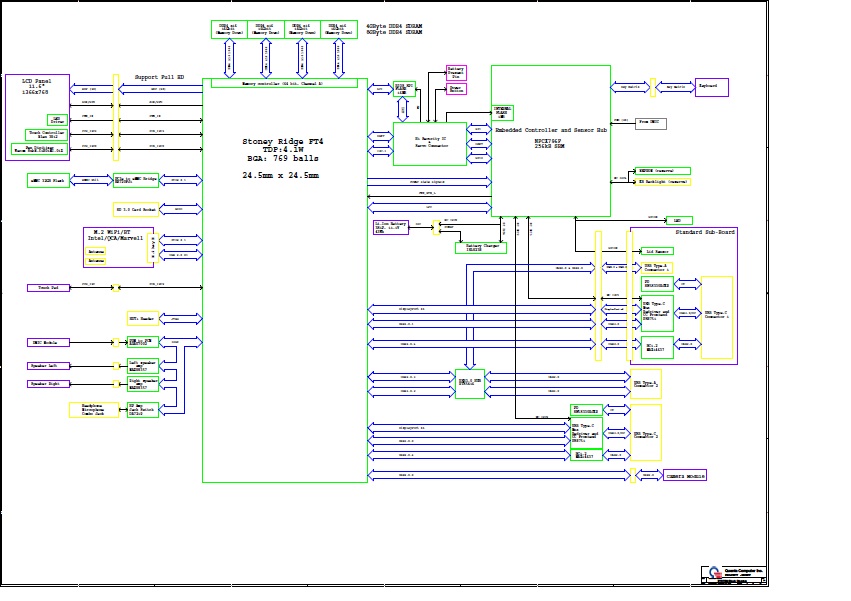
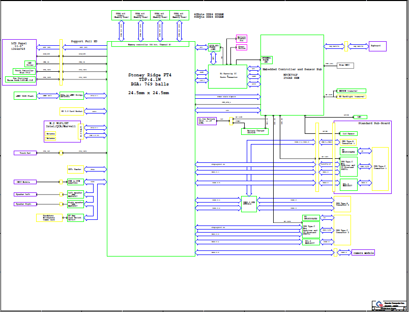
SCHEMAT
Model: Acer ChromeBook CB315-2H
Platforma: Quanta ZAD GRUNT OvideoA_AMD DA0ZADMB8H0 REV 2A
Data: January 04, 2019
Za ogled datotek, priloženih tej objavi, morate biti prijavljeni.
#4 Re: Schemat Acer ChromeBook CB315-2H Quanta ZAD DA0ZADMB8H0
Napisal/-a
Vogelek23 •
10 September 2021, 21:53
Boardview (*.brd) Allegro Free Viewer 16,6
Model: Acer ChromeBook CB315-2H
Platforma: Quanta ZAD DA0ZADMB8H0
Rev: H
Za ogled datotek, priloženih tej objavi, morate biti prijavljeni.
Vzdevek:
Google Adsense [BOT]
Re: Schemat Acer ChromeBook CB315-2H Quanta ZAD DA0ZADMB8H0
Napisal/-a Google Adsense [BOT] • 10 September 2021, 21:53
Kdo je na strani
Po forumu brska: 0 registriranih uporabnikov in 0 gostov
_______________________________
Vse pravice pridržane. Nepooblaščeno kopiranje vsebine te spletne strani ali njenega dela je strogo prepovedano.
Vse blagovne znamke, izdelki ali storitve, objavljene na tej spletni strani, pripadajo njihovim zakonitim lastnikom, so avtorsko zaščitene in se uporabljajo samo v informativne namene.