• Schemat TongFang GK5CN5Z

#1 Schemat TongFang GK5CN5Z


Napisal/-a Vogelek23 21 Marec 2021, 15:44
Schemat + Boardview (*.cad)
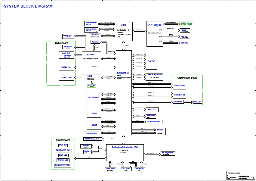
Platforma: TongFang GK5CN5Z
Rev: B November 16, 2018
Slika
Slika



Za ogled datotek, priloženih tej objavi, morate biti prijavljeni.

Re: Schemat TongFang GK5CN5Z


Napisal/-a Google Adsense [BOT] 21 Marec 2021, 15:44

Kdo je na strani

Po forumu brska: 0 registriranih uporabnikov in 3 gostov

_______________________________
Vse pravice pridržane. Nepooblaščeno kopiranje vsebine te spletne strani ali njenega dela je strogo prepovedano.
Vse blagovne znamke, izdelki ali storitve, objavljene na tej spletni strani, pripadajo njihovim zakonitim lastnikom, so avtorsko zaščitene in se uporabljajo samo v informativne namene.