Pravila foruma: Klikni tukaj za prikaz pravil na forumu
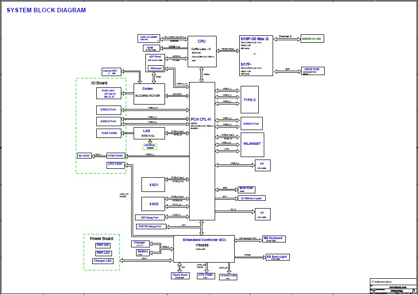
Re: Schemat TongFang PF5CP5G
Napisal/-a Google Adsense [BOT] • 19 Marec 2021, 20:36
Kdo je na strani
Po forumu brska: 0 registriranih uporabnikov in 4 gostov
_______________________________Vse pravice pridržane. Nepooblaščeno kopiranje vsebine te spletne strani ali njenega dela je strogo prepovedano.
Vse blagovne znamke, izdelki ali storitve, objavljene na tej spletni strani, pripadajo njihovim zakonitim lastnikom, so avtorsko zaščitene in se uporabljajo samo v informativne namene.
