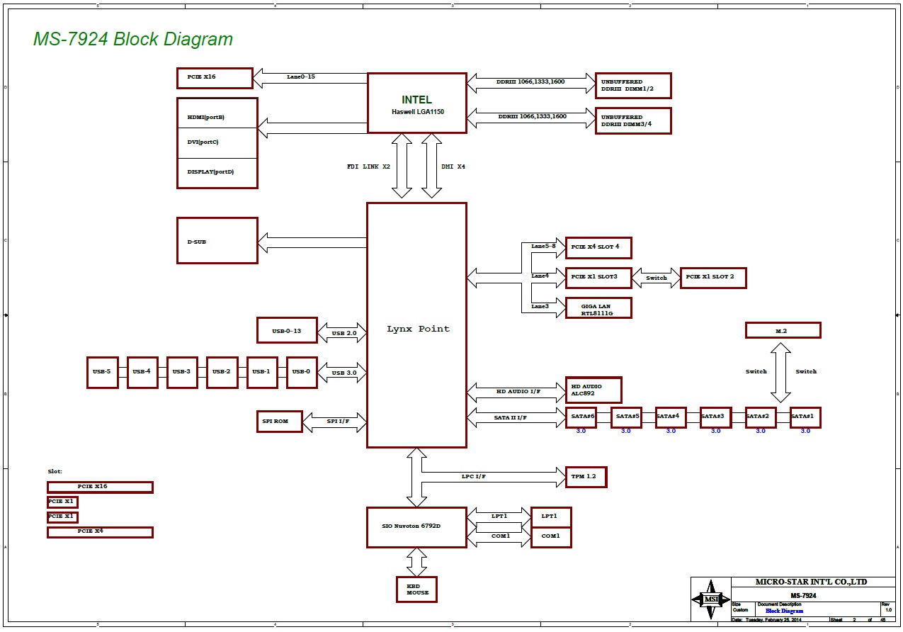
#1 Schemat MSI H97M-G43 MS-7924
SCHEMATModel: MSI H97M-G43
Platforma: MSI MS-7924
Rev: 1.0
Za ogled datotek, priloženih tej objavi, morate biti prijavljeni.
Vzdevek:
Google Adsense [BOT]
Re: Schemat MSI H97M-G43 MS-7924
Napisal/-a Google Adsense [BOT] • 12 Julij 2020, 16:07
#2 Re: Schemat MSI H97M-G43 MS-7924
BoardView (*.CAD)
Model: MSI H97M-G43
Platforma: MSI MS-7924 REV 1.0
Za ogled datotek, priloženih tej objavi, morate biti prijavljeni.
Vzdevek:
Google Adsense [BOT]
Re: Schemat MSI H97M-G43 MS-7924
Napisal/-a Google Adsense [BOT] • 31 Januar 2021, 07:42
Kdo je na strani
Po forumu brska: 0 registriranih uporabnikov in 3 gostov
_______________________________
Vse pravice pridržane. Nepooblaščeno kopiranje vsebine te spletne strani ali njenega dela je strogo prepovedano.
Vse blagovne znamke, izdelki ali storitve, objavljene na tej spletni strani, pripadajo njihovim zakonitim lastnikom, so avtorsko zaščitene in se uporabljajo samo v informativne namene.