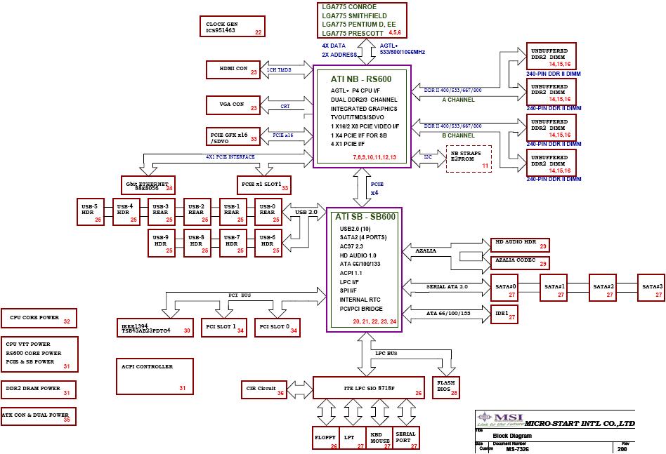
#1 Schemat MSI MS-7326
Napisal/-a
Vogelek23 •
1 November 2012, 04:59
SCHEMATModel: MSI MS-7326
Rev: 0A, 110, 200, 300
Za ogled datotek, priloženih tej objavi, morate biti prijavljeni.
Vzdevek:
Google Adsense [BOT]
Re: Schemat MSI MS-7326
Napisal/-a Google Adsense [BOT] • 1 November 2012, 04:59
#2 Re: Schemat MSI MS-7326
SCHEMATModel: MSI MS-7326
Rev: 100
Za ogled datotek, priloženih tej objavi, morate biti prijavljeni.
Vzdevek:
Google Adsense [BOT]
Re: Schemat MSI MS-7326
Napisal/-a Google Adsense [BOT] • 30 Januar 2021, 02:52
Kdo je na strani
Po forumu brska: 0 registriranih uporabnikov in 5 gostov
_______________________________
Vse pravice pridržane. Nepooblaščeno kopiranje vsebine te spletne strani ali njenega dela je strogo prepovedano.
Vse blagovne znamke, izdelki ali storitve, objavljene na tej spletni strani, pripadajo njihovim zakonitim lastnikom, so avtorsko zaščitene in se uporabljajo samo v informativne namene.