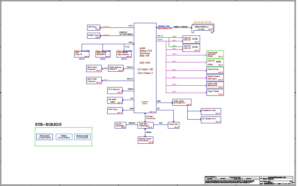
#1 Schemat Dell Inspiron 3493 3593 3793 5493 5593 Compal FDI52 LA-H872P
Schemat + BoardView (*.brd) Allegro Free Viewer 16,6Model: Dell Inspiron 3493 3593 3793 5493 5593Platforma: Compal FDI52 LA-H872PRev: 1.00 (A00) 2018-05-21

Za ogled datotek, priloženih tej objavi, morate biti prijavljeni.
Vzdevek:
Google Adsense [BOT]
Re: Schemat Dell Inspiron 3493 3593 3793 5493 5593 Compal FDI52 LA-H872P
Napisal/-a Google Adsense [BOT] • 5 Avgust 2020, 17:10
#2 Re: Schemat Dell Inspiron 3493 3593 3793 5493 5593 Compal FDI52 LA-H872P
Napisal/-a
Vogelek23 •
1 December 2020, 13:02
Component Finder (*.pdf)Model: Dell Inspiron 3493 3593 3793 5493 5593Platforma: Compal FDI52 LA-H872PRev: 1.00 (A00)
Za ogled datotek, priloženih tej objavi, morate biti prijavljeni.
#3 Re: Schemat Dell Inspiron 3493 3593 3793 5493 5593 Compal FDI52 LA-H872P
Boardview (*.cad)Model: Dell Inspiron 3493 3593 3793 5493 5593Platforma: Compal FDI52 LA-H872PRev: 1.00 (A00)
Za ogled datotek, priloženih tej objavi, morate biti prijavljeni.
Vzdevek:
Google Adsense [BOT]
Re: Schemat Dell Inspiron 3493 3593 3793 5493 5593 Compal FDI52 LA-H872P
Napisal/-a Google Adsense [BOT] • 28 Januar 2021, 17:15
Kdo je na strani
Po forumu brska: 0 registriranih uporabnikov in 14 gostov
_______________________________
Vse pravice pridržane. Nepooblaščeno kopiranje vsebine te spletne strani ali njenega dela je strogo prepovedano.
Vse blagovne znamke, izdelki ali storitve, objavljene na tej spletni strani, pripadajo njihovim zakonitim lastnikom, so avtorsko zaščitene in se uporabljajo samo v informativne namene.