#1 Schemat Dell Latitude 7350 Compal LA-B331P ZAU70
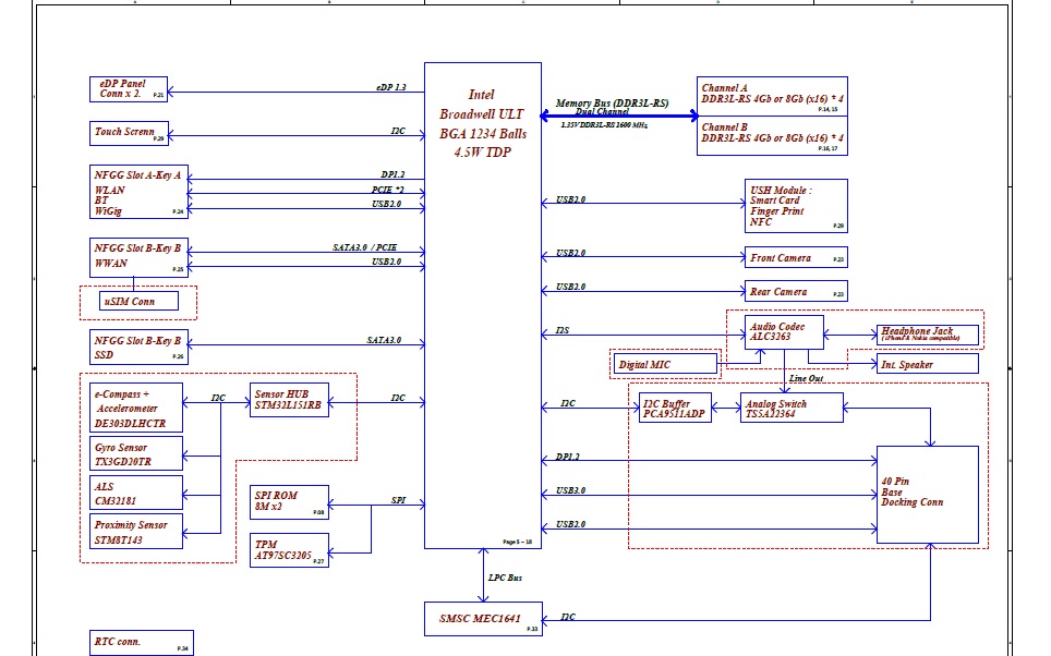
SchematModel: Dell Latitude 7350Platforma: Compal ZAU70 LA-B331P (LA-9262P)Rev: 1.0 (0.1) 2014-08-13
Za ogled datotek, priloženih tej objavi, morate biti prijavljeni.
Vzdevek:
Google Adsense [BOT]
Re: Schemat Dell Latitude 7350 Compal LA-B331P ZAU70
Napisal/-a Google Adsense [BOT] • 26 Julij 2020, 09:48
#2 Re: Schemat Dell Latitude 7350 Compal LA-B331P ZAU70
Boardview (*.brd) Allegro Free Viewer 16,6Model: Dell Latitude 7350Platforma: Compal ZAU70 LA-B331PRev: 1.0 (A00)
Za ogled datotek, priloženih tej objavi, morate biti prijavljeni.
#3 Re: Schemat Dell Latitude 7350 Compal LA-B331P ZAU70
Napisal/-a
Vogelek23 •
30 November 2020, 09:33
Component Finder (*.pdf)Model: Dell Latitude 7350Platforma: Compal ZAU70 LA-B331PRev: 1.0 (A00)
Za ogled datotek, priloženih tej objavi, morate biti prijavljeni.
#4 Re: Schemat Dell Latitude 7350 Compal LA-B331P ZAU70
BoardView (*.CAD)
Model: Dell Latitude 7350
Platforma: Compal LA-B331P ZAU70 Crested Butte REV 1.0
Za ogled datotek, priloženih tej objavi, morate biti prijavljeni.
Vzdevek:
Google Adsense [BOT]
Re: Schemat Dell Latitude 7350 Compal LA-B331P ZAU70
Napisal/-a Google Adsense [BOT] • 28 Januar 2021, 08:30
Kdo je na strani
Po forumu brska: 0 registriranih uporabnikov in 17 gostov
_______________________________
Vse pravice pridržane. Nepooblaščeno kopiranje vsebine te spletne strani ali njenega dela je strogo prepovedano.
Vse blagovne znamke, izdelki ali storitve, objavljene na tej spletni strani, pripadajo njihovim zakonitim lastnikom, so avtorsko zaščitene in se uporabljajo samo v informativne namene.