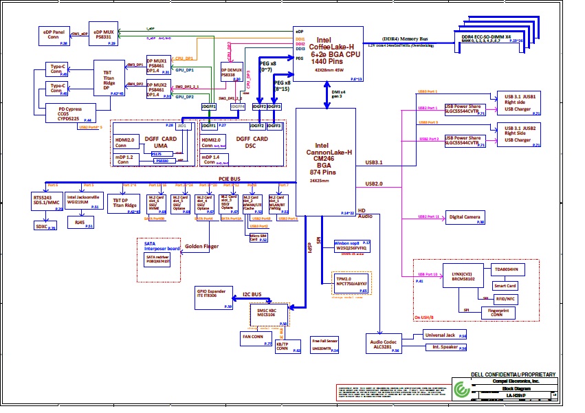
#1 Schemat Dell Precision 7740 Compal EDA70 LA-H281P
Schemat + BoardView (*.brd)Model: Dell Precision 7740Platforma: Compal EDA70 LA-H281PRev: 1.0 (A00) 2019.4.10

Za ogled datotek, priloženih tej objavi, morate biti prijavljeni.
Vzdevek:
Google Adsense [BOT]
Re: Schemat Dell Precision 7740 Compal EDA70 LA-H281P
Napisal/-a Google Adsense [BOT] • 18 Julij 2020, 23:05
#2 Re: Schemat Dell Precision 7740 Compal EDA70 LA-H281P
Napisal/-a
Vogelek23 •
1 December 2020, 22:47
Component Finder (*.pdf)Model: Dell Precision 7740Platforma: Compal EDA70 LA-H281PRev: 1.0 (A00)
Za ogled datotek, priloženih tej objavi, morate biti prijavljeni.
#3 Re: Schemat Dell Precision 7740 Compal EDA70 LA-H281P
BoardView (*.CAD)
Model: Dell Precision 7740
Platforma: Compal LA-H281P EDA70 REV 1.0
Za ogled datotek, priloženih tej objavi, morate biti prijavljeni.
Vzdevek:
Google Adsense [BOT]
Re: Schemat Dell Precision 7740 Compal EDA70 LA-H281P
Napisal/-a Google Adsense [BOT] • 28 Januar 2021, 08:19
Kdo je na strani
Po forumu brska: 0 registriranih uporabnikov in 14 gostov
_______________________________
Vse pravice pridržane. Nepooblaščeno kopiranje vsebine te spletne strani ali njenega dela je strogo prepovedano.
Vse blagovne znamke, izdelki ali storitve, objavljene na tej spletni strani, pripadajo njihovim zakonitim lastnikom, so avtorsko zaščitene in se uporabljajo samo v informativne namene.