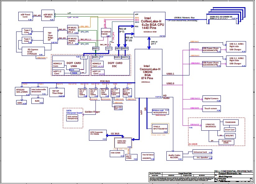
#1 Schemat Dell Precision 7540 Compal EDA50 LA-H271P
SchematModel: Dell Precision 7540 Platforma: Compal EDA50 LA-H271PRev: 1.0 (A00) 2019.4.10
Za ogled datotek, priloženih tej objavi, morate biti prijavljeni.
Vzdevek:
Google Adsense [BOT]
Re: Schemat Dell Precision 7540 Compal EDA50 LA-H271P
Napisal/-a Google Adsense [BOT] • 6 Junij 2020, 23:24
#2 Re: Schemat Dell Precision 7540 Compal EDA50 LA-H271P
Boardview (*.brd) Allegro Free viewer 16,6Model: Dell Precision 7540Platforma: Compal EDA50 LA-H271PRev: 1.0 (A00)
Za ogled datotek, priloženih tej objavi, morate biti prijavljeni.
#3 Re: Schemat Dell Precision 7540 Compal EDA50 LA-H271P
Napisal/-a
Vogelek23 •
6 December 2020, 23:25
Component Finder (*.pdf)Model: Dell Precision 7540Platforma: Compal EDA50 LA-H271PRev: 1.0 (A00)
Za ogled datotek, priloženih tej objavi, morate biti prijavljeni.
#4 Re: Schemat Dell Precision 7540 Compal EDA50 LA-H271P
Boardview (*.cad)Model: Dell Precision 7540Platforma: Compal EDA50 LA-H271P
Za ogled datotek, priloženih tej objavi, morate biti prijavljeni.
Vzdevek:
Google Adsense [BOT]
Re: Schemat Dell Precision 7540 Compal EDA50 LA-H271P
Napisal/-a Google Adsense [BOT] • 26 Januar 2021, 21:48
Kdo je na strani
Po forumu brska: 0 registriranih uporabnikov in 14 gostov
_______________________________
Vse pravice pridržane. Nepooblaščeno kopiranje vsebine te spletne strani ali njenega dela je strogo prepovedano.
Vse blagovne znamke, izdelki ali storitve, objavljene na tej spletni strani, pripadajo njihovim zakonitim lastnikom, so avtorsko zaščitene in se uporabljajo samo v informativne namene.