Pravila foruma: Klikni tukaj za prikaz pravil na forumu
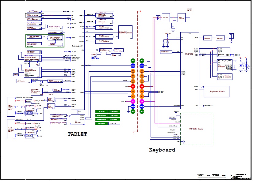
Re: Schemat Dell Latitude 5290 2-IN-1 Compal DAJ00 LA-F371P
Napisal/-a Google Adsense [BOT] • 19 Julij 2020, 13:55
Re: Schemat Dell Latitude 5290 2-IN-1 Compal DAJ00 LA-F371P
Napisal/-a Google Adsense [BOT] • 25 Januar 2021, 21:02
Kdo je na strani
Po forumu brska: 0 registriranih uporabnikov in 19 gostov
_______________________________Vse pravice pridržane. Nepooblaščeno kopiranje vsebine te spletne strani ali njenega dela je strogo prepovedano.
Vse blagovne znamke, izdelki ali storitve, objavljene na tej spletni strani, pripadajo njihovim zakonitim lastnikom, so avtorsko zaščitene in se uporabljajo samo v informativne namene.
