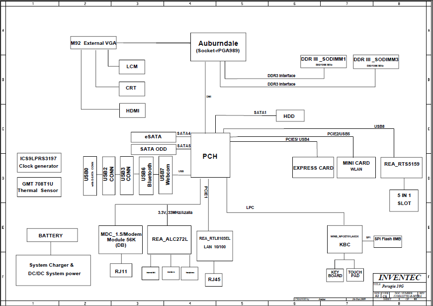
#1 Schematic Toshiba Satellite L538 Inventec PERUGIA 10G PG10G 6050A2278101
Schematic
Model: Toshiba Satellite L538
Platforma code: Inventec PERUGIA 10G PG10G 6050A2278101 (CS2 BUILD) Rev A
| INVENTEC Perugia 10G PG10G 6050A2278101.pdf |
Za ogled datotek, priloženih tej objavi, morate biti prijavljeni.
Vzdevek:
Google Adsense [BOT]
Re: Schematic Toshiba Satellite L538 Inventec PERUGIA 10G PG10G 6050A2278101
Napisal/-a Google Adsense [BOT] • 24 December 2020, 08:30
#2 Re: Schematic Toshiba Satellite L538 Inventec PERUGIA 10G PG10G 6050A2278101
Boardview (*.f2b)Model: Toshiba Satellite L538Platforma: Inventec Perugia 10G PG10G 6050A2278101-MB-A02
Za ogled datotek, priloženih tej objavi, morate biti prijavljeni.
Vzdevek:
Google Adsense [BOT]
Re: Schematic Toshiba Satellite L538 Inventec PERUGIA 10G PG10G 6050A2278101
Napisal/-a Google Adsense [BOT] • 24 Januar 2021, 11:12
Kdo je na strani
Po forumu brska: 0 registriranih uporabnikov in 17 gostov
_______________________________
Vse pravice pridržane. Nepooblaščeno kopiranje vsebine te spletne strani ali njenega dela je strogo prepovedano.
Vse blagovne znamke, izdelki ali storitve, objavljene na tej spletni strani, pripadajo njihovim zakonitim lastnikom, so avtorsko zaščitene in se uporabljajo samo v informativne namene.