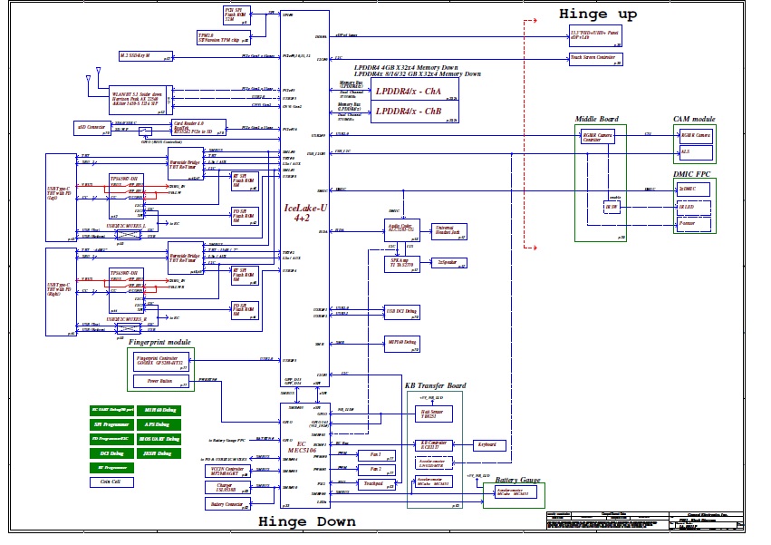
#1 Schemat Dell XPS 13 9300 Compal FDQ30 LA-H811P Modena
SchematModel: Dell XPS 13 9300 Platforma: Compal FDQ30 LA-H811P ModenaRev: 0.1 (X00) 2019-01-29
Za ogled datotek, priloženih tej objavi, morate biti prijavljeni.
Vzdevek:
Google Adsense [BOT]
Re: Schemat Dell XPS 13 9300 Compal FDQ30 LA-H811P Modena
Napisal/-a Google Adsense [BOT] • 30 Julij 2020, 08:05
#2 Re: Schemat Dell XPS 13 9300 Compal FDQ30 LA-H811P Modena
BoardView (*.brd) Allegro Free Viewer 16,6Model: Dell XPS 13 9300Platforma: Compal FDQ30 LA-H811PRev: 1.0 (A00)
Za ogled datotek, priloženih tej objavi, morate biti prijavljeni.
#3 Re: Schemat Dell XPS 13 9300 Compal FDQ30 LA-H811P Modena
Napisal/-a
Vogelek23 •
9 December 2020, 22:53
Component Finder (*.pdf)Model: Dell XPS 13 9300Platforma: Compal FDQ30 LA-H811PRev: 1.0 (A00)
Za ogled datotek, priloženih tej objavi, morate biti prijavljeni.
#4 Re: Schemat Dell XPS 13 9300 Compal FDQ30 LA-H811P Modena
Boardview (*.cad)Model: Dell XPS 13 9300Platforma: Compal FDQ30 LA-H811PRev: 1.0 (A00)
Za ogled datotek, priloženih tej objavi, morate biti prijavljeni.
Vzdevek:
Google Adsense [BOT]
Re: Schemat Dell XPS 13 9300 Compal FDQ30 LA-H811P Modena
Napisal/-a Google Adsense [BOT] • 22 Januar 2021, 16:55
Kdo je na strani
Po forumu brska: 0 registriranih uporabnikov in 13 gostov
_______________________________
Vse pravice pridržane. Nepooblaščeno kopiranje vsebine te spletne strani ali njenega dela je strogo prepovedano.
Vse blagovne znamke, izdelki ali storitve, objavljene na tej spletni strani, pripadajo njihovim zakonitim lastnikom, so avtorsko zaščitene in se uporabljajo samo v informativne namene.