#1 Schemat Dell Latitude 5580 Compal CDP80 LA-E151P CDP81 LA-E152P Breckenridge 15
SCHEMATModel: Dell Latitude 5580
Platforma: Compal CDP80 LA-E151P (Breckenridge 15 UMA Non-TBT)
Rev: 0.2
Za ogled datotek, priloženih tej objavi, morate biti prijavljeni.
Vzdevek:
Google Adsense [BOT]
Re: Schemat Dell Latitude 5580 Compal CDP80 LA-E151P CDP81 LA-E152P Breckenridge 15
Napisal/-a Google Adsense [BOT] • 18 Junij 2019, 18:17
#2 Re: Schemat Dell Latitude 5580 Compal CDP80 LA-E151P CDP81 LA-E152P Breckenridge 15
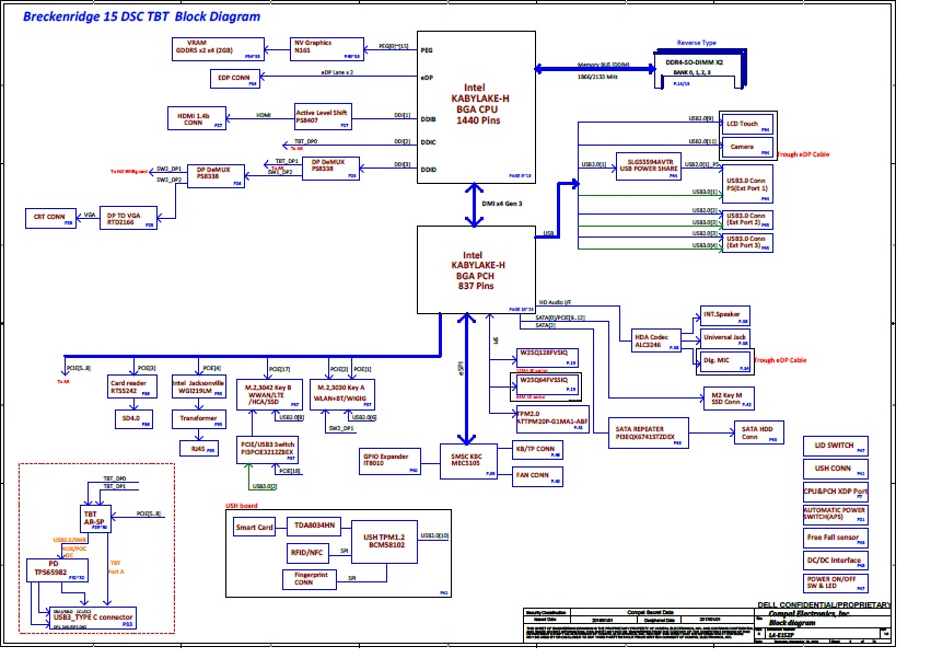
SchematModel: Dell Precision 3520Platforma: Compal CDP81 LA-E152P (Breckenridge 15 DSC TBT)Rev: 1.0 (A00) 2016-11-10
Za ogled datotek, priloženih tej objavi, morate biti prijavljeni.
Vzdevek:
Google Adsense [BOT]
Re: Schemat Dell Latitude 5580 Compal CDP80 LA-E151P CDP81 LA-E152P Breckenridge 15
Napisal/-a Google Adsense [BOT] • 23 Julij 2020, 12:49
Kdo je na strani
Po forumu brska: 0 registriranih uporabnikov in 2 gostov
_______________________________
Vse pravice pridržane. Nepooblaščeno kopiranje vsebine te spletne strani ali njenega dela je strogo prepovedano.
Vse blagovne znamke, izdelki ali storitve, objavljene na tej spletni strani, pripadajo njihovim zakonitim lastnikom, so avtorsko zaščitene in se uporabljajo samo v informativne namene.