• MSI GE63 RAIDER RGB 8RE - Martwy, brak reakcji na włącznik, brak ładowania.

Правила форуму:Натисніть тут для перегляду правил форуму

  1. Назва теми має містити: виробника пристрою, повну модель та короткий опис проблеми.
  2. Пост має містити: код маркування друкованої плати (необхідний у разі ремонту обладнання), розширений опис проблеми, речі, які ви перевірили/замінили/виміряли, ваші висновки та запитання. Якщо ви не можете знайти код маркування друкованої плати, прочитайте ЦЮ ТЕМУ. Якщо ви все ще не можете знайти маркування друкованої плати, завантажте фотографії з високою роздільною здатністю обох сторін друкованої плати - необхідно видалити всі плівки, модулі або кронштейни, які можуть покривати ці позначки.
  3. Перш ніж публікувати нову тему, прочитайте всі теми підфоруму НАВЧАННІ і проведіте попередню діагностику на основі змісту цих тренінгів.
  4. Завантаження будь-яких повних схем, бордвю, файлів БІОС / прошивки або будь-якої іншої документації (або посилань на веб-сайти з такими файлами) СТРОГО ЗАБОРОНЕНО. Ви можете опублікувати лише невелику частину документації або посилання на файл БІОС на підфорумі НЕПЕРЕВІРЕНІ ФАЙЛИ БІОС що спростити діагностику або ремонт. Вам не дозволяється публікувати більше однієї повної сторінки інструкції/схеми на одну тему. Файл, який ви публікуєте, не повинен містити водяних знаків, «конфіденційних» тегів, посилань чи адрес електронної пошти та не може бути захищений паролем.
  5. Дозволено описувати лише один несправний пристрій у одній темі - ви завжди повинні відкривати нову тему для кожного наступного пристрою.
  6. Запит повних схем, бордвю, файлів БІОС або будь-якої іншої документації ЗАБОРОНЕНО на цьому підфорумі. Якщо вам потрібно попросити щось із цього, вам слід відкрити нову тему в підфорумі ЗАПИТ НА ДОКУМЕНТАЦІЮ ТА БІОС.

#1 MSI GE63 RAIDER RGB 8RE - Martwy, brak reakcji na włącznik, brak ładowania.


SPIOH1979 23 Травня 2023, 13:35
Laptop: MSI GE63 Raider RGB 8RE
MB: MS-16P51 VER:1.0

Witam
Problem z tym laptopem opisywałem już w innym wątku na forum
msi-ge63-raider-rgb-8re-system-nie-widzi-gtx-a-t70533.html
wtedy chodziło o dedykowaną kartę graficną która była nieaktywan. Problem został rozwiązany laptop normalnie działał jednak po tygodniu wrócił martwy.
Po podpieciu ładowarki zanika napięcie na ładowarce prawdopodobnie włącza się zabezpieczenie zawciowe jednak nie zawsze czasami napięcie główne rozpływa się po płycie jednak nie ma napięć 3.3V i 5V. Płyta gdy do mnie trafiła cała była wymazana w ciekły metalu który usunąłem. Nie mam schematu do tej płyty prosze pomoc w diagnozie uszkodzenia.

Re: MSI GE63 RAIDER RGB 8RE - Martwy, brak reakcji na włącznik, brak ładowania.


Google Adsense [BOT] 23 Травня 2023, 13:35

#3 Re: MSI GE63 RAIDER RGB 8RE - Martwy, brak reakcji na włącznik, brak ładowania.


SPIOH1979 23 Травня 2023, 15:00
Straciem również jeden komponent chciałem go przelutować bo było pod nim jeszcze trochę tego ciekłego metalu. Podniosłem go ale odpadł od niego jeden pin :frustry:
Зображення
Зображення

Nie mogę zrobić pomiarów bo włącza się zabezpieczenie zwarciowe w ładowarce.

Grzeje się mosfet PQ27
Зображення

Wylutowałem Mosfety PQ24 i PQ27 są dobre pomiar dren-żródło rezystancja w M Qhm .
Na kondensatorach PC 189, PC190, PC192 pełne zwarcie ale same kondensatory są dobre
Rezystancja na cewkach faz zasilania GPU niska CHOKE3 -0.5 Ohm CHOKE4-0.5 Ohm CHOKE5-0.5 Ohm
Kondensatory futrujące w układzie przetwornicy PU8 tez zwarte ale są dobre
Cewka PL13 w układzie przetwornicy PU8 pełne zwarcie. Mosfety PQ33 i P32 zwarte

#5 Re: MSI GE63 RAIDER RGB 8RE - Martwy, brak reakcji na włącznik, brak ładowania.


SPIOH1979 24 Травня 2023, 16:13
Machine написав:Remove PU8, PQ32, PQ33 and see if the short disappears.

Zdjąłem przetwornice PU8 I mosfety PQ32 i PQ33 i nadal jest zwarcie ale teraz na cewce PL13 jest 3.2K Ohm

#7 Re: MSI GE63 RAIDER RGB 8RE - Martwy, brak reakcji na włącznik, brak ładowania.


SPIOH1979 25 Травня 2023, 12:56
Machine написав:On which component are you still detecting a short circuit?

Trzeba postawić pytanie, co nie jest zwarte? :(
Zwarcia zaznaczyłem na zdjęciach
Podniosłem też charger ale zwarcie nie ustąpiło
Зображення
Зображення

#9 Re: MSI GE63 RAIDER RGB 8RE - Martwy, brak reakcji na włącznik, brak ładowania.


SPIOH1979 25 Травня 2023, 16:06
Machine написав:resistance with a test lead
,
Machine написав:high test lead
co to za pomiar nie rozumiem ?

#11 Re: MSI GE63 RAIDER RGB 8RE - Martwy, brak reakcji na włącznik, brak ładowania.


SPIOH1979 26 Травня 2023, 11:55
Machine написав:Black lead on pins 1-2-3 of PQ24 and red lead on one side of the coils

Piny 1-2-3 mosfetu PQ24 do wszystkich cewek ? Jeżeli tak to na wszystkich cewkach i pinach 1-2-3 PQ24 jest pomiędzy 360K-380K Ohm
Chyba wiem skąd poszło zwarcie. Ciekły metal dostał się pod złącze CN8 "Display Port" Nie zauważyłem tego przy oględzinach płyty po myciu :frustry: \

Зображення

Wylutowałem Diplay Port ale zwarcie nie ustąpiło

#13 Re: MSI GE63 RAIDER RGB 8RE - Martwy, brak reakcji na włącznik, brak ładowania.


SPIOH1979 26 Травня 2023, 14:09
Machine написав:Do the test described here on pins 1-2-3 of PQ24.

Robiłem test z wylutowanym rezystorem PR245 :frustry: i na PQ24 nie było zwarcia

Na pinach 1-2-3 PQ24 taki sam odczyt i odpowiednio:

CHOKE2- 42.5 OHM
CHOKE3-0.5 Ohm
CHOKE4-0.5 Ohm
CHOKE5-O.5 Ohm
CHOKE8-1.7 Ohm
CHOKE9-8.7k Ohm
PL2-183 Ohm
PL3-4.6 Ohm
PL4-2.0 Ohm
PL5-13.7 Ohm
PL6-2.0 Ohm
PL7-2.0 Ohm
PL8-38.5 Ohm
PL12-206 Ohm
PL13-3.02k Ohm
L28-3.1k OHM
FL14-66.9k Ohm

#15 Re: MSI GE63 RAIDER RGB 8RE - Martwy, brak reakcji na włącznik, brak ładowania.


SPIOH1979 26 Травня 2023, 14:31
Machine написав:With PR245 unsoldered, test pin 5 of PQ15.

Na pinach 1-2-3 PQ24 taki sam odczyt i odpowiednio:

CHOKE2- 42.5 OHM
CHOKE3-0.5 Ohm
CHOKE4-0.5 Ohm
CHOKE5-O.5 Ohm
CHOKE8-1.7 Ohm
CHOKE9-8.7k Ohm
PL2-183 Ohm
PL3-4.6 Ohm
PL4-2.0 Ohm
PL5-13.7 Ohm
PL6-2.0 Ohm
PL7-2.0 Ohm
PL8-38.5 Ohm
PL12-206 Ohm
PL13-3.02k Ohm
L28-3.1k OHM
FL14-66.9k Ohm

Mam testować pin5 PQ15 względem wszystkich cewek? Jeżeli tak to odczyty są podobne jak w przypadku PQ24

#16 Re: MSI GE63 RAIDER RGB 8RE - Martwy, brak reakcji na włącznik, brak ładowania.  [РІШЕНО]


Machine 27 Травня 2023, 07:34
Try to locate where the short is.
Do the test described here on pin 15 of PQ15 (explained at the end of lesson 3):
post5699.html#p5699

#17 Re: MSI GE63 RAIDER RGB 8RE - Martwy, brak reakcji na włącznik, brak ładowania.


SPIOH1979 27 Травня 2023, 08:27
Machine написав:pin 15 of PQ15
?
pin 5 PQ15 ?

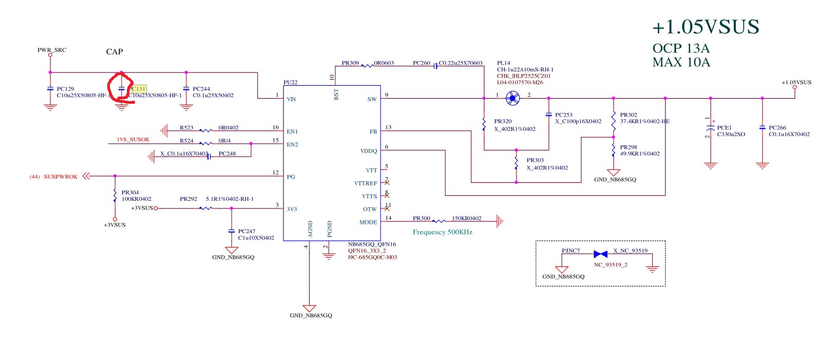
Znalazłem grzejący się kondensator :)
Зображення

Зображення

Po odlutowaniu C131 zwarcie ustąpiło. Jakie ma parametry ten kondensator ?

Nadal nie mam komponentu U43 w układzie zasilania GPU który uszkodziłem

#19 Re: MSI GE63 RAIDER RGB 8RE - Martwy, brak reakcji na włącznik, brak ładowania.


ctro 28 Травня 2023, 06:14
Kondensator przecież sam zaznaczyles na schemacie, gdzie jest opisany
C=capacitor
10u= 10uF
25=25V
X5=x5r czyli wytrzymałość do 85*C. Możesz brać X7r, bo jest odporny na ponad 120*C
0805= rozmiar obydowy

Masz zdjęcie tego U43? Powinien mieć oznaczenie na nim. Chyba, że już wyrzuciłeś?

Re: MSI GE63 RAIDER RGB 8RE - Martwy, brak reakcji na włącznik, brak ładowania.


Google Adsense [BOT] 29 Травня 2023, 08:58

Хто зараз онлайн

Зараз переглядають цей форум: Немає зареєстрованих користувачів і 6 гостей

_______________________________
Всі права захищені. Заборонено копіювати будь-який вміст та елементи веб-сайту без дозволу.
Усі торгові марки, назви брендів, продукти чи послуги, опубліковані на цьому веб-сайті, належать їхнім законним власникам і використовувались лише в інформаційних цілях.