Правила форуму: Натисніть тут для перегляду правил форуму
- Назва теми має містити: виробника пристрою, повну модель та короткий опис проблеми.
- Пост має містити: код маркування друкованої плати (необхідний у разі ремонту обладнання), розширений опис проблеми, речі, які ви перевірили/замінили/виміряли, ваші висновки та запитання. Якщо ви не можете знайти код маркування друкованої плати, прочитайте ЦЮ ТЕМУ. Якщо ви все ще не можете знайти маркування друкованої плати, завантажте фотографії з високою роздільною здатністю обох сторін друкованої плати - необхідно видалити всі плівки, модулі або кронштейни, які можуть покривати ці позначки.
- Перш ніж публікувати нову тему, прочитайте всі теми підфоруму НАВЧАННІ і проведіте попередню діагностику на основі змісту цих тренінгів.
- Завантаження будь-яких повних схем, бордвю, файлів БІОС / прошивки або будь-якої іншої документації (або посилань на веб-сайти з такими файлами) СТРОГО ЗАБОРОНЕНО. Ви можете опублікувати лише невелику частину документації або посилання на файл БІОС на підфорумі НЕПЕРЕВІРЕНІ ФАЙЛИ БІОС що спростити діагностику або ремонт. Вам не дозволяється публікувати більше однієї повної сторінки інструкції/схеми на одну тему. Файл, який ви публікуєте, не повинен містити водяних знаків, «конфіденційних» тегів, посилань чи адрес електронної пошти та не може бути захищений паролем.
- Дозволено описувати лише один несправний пристрій у одній темі - ви завжди повинні відкривати нову тему для кожного наступного пристрою.
- Запит повних схем, бордвю, файлів БІОС або будь-якої іншої документації ЗАБОРОНЕНО на цьому підфорумі. Якщо вам потрібно попросити щось із цього, вам слід відкрити нову тему в підфорумі ЗАПИТ НА ДОКУМЕНТАЦІЮ ТА БІОС.
Re: Lenovo IdeaPad 3 15IIL05 GS454-GS554 NM-D031 działa tylko z baterii
Google Adsense [BOT] • 3 Квітня 2023, 12:02
#2 Re: Lenovo IdeaPad 3 15IIL05 GS454-GS554 NM-D031 działa tylko z baterii
Vogelek23 • 3 Квітня 2023, 12:53
ELVIKOM LAB Ltd - Apple Repairs & PCB Design - Free Quotes! https://www.elvikom.co.uk
Jeśli skorzystałeś z mojej pomocy na Forum, możesz w ramach podziękowania wspomóc jego rozwój. Kliknij tutaj, aby dowiedzieć się więcej.
Jeśli skorzystałeś z mojej pomocy na Forum, możesz w ramach podziękowania wspomóc jego rozwój. Kliknij tutaj, aby dowiedzieć się więcej.
#4 Re: Lenovo IdeaPad 3 15IIL05 GS454-GS554 NM-D031 działa tylko z baterii
Vogelek23 • 3 Квітня 2023, 15:21
ELVIKOM LAB Ltd - Apple Repairs & PCB Design - Free Quotes! https://www.elvikom.co.uk
Jeśli skorzystałeś z mojej pomocy na Forum, możesz w ramach podziękowania wspomóc jego rozwój. Kliknij tutaj, aby dowiedzieć się więcej.
Jeśli skorzystałeś z mojej pomocy na Forum, możesz w ramach podziękowania wspomóc jego rozwój. Kliknij tutaj, aby dowiedzieć się więcej.
#6 Re: Lenovo IdeaPad 3 15IIL05 GS454-GS554 NM-D031 działa tylko z baterii
Vogelek23 • 3 Квітня 2023, 15:35
ELVIKOM LAB Ltd - Apple Repairs & PCB Design - Free Quotes! https://www.elvikom.co.uk
Jeśli skorzystałeś z mojej pomocy na Forum, możesz w ramach podziękowania wspomóc jego rozwój. Kliknij tutaj, aby dowiedzieć się więcej.
Jeśli skorzystałeś z mojej pomocy na Forum, możesz w ramach podziękowania wspomóc jego rozwój. Kliknij tutaj, aby dowiedzieć się więcej.
#8 Re: Lenovo IdeaPad 3 15IIL05 GS454-GS554 NM-D031 działa tylko z baterii
Vogelek23 • 3 Квітня 2023, 16:09
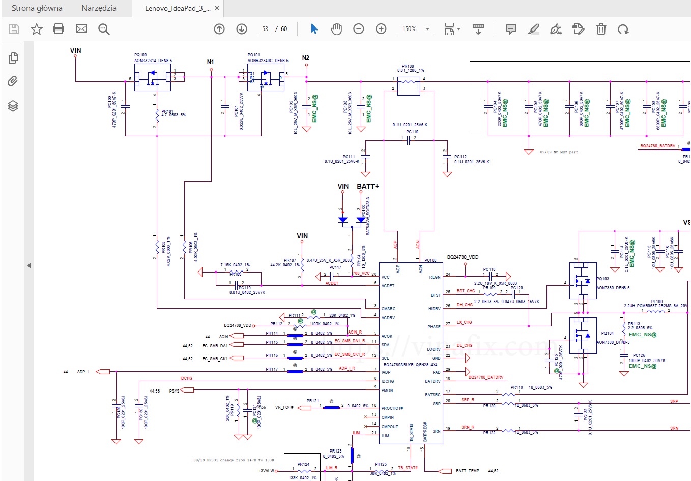
Proszę poprawić lutowanie i pozycję zaznaczonych elementów, dokładnie umyć płytę izopropanolem w miejscu lutowania i zamieścić zdjęcie po poprawkach.

Po wykonaniu poprawek, proszę zmierzyć rezystancje pomiędzy pinami 1 i 2 oraz pomiędzy pinami 19 i 20 chargera PU100, a także sprawdzić, czy tranzystor PQ102 nie ma zwarcia pomiędzy drenem a źródłem (zasilanie całkowicie odłączone na czas pomiarów).
Po wykonaniu poprawek, proszę zmierzyć rezystancje pomiędzy pinami 1 i 2 oraz pomiędzy pinami 19 i 20 chargera PU100, a także sprawdzić, czy tranzystor PQ102 nie ma zwarcia pomiędzy drenem a źródłem (zasilanie całkowicie odłączone na czas pomiarów).
ELVIKOM LAB Ltd - Apple Repairs & PCB Design - Free Quotes! https://www.elvikom.co.uk
Jeśli skorzystałeś z mojej pomocy na Forum, możesz w ramach podziękowania wspomóc jego rozwój. Kliknij tutaj, aby dowiedzieć się więcej.
Jeśli skorzystałeś z mojej pomocy na Forum, możesz w ramach podziękowania wspomóc jego rozwój. Kliknij tutaj, aby dowiedzieć się więcej.
#11 Re: Lenovo IdeaPad 3 15IIL05 GS454-GS554 NM-D031 działa tylko z baterii
matic • 5 Квітня 2023, 11:26
ksimon написав:Jakim napięciem powinien być sterowany mosfet pq100 - NS32314 ?Around 23-24V.
ksimon написав:Może znajdę takie napięcie i podam je na bramkę?This voltage is generated by the "charge-pump" circuit inside charger chip on pin 4.
Measure the voltages to ground on all pins of battery connector with the battery + power supply connected to the board.
#19 Re: Lenovo IdeaPad 3 15IIL05 GS454-GS554 NM-D031 działa tylko z baterii
ksimon • 5 Квітня 2023, 15:45
Jest lepiej.
Jednak nadal nie ładuje baterii i nie działa laptop bez baterii.
N1 - pojawiło się napięcie 19,3V
N2- 7,7V
PU100
3-19,3V
4-25,3V
5- 3,2V
6-2,7V
18-7,7V
24-6V
28-19,1V
Zapaliła się lampka ładowania
W systemie windows gdy podłączona ładowarka informuje, że ładuje, gdy odłączę ładowarkę pokazuje, ze odłączona
Jednak nie ładuje.
Jednak nadal nie ładuje baterii i nie działa laptop bez baterii.
N1 - pojawiło się napięcie 19,3V
N2- 7,7V
PU100
3-19,3V
4-25,3V
5- 3,2V
6-2,7V
18-7,7V
24-6V
28-19,1V
Zapaliła się lampka ładowania
W systemie windows gdy podłączona ładowarka informuje, że ładuje, gdy odłączę ładowarkę pokazuje, ze odłączona
Jednak nie ładuje.
Re: Lenovo IdeaPad 3 15IIL05 GS454-GS554 NM-D031 działa tylko z baterii
Google Adsense [BOT] • 5 Квітня 2023, 18:47
Хто зараз онлайн
Зараз переглядають цей форум: Немає зареєстрованих користувачів і 11 гостей
_______________________________Всі права захищені. Заборонено копіювати будь-який вміст та елементи веб-сайту без дозволу.
Усі торгові марки, назви брендів, продукти чи послуги, опубліковані на цьому веб-сайті, належать їхнім законним власникам і використовувались лише в інформаційних цілях.

