• Laptop acer Nitro 5 AN515-55-5429 BRAK ZASILANIA

Правила форума:Нажмите здесь, чтобы посмотреть правила этого форума

  1. Тема должна иметь: бренд, полное обозначение компьютера и краткое описание неисправности.
  2. Сообщение темы должно содержать: маркировку материнской платы (в случае аппаратного обеспечения ремонта), расширенное описание неисправности, что было проверено/заменено/измерено + выводы и вопрос. Если вы не можете найти маркировки материнской платы, вы должны прочитать ЭТУ ТЕМУ. Если вы все еще не можете найти маркировки, удалите пожалуйста фотографии обеих сторон материнской платы - удалите сначала все пленки и модули, которые могут покрывать маркировку.
  3. Перед публикацией новой темы, вы должны прочитать все темы на форуме КУРСЫ и попытаться сделать предварительный диагноз, основанный на содержании этих курсов.
  4. Не допускаем прикреплять вложения в виде полных инструкций/схем (или ссылки для них на другие сайты), а также файлов BIOS / прошивок. Вы можете разместить только небольшую часть инструкции/схемы или дать ссылку на файл BIOS на форуме НЕПРОВЕРЕННЫЕ ФАЙЛЫ BIOS/EFI, что упростит диагностику/ремонт для автора темы. Вы не можете дать более одной полной страницы инструкции/схемы на один пост. Файл не может иметь видимых водяных знаков, «конфиденциальных» меток, адресов электронной почты и т.д.
  5. Невозможно создать тему, в которой вы описываете неисправность более чем одного компьютера. Вы должны создавать отдельные темы для каждого компьютера.
  6. Не разрешается создавать тему, в которой вы спрашиваете схемы, бордвю, фотографий материнской платы, файлы BIOS или сервис-мануалы. Если вы хотите попросить любой из этих, вы должны открыть новую тему в форуме ЗАПРОСЫ О ДОКУМЕНТАЦИЮ И BIOS/EFI.

#1Laptop acer Nitro 5 AN515-55-5429 BRAK ZASILANIA


от Zaczek 15 Октябрь 2025, 13:53
procesor : V107F811 SRH84
GPU : SRJAU
LAPTOP : Nitro 5 AN515-55-5429
PŁYTA : Compal GH51M LA-K861P

Изображение


Laptop uszkodzony poprzez śrubki, które obijały się o płytę. Przestał się ładować aż w końcu padła bateria.
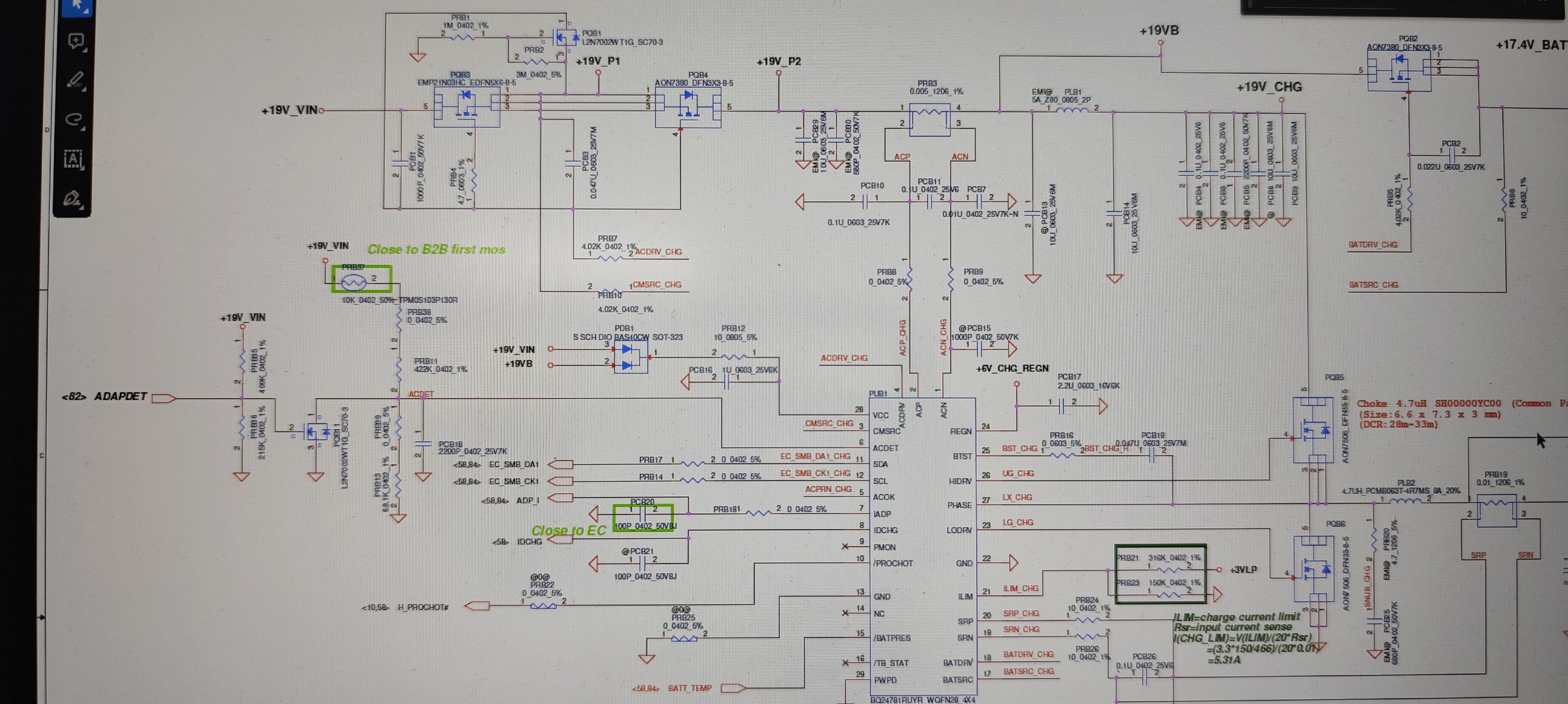
Na +19V_P1 jest 0v
Zasilanie nie przechodzi przez PQB3 Na bramce pojawia się na chwile 0.2v
Skąd zasilanie na bramkę PQB3 bo musi dostać vgs z 8v tak ?
Na ACTED jest 2.6v
ACDRV_CHG moze sterować tym mosfetem ?

nagroda: 10 punktów

Re: Laptop acer Nitro 5 AN515-55-5429 BRAK ZASILANIA


от Google Adsense [BOT] 15 Октябрь 2025, 13:53

#2 Re: Laptop acer Nitro 5 AN515-55-5429 BRAK ZASILANIA


от Vogelek23 15 Октябрь 2025, 14:47
Zaczek писал(а):Skąd zasilanie na bramkę PQB3 bo musi dostać vgs z 8v tak ?
W praktyce VGS = 6V wystarcza do otwarcia tego tranzystora, czyli do masy powinieneś mieć na bramce jakieś 26V. Po pierwsze, zmierz napięcia do masy na pinach 4, 5, 24 i 28 chargera PUB1. Bez tych wyników nie ma co dalej gdybać.

#3 Re: Laptop acer Nitro 5 AN515-55-5429 BRAK ZASILANIA


от Zaczek 15 Октябрь 2025, 16:24
Myślałem, że VGS to różnica między bramką a napięciem bazowym. Mniejsza, chodziło mi właśnie o 28v.

4. 0.003V
5. 0.005v
24. 0.42v
28. 18.75v

Od strony chargera nie szukałem problemu, amatorka :frustry:

#4 Re: Laptop acer Nitro 5 AN515-55-5429 BRAK ZASILANIA


от Vogelek23 15 Октябрь 2025, 16:35
Zaczek писал(а):Myślałem, że VGS to różnica między bramką a napięciem bazowym.
Poprawiłem swój post #2, bo źle odczytałem Twój. Konkretnie to VGS jest to napięcie między bramką a źródłem. W nocie katalogowej jest to maksymalna różnica potencjałów, jaka może wystąpić pomiędzy tymi dwiema elektrodami. Natomiast punkt załączenia MOSFETa określany jest VGS(thr) (VGS threshold), oznaczający minimalne napięcie pomiędzy bramką a źródłem, powodujące otwarcie się (włączenie) tranzystora.

Zmierz rezystancję do masy na pinie 24 chargera PUB1 - brak napięcia LDO wskazuje na uszkodzenie tego układu lub zwarcie LDO do masy.

#5 Re: Laptop acer Nitro 5 AN515-55-5429 BRAK ZASILANIA


от Zaczek 15 Октябрь 2025, 16:40
24 pin do masy :18.5Ω
Obok jest kondziak sprawdziłem to nie jego wina.
Na boardviev widzę ze zostaje tylko charger, zgadza się ?

#6 Re: Laptop acer Nitro 5 AN515-55-5429 BRAK ZASILANIA  [РЕШЕНО]


от Vogelek23 15 Октябрь 2025, 16:41
Wylutuj PUB1 i zmierz ponownie tę rezystancję na padzie 24 na PCB. Jeśli rezystancja na płycie znacząco wzrośnie, to PUB1 jest na 100% do wymiany. Jeśli nie, to do wymiany jest kondensator PCB17 (2,2µF/16V).

#7 Re: Laptop acer Nitro 5 AN515-55-5429 BRAK ZASILANIA


от Zaczek 15 Октябрь 2025, 17:03
Panie ten charger to na klej :o jezu 450c dopiero puścił dziad :lol:
jest 22kΩ

#8 Re: Laptop acer Nitro 5 AN515-55-5429 BRAK ZASILANIA


от Vogelek23 15 Октябрь 2025, 17:35
Zaczek писал(а):450c dopiero puścił dziad
To czym Ty to lutujesz, suszarką do włosów? Ja mam 15-letniego "chińczyka" Yihua 852D+, nabytego drogą kupna za jakieś 120zł, i nigdy nie miałem problemów z żadnym układem - a maksimum, co ustawiam na stacji w ekstremalnych przypadkach, to 350°C... :wtf:

Zaczek писал(а):jest 22kΩ
I dokładnie tyle powinno być (na tej konkretnej płycie, z uwagi na obecność dzielnika PRB27/PRB32), zatem układ ewidentnie do wymiany.

#9 Re: Laptop acer Nitro 5 AN515-55-5429 BRAK ZASILANIA


от Zaczek 17 Октябрь 2025, 11:16
Układ już zamówiony. Wrócę po wlucie i oczywiście nagroda wleci :)
Mam dobrą stację ale mam nadal problemy z wylutem, na fimach wszystko ładnie schodzi a u mnie muszę brać skrajne temperatury. Używałem mniejszej dyszy, takiej wielkości układu, następnym razem wezmę większą może tu robię błąd.

#10 Re: Laptop acer Nitro 5 AN515-55-5429 BRAK ZASILANIA


от Vogelek23 17 Октябрь 2025, 17:16
Musisz więc skalibrować swoją stację za pomocą zewnętrznego termometru na termoparze - nie ma innego sposobu na dowiedzenie się, czy to, co pokazuje stacja, jest tym, co faktycznie wylatuje z dyszy. Jest to jednak kwestia wykraczająca poza ramy tematyczne niniejszego działu, sugeruję więc utworzyć stosowny wątek w dziale NAPRAWA WARSZTAT.

#11 Re: Laptop acer Nitro 5 AN515-55-5429 BRAK ZASILANIA


от Zaczek 18 Октябрь 2025, 11:32
Okej dzięki za info, spoko opcja sobie sprawdzić jaka faktycznie jest temperatura i chyba mój miernik ma taką funkcje.
Do rzeczy, wlut poszedł gładko, dzięki paście 183c także układ nie dostał wciry, używałem 340c

Laptop tym razem nie pobiera w ogóle prądu czyli chociaż zwarcie wyeliminowane.

4 - 0.2v
5 - 0v
24 - 0v
28 - 19.28v

#12 Re: Laptop acer Nitro 5 AN515-55-5429 BRAK ZASILANIA


от Vogelek23 18 Октябрь 2025, 12:58
Wydaje się, że wlutowany układ jest uszkodzony lub źle wlutowany. Załącz zdjęcie stanu obecnego z PUB1.

#13 Re: Laptop acer Nitro 5 AN515-55-5429 BRAK ZASILANIA


от Zaczek 20 Октябрь 2025, 08:19
Изображение
Изображение
Изображение
Изображение
Изображение


edit.
Poprawiłem luty bez skrupułów zwykła cyna i eureka, są napięcia. Laptop startuje :)

Nagroda niebawem wleci, dzięki ! :D

Re: Laptop acer Nitro 5 AN515-55-5429 BRAK ZASILANIA


от Google Adsense [BOT] 20 Октябрь 2025, 08:19

Кто сейчас на конференции

Сейчас этот форум просматривают: нет зарегистрированных пользователей и гости: 17

_______________________________
Все права защищены. Вы не можете копировать любой контент и элементов этого сайта без разрешения.
Все торговые марки, продукты или услуги, опубликованные на этом сайте принадлежат их законным владельцам, защищены авторским правом и используются только в информационных целях.